|
|
|
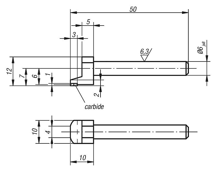
33035Probe knife point offset, for fixed stop |
go back |
|
Item description/product images |
|
|
DescriptionMaterial:Tool steel. Contact face carbideVersion:Black oxidised.Special features: DownloadHere is all the information as a PDF datasheet:
Are you looking for CAD data? These can be found directly in the product table.
|
Order No. | Dimensions | CAD | Acc. | Price | Order |
|---|
| 33035-06050 | see drawing |  | | on request | |
Other items in this category |
|
|