|
|
|
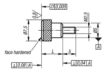
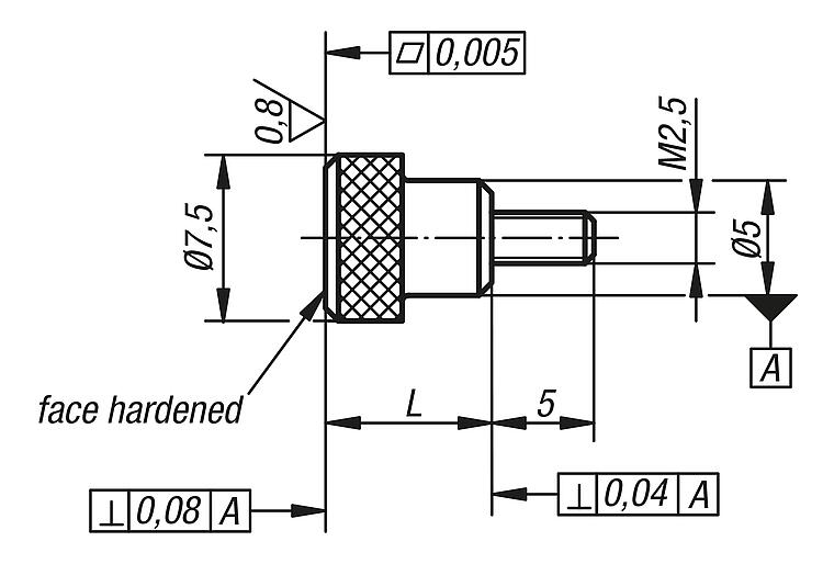
33050Probe inserts with enlarged flat face |
go back |
|
Item description/product images |
|
|
DescriptionMaterial:Steel.Version:Hardened, black oxidised.Note:Dial gauges see 32540 and 32542.Special features: DownloadHere is all the information as a PDF datasheet:
Are you looking for CAD data? These can be found directly in the product table.
|
Order No. | L | CAD | Acc. | Price | Order |
|---|
| 33050-025080 | 8 |  | | on request | |
Other items in this category |
|
|