|
|
|
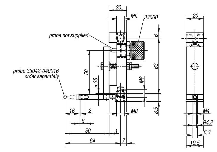
33078Deflection dial gauge holders 90° probe lever with thread |
go back |
|
Item description/product images |
|
|
DescriptionMaterial:Body aluminium. Probe lever investment cast steel.Version:Body black anodised. Probe lever black oxidised.Note:To alter the probe direction and mounting of the deflection dial gauge holder with the fastening adaptors (supplied) see technical information.Accessory:Dial gauges see 32540 and 32542. Probe inserts see 33042-040016.Special features: DownloadHere is all the information as a PDF datasheet:
Are you looking for CAD data? These can be found directly in the product table.
|
Order No. | Dimensions | CAD | Acc. | Price | Order |
|---|
| 33078-050 | see drawing |  | | on request | |
Other items in this category |
|
|