|
Item description/product images |
|
|
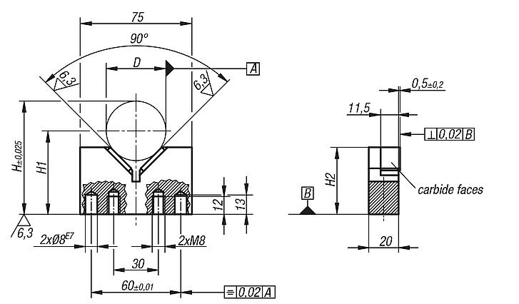
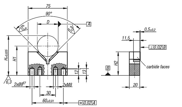
DescriptionMaterial:Carbon steel. Contact face carbide.Version:Black oxidised. Contact faces ground, bright.Special features: DownloadHere is all the information as a PDF datasheet:
Are you looking for CAD data? These can be found directly in the product table.
|
Order No. | D min. | D max. | D Test-Ø | H | H1 | H2 | CAD | Acc. | Price | Order |
|---|
| 33090-010020 | 10 | 20 | 20 | 66 | D/2 x √2 + 41,857 | 53 |  | | on request | | | 33090-020040 | 20 | 40 | 40 | 76 | D/2 x √2 + 27,716 | 45 |  | | on request | |
Other items in this category |
|
|