norelem uses cookies to optimally design and continually improve the website. By continuing to use this website, you agree to the use of cookies. You can find more information about cookies in our Data protection declaration.okay
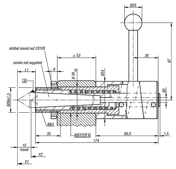
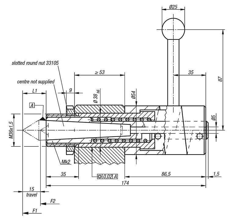
Centre sleeves spring mounted with retraction cam
33182

Centre sleeves spring mounted with retraction cam

go back

Item description/product images

DescriptionMaterial:Steel.
Ball black thermoset PF 31.
Version:Black oxidised.Note:The max. travel of 15 mm is achieved by rotating the cam 180°.Special features:
RoHS
DownloadHere is all the information as a PDF datasheet:

Are you looking for CAD data? These can be found directly in the product table.
 Datasheet 33182 Centre sleeves spring mounted with retraction cam 222 kB

Drawings

Centre sleeves spring mounted with retraction cam

Item selection/filter

Order No.L1Matching fixed centreSpring force initial pressure
F1 approx.
N
Final pressure
F2 approx.
N
CADAcc.PriceOrder
33182-0232414933190-02096
33190-02113
33190-02105
100137  on request
My norelemE-mailPassword
Shopping cart
Number of items: 0
Amount: 0.00  
shopping cart
欢迎扫描二维码
咨询诺瑞朗官方客服微信
China
苏ICP备20011289号-1  苏公网安备32058502011222 Sitemap Print Recommended Top
Copyright © 2025 norelem. All rights reserved. Tel. +49 71 45/206-44 to 45 · Fax +49 71 45/206-83