norelem uses cookies to optimally design and continually improve the website. By continuing to use this website, you agree to the use of cookies. You can find more information about cookies in our Data protection declaration.okay

Item description/product images

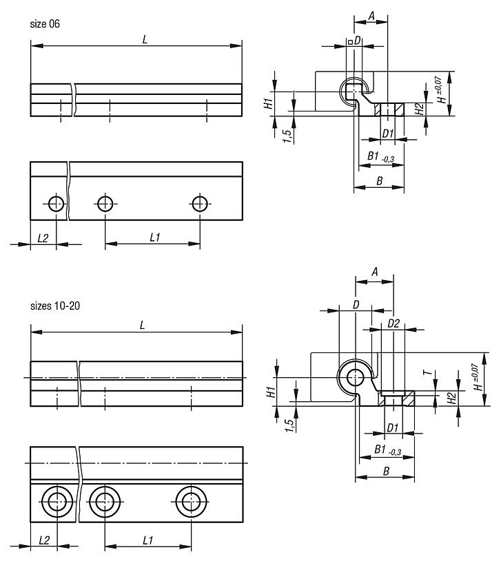
DescriptionMaterial:Aluminium.Version:Hard anodised, layer thickness 50 µm.
Hardness 500 HV
Note:Single guide rails enable highest flexibility during construction and easy assembly. Can be used to to compensate for height differences in height. Hard anodised aluminium is used as rail material and ensures best friction and wear results. Robust and dirt resistant for transporting heavy loads safely and maintenance-free.

** length L2 = 20 mm and
* L = 500 mm included
L2 and L only available in full mm.
DownloadHere is all the information as a PDF datasheet:

Are you looking for CAD data? These can be found directly in the product table.
 Datasheet 21240 Guide rails DryLin® Wsingle 183 kB

Drawings

Guide rails DryLin® Wsingle

Item selection/filter

Order No.

Version 1SizeL
max.
LL2L2
min.
L2
max.
ABB1DD1D2HH1H2L1TCADAcc.PriceOrder
21240-10630X3000-63000300030--10,515,51454,5-147,5460- on request
21240-11030X4000-104000400020--172727106,6-1895,5120- on request
21240-11630X4000-164000400020--1929271691527147,51204 on request
21240-12030X4000-204000400020--2131272091536209,51205 on request
21240-106**X*L2 and L customer specific63000***2049,510,515,51454,5-147,5460-on request
21240-110**X*L2 and L customer specific104000***2079,5172727106,6-1895,5120-on request
21240-116**X*L2 and L customer specific164000***2079,51929271691527147,51204on request
21240-120**X*L2 and L customer specific204000***2079,52131272091536209,51205on request
My norelemE-mailPassword
Shopping cart
Number of items: 0
Amount: 0.00  
shopping cart
欢迎扫描二维码
咨询诺瑞朗官方客服微信
China
苏ICP备20011289号-1  苏公网安备32058502011222 Sitemap Print Recommended Top
Copyright © 2025 norelem. All rights reserved. Tel. +49 71 45/206-44 to 45 · Fax +49 71 45/206-83