norelem uses cookies to optimally design and continually improve the website. By continuing to use this website, you agree to the use of cookies. You can find more information about cookies in our Data protection declaration.okay

Item description/product images

Show/filter all items
DescriptionMaterial:Aluminium.
Rim flanges, steel.
Version:Aluminium bright.
Steel electro zinc-plated.
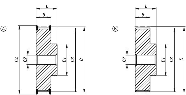
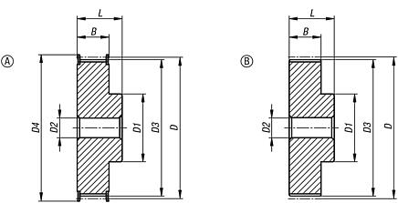
Note:Standard AT-profile with metric pitch (trapezoidal toothing). At least one toothed belt pulley must have a rim flange. The toothed belt pulleys have a centre bore or are pre-drilled (this can vary due to production methods). For this reason, the dimension D2 max. given in the table is the maximum diameter of the bore that the toothed belt pulleys are supplied with. This pilot hole/centre bore can be customised with a reamed hole, reamed hole with keyway or a tapped hole by the customer. Alternatively, bushes can be fitted by the customer to reduce the diameter.
To reduce weight, the toothed belt pulleys may have a recess on one face.
Special features:
RoHS
DownloadHere is all the information as a PDF datasheet:

Are you looking for CAD data? These can be found directly in the product table.
 Datasheet 22003 Toothed belt pulleys AT profile 229 kB

Drawings (total overview)

Toothed belt pulleys AT profile

Toothed belt pulleys, AT5 profile

More information

Drawings

Toothed belt pulleys, AT5 profile

Item selection/filter

Order No.Profilebelt widthFormNo. of
teeth
DD1D2
max.
D3D4BLCADAcc.PriceOrder
22003-051012AT510A1219,0110617,85231521 on request
22003-051014AT510A1422,2913821,05251521 on request
22003-051015AT510A1523,88161022,65281521 on request
22003-051016AT510A1625,47181124,2321521 on request
22003-051018AT510A1828,65201227,4321521 on request
22003-051019AT510A1930,25221229361521 on request
22003-051020AT510A2031,83231430,6361521 on request
22003-051022AT510A2235,12241533,85381521 on request
22003-051024AT510A2438,21261537421521 on request
22003-051025AT510A2539,8261538,6441521 on request
22003-051026AT510A2641,47261640,2441521 on request
22003-051027AT510A2742,98301841,8481521 on request
22003-051028AT510A2844,62321843,35481521 on request
22003-051030AT510A3047,76341846,55511521 on request
22003-051032AT510A3250,94362249,7541521 on request
22003-051036AT510A3657,31382256,05631521 on request
22003-051040AT510A4063,66402362,45661521 on request
22003-051042AT510A4266,87402465,6711521 on request
22003-051044AT510B4470,07452668,8-1521 on request
22003-051048AT510B4876,42502875,15-1521 on request
22003-051060AT510B6095,52653594,25-1521 on request
22003-051612AT516A1219,0110617,85232127 on request
22003-051614AT516A1422,2913821,05252127 on request
22003-051615AT516A1523,88161022,65282127 on request
22003-051616AT516A1625,47181124,2322127 on request
22003-051618AT516A1828,65201227,4322127 on request
22003-051619AT516A1930,25221229362127 on request
22003-051620AT516A2031,83231430,6362127 on request
22003-051622AT516A2235,12241533,85382127 on request
22003-051624AT516A2438,21261537422127 on request
22003-051625AT516A2539,8261538,6442127 on request
22003-051626AT516A2641,47261640,2442127 on request
22003-051627AT516A2742,98301841,8482127 on request
22003-051628AT516A2844,62321843,35482127 on request
22003-051630AT516A3047,76341846,55512127 on request
22003-051632AT516A3250,94362249,7542127 on request
22003-051636AT516A3657,31382256,05632127 on request
22003-051640AT516A4063,66402362,45662127 on request
22003-051642AT516A4266,87402465,6712127 on request
22003-051644AT516B4470,07452668,8-2127 on request
22003-051648AT516B4876,42502875,15-2127 on request
22003-051660AT516B6095,52653594,25-2127 on request
22003-052512AT525A1219,0110617,85233036 on request
22003-052514AT525A1422,2913821,05253036 on request
22003-052515AT525A1523,88161022,65283036 on request
22003-052516AT525A1625,47181124,2323036 on request
22003-052518AT525A1828,65201227,4323036 on request
22003-052519AT525A1930,25221229363036 on request
22003-052520AT525A2031,83231430,6363036 on request
22003-052522AT525A2235,12241533,85383036 on request
22003-052524AT525A2438,21261537423036 on request
22003-052525AT525A2539,8261538,6443036 on request
22003-052526AT525A2641,47261640,2443036 on request
22003-052527AT525A2742,98301841,8483036 on request
22003-052528AT525A2844,62321843,35483036 on request
22003-052530AT525A3047,76341846,55513036 on request
22003-052532AT525A3250,94362249,7543036 on request
22003-052536AT525A3657,31382256,05633036 on request
22003-052540AT525A4063,66402362,45663036 on request
22003-052542AT525A4266,87402465,6713036 on request
22003-052544AT525B4470,07452668,8-3036 on request
22003-052548AT525B4876,42502875,15-3036 on request
22003-052560AT525B6095,52653594,25-3036 on request

Toothed belt pulleys, AT 10 profile

More information

Drawings

Toothed belt pulleys, AT 10 profile

Item selection/filter

Order No.Profilebelt widthFormNo. of
teeth
DD1D2
max.
D3D4BLCADAcc.PriceOrder
22003-101615AT1016A1547,75321845,9512131 on request
22003-101616AT1016A1650,93352049,05542131 on request
22003-101618AT1016A1857,29402255,45602131 on request
22003-101619AT1016A1960,48442258,6662131 on request
22003-101620AT1016A2063,66462461,8662131 on request
22003-101622AT1016A2270,03522868,15752131 on request
22003-101624AT1016A2476,39583074,55832131 on request
22003-101625AT1016A2579,58603077,7832131 on request
22003-101626AT1016A2682,76603080,9872131 on request
22003-101627AT1016A2785,95603084,1912131 on request
22003-101628AT1016A2889,13603087,25932131 on request
22003-101630AT1016A3095,49603093,65972131 on request
22003-101632AT1016A32101,8665321001062131 on request
22003-101636AT1016A36114,597035112,751192131 on request
22003-101640AT1016A40127,328040125,451312131 on request
22003-101644AT1016B44140,068846138,2-2131 on request
22003-101648AT1016B48152,789548150,95-2131 on request
22003-101660AT1016B60190,9811060189,1-2131 on request
22003-102515AT1025A1547,75321845,9513040 on request
22003-102516AT1025A1650,93352049,05543040 on request
22003-102518AT1025A1857,29402255,45603040 on request
22003-102519AT1025A1960,48442258,6663040 on request
22003-102520AT1025A2063,66462461,8663040 on request
22003-102522AT1025A2270,03522868,15753040 on request
22003-102524AT1025A2476,39583074,55833040 on request
22003-102525AT1025A2579,58603077,7833040 on request
22003-102526AT1025A2682,76603080,9873040 on request
22003-102527AT1025A2785,95603084,1913040 on request
22003-102528AT1025A2889,13603087,25933040 on request
22003-102530AT1025A3095,49603093,65973040 on request
22003-102532AT1025A32101,8665321001063040 on request
22003-102536AT1025A36114,597035112,751193040 on request
22003-102540AT1025A40127,328040125,451313040 on request
22003-102544AT1025B44140,068846138,2-3040 on request
22003-102548AT1025B48152,789548150,95-3040 on request
22003-102560AT1025B60190,9811060189,1-3040 on request
22003-103218AT1032A1857,29402255,45603747 on request
22003-103219AT1032A1960,48442258,6663747 on request
22003-103220AT1032A2063,66462461,8663747 on request
22003-103222AT1032A2270,03522868,15753747 on request
22003-103224AT1032A2476,39583074,55833747 on request
22003-103225AT1032A2579,58603077,7833747 on request
22003-103226AT1032A2682,76603080,9873747 on request
22003-103227AT1032A2785,95603084,1913747 on request
22003-103228AT1032A2889,13603087,25933747 on request
22003-103230AT1032A3095,49603093,65973747 on request
22003-103232AT1032A32101,8665321001063747 on request
22003-103236AT1032A36114,597035112,751193747 on request
22003-103240AT1032A40127,328040125,451313747 on request
22003-103244AT1032B44140,068846138,2-3747 on request
22003-103248AT1032B48152,789548150,95-3747 on request
22003-103260AT1032B60190,9811060189,1-3747 on request
My norelemE-mailPassword
Shopping cart
Number of items: 0
Amount: 0.00  
shopping cart
欢迎扫描二维码
咨询诺瑞朗官方客服微信
China
苏ICP备20011289号-1  苏公网安备32058502011222 Sitemap Print Recommended Top
Copyright © 2025 norelem. All rights reserved. Tel. +49 71 45/206-44 to 45 · Fax +49 71 45/206-83