norelem uses cookies to optimally design and continually improve the website. By continuing to use this website, you agree to the use of cookies. You can find more information about cookies in our Data protection declaration.okay

Item description/product images

Show/filter all items
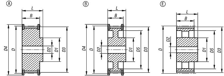
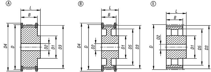
DescriptionMaterial:Steel or grey cast iron.Version:PhosphatedNote:Standard HTD profile with metric pitch (half-round teeth). At least one toothed belt pulley must have a rim flange. The toothed belt pulleys have a centre bore or are pre-drilled (this can vary due to production methods). For this reason, the dimension D2 max. given in the table is the maximum diameter of the bore that the toothed belt pulleys are supplied with. This pilot hole/centre bore can be customised with a reamed hole, reamed hole with keyway or a tapped hole by the customer. Alternatively, bushes can be fitted by the customer to reduce the diameter.

The number of spokes can vary with grey cast iron toothed belt pulleys.
Special features:
RoHS
DownloadHere is all the information as a PDF datasheet:

Are you looking for CAD data? These can be found directly in the product table.
 Datasheet 22004 Toothed pulleys profile HTD 8M 262 kB
 Technical information for toothed belts 22062 725 kB

Drawings (total overview)

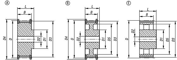
Toothed pulleys profile HTD 8M
Toothed pulleys profile HTD 8M

Toothed pulleys profile HTD 8M, for 20 mm wide belts

More information

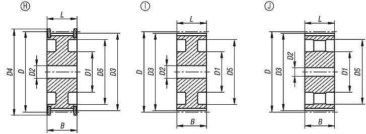
Drawings

Toothed pulleys profile HTD 8M, for 20 mm wide belts

Item selection/filter

Order No.FormMain
material
No. of
teeth
DD1
max.
D2
max.
D3D4
max.
D5BLCADAcc.PriceOrder
22004-0820018Asteel1845,84321244,4651-2838 on request
22004-0820020Asteel2050,93361249,5657-2838 on request
22004-0820022Asteel2256,02431254,6562-2838 on request
22004-0820024Asteel2461,12491259,7467-2838 on request
22004-0820026Asteel2666,21501264,8473-2838 on request
22004-0820028Asteel2871,3551469,9377-2838 on request
22004-0820030Asteel3076,39601475,0284-2838 on request
22004-0820032Asteel3281,49641480,1288-2838 on request
22004-0820034Asteel3486,58701485,2194-2838 on request
22004-0820036Asteel3691,67751490,398-2838 on request
22004-0820038Asteel3896,77801495,39104-2838 on request
22004-0820040Asteel40101,868514100,49108-2838 on request
22004-0820044Agrey cast iron44112,059614110,67121-2838 on request
22004-0820048Agrey cast iron48122,2310414120,86129-2838 on request
22004-0820056Bgrey cast iron56142,68014141,231501172838 on request
22004-0820060Bgrey cast iron60152,798014151,421581272838 on request
22004-0820064Bgrey cast iron64162,978014161,61681372838 on request
22004-0820072Bgrey cast iron72183,358018181,971921582838 on request
22004-0820080Egrey cast iron80203,729014202,35-1792838 on request
22004-0820084Egrey cast iron84213,99014212,53-1902838 on request
22004-0820090Egrey cast iron90229,189014227,81-2042838 on request
22004-0820112Egrey cast iron112285,219020283,83-2602838 on request
22004-0820144Egrey cast iron144366,699020365,32-3422838 on request
22004-0820168Egrey cast iron168427,810020426,42-4032838 on request
22004-0820192Egrey cast iron192488,9210020487,54-4652838 on request

Toothed pulleys profile HTD 8M, for 30 mm wide belts

More information

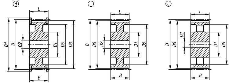
Drawings

Toothed pulleys profile HTD 8M, for 30 mm wide belts

Item selection/filter

Order No.FormMain
material
No. of
teeth
DD1
max.
D2
max.
D3D4
max.
D5BLCADAcc.PriceOrder
22004-0830018Asteel1845,84321244,4651-3848 on request
22004-0830020Asteel2050,93361249,5657-3848 on request
22004-0830022Asteel2256,02431254,6562-3848 on request
22004-0830024Asteel2461,12491259,7467-3848 on request
22004-0830026Asteel2666,21501264,8473-3848 on request
22004-0830028Asteel2871,3551469,9377-3848 on request
22004-0830030Asteel3076,39601475,0284-3848 on request
22004-0830032Asteel3281,49641480,1288-3848 on request
22004-0830034Asteel3486,58701485,2194-3848 on request
22004-0830036Asteel3691,67751490,398-3848 on request
22004-0830038Asteel3896,77801495,39104-3848 on request
22004-0830040Asteel40101,868514100,49108-3848 on request
22004-0830044Agrey cast iron44112,059614110,67121-3848 on request
22004-0830048Agrey cast iron48122,2310414120,86129-3848 on request
22004-0830056Bgrey cast iron56142,69014141,231501173848 on request
22004-0830060Bgrey cast iron60152,799014151,421581273848 on request
22004-0830064Bgrey cast iron64162,979014161,61681373848 on request
22004-0830072Bgrey cast iron72183,359514181,971921583848 on request
22004-0830080Egrey cast iron80203,7210014202,35-1793848 on request
22004-0830084Egrey cast iron84213,910014212,53-1903848 on request
22004-0830090Egrey cast iron90229,1810014227,81-2043848 on request
22004-0830112Egrey cast iron112285,2110020283,83-2603848 on request
22004-0830144Egrey cast iron144366,6910020365,32-3423848 on request
22004-0830168Egrey cast iron168427,810020426,42-4033848 on request
22004-0830192Egrey cast iron192488,9210020487,54-4653848 on request

Toothed pulleys profile HTD 8M, for 50 mm wide belts

More information

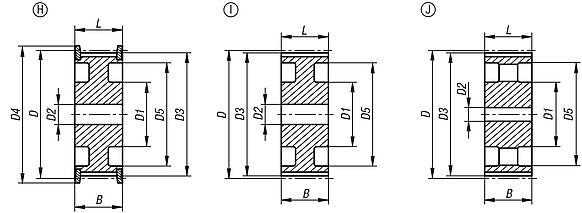
Drawings

Toothed pulleys profile HTD 8M, for 50 mm wide belts
Toothed pulleys profile HTD 8M, for 50 mm wide belts

Item selection/filter

Order No.FormMain
material
No. of
teeth
DD1
max.
D2
max.
D3D4
max.
D5BLCADAcc.PriceOrder
22004-0850018Asteel1845,84321244,4651-6070 on request
22004-0850020Asteel2050,93361249,5657-6070 on request
22004-0850022Asteel2256,02431254,6562-6070 on request
22004-0850024Asteel2461,12491259,7467-6070 on request
22004-0850026Asteel2666,21501264,8473-6070 on request
22004-0850028Asteel2871,3551469,9377-6070 on request
22004-0850030Asteel3076,39601475,0284-6070 on request
22004-0850032Asteel3281,49641480,1288-6070 on request
22004-0850034Asteel3486,58701485,2194-6070 on request
22004-0850036Asteel3691,67751490,398-6070 on request
22004-0850038Asteel3896,77801495,39104-6070 on request
22004-0850040Asteel40101,868514100,49108-6070 on request
22004-0850044Agrey cast iron44112,059614110,67121-6070 on request
22004-0850048Agrey cast iron48122,2310414120,86129-6070 on request
22004-0850056Hgrey cast iron56142,69018141,231501176060 on request
22004-0850060Hgrey cast iron60152,7910018151,421581276060 on request
22004-0850064Hgrey cast iron64162,9710018161,61681376060 on request
22004-0850072Hgrey cast iron72183,3510018181,971921586060 on request
22004-0850080Igrey cast iron80203,7211018202,35-1796060 on request
22004-0850090Jgrey cast iron90229,1811018227,81-2046060 on request
22004-0850112Jgrey cast iron112285,2111020283,83-2606060 on request
22004-0850144Jgrey cast iron144366,6911020365,32-3426060 on request
22004-0850168Jgrey cast iron168427,812020426,42-4036060 on request
22004-0850192Jgrey cast iron192488,9213020487,54-4656060 on request
My norelemE-mailPassword
Shopping cart
Number of items: 0
Amount: 0.00  
shopping cart
欢迎扫描二维码
咨询诺瑞朗官方客服微信
China
苏ICP备20011289号-1  苏公网安备32058502011222 Sitemap Print Recommended Top
Copyright © 2025 norelem. All rights reserved. Tel. +49 71 45/206-44 to 45 · Fax +49 71 45/206-83