norelem uses cookies to optimally design and continually improve the website. By continuing to use this website, you agree to the use of cookies. You can find more information about cookies in our Data protection declaration.okay

Item description/product images

Show/filter all items
DescriptionMaterial:Steel.
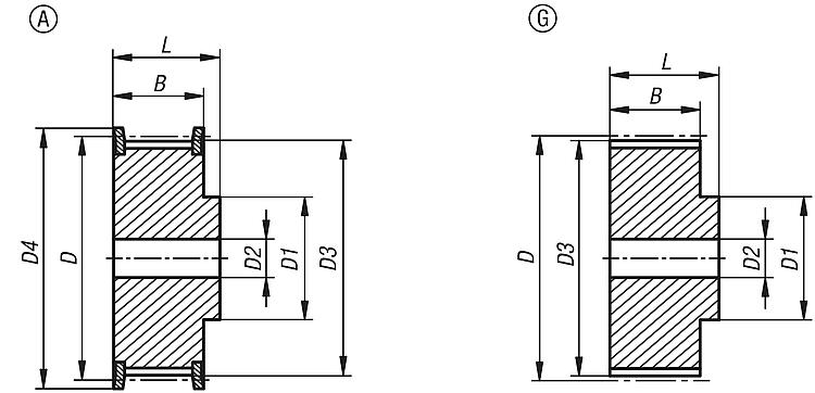
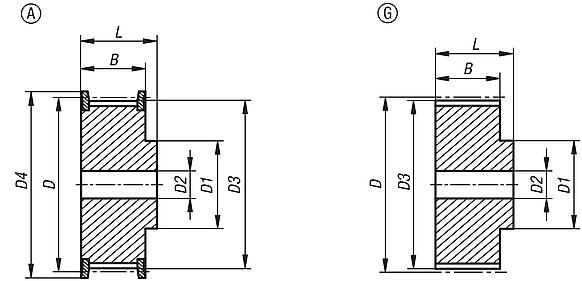
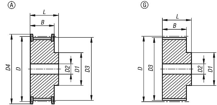
Toothed pulleys without aluminium rim flanges.
Version:Steel phosphated.
Aluminium bright.
Note:Standard HTD profile with metric graduation (semicircular toothing). At least one toothed belt pulley must have a rim flange. The toothed belt pulleys have a centre bore or are pre-drilled (this can vary due to production methods). For this reason, the dimension D2 max. given in the table is the maximum diameter of the bore that the toothed belt pulleys are supplied with. This pilot hole/centre bore can be customised with a reamed hole, reamed hole with keyway or a tapped hole by the customer. Alternatively, bushes can be fitted by the customer to reduce the diameter.
To reduce weight, the toothed belt pulleys may have a recess on one face.
Special features:
RoHS
DownloadHere is all the information as a PDF datasheet:

Are you looking for CAD data? These can be found directly in the product table.
 Datasheet 22004 Toothed pulleys profile HTD 5M 193 kB
 Technical information for toothed belts 22062 725 kB

Drawings (total overview)

Toothed pulleys profile HTD 5M

Toothed pulleys profile HTD 5M, for 15 mm wide belts

More information

Drawings

Toothed pulleys profile HTD 5M, for 15 mm wide belts

Item selection/filter

Order No.belt widthFormMain
material
No. of
teeth
DD1
max.
D2
max.
D3D4
max.
BLCADAcc.PriceOrder
22004-05151215Asteel1219,113617,962320,526 on request
22004-05151415Asteel1422,2814621,142520,526 on request
22004-05151515Asteel1523,8716622,732820,526 on request
22004-05151615Asteel1625,4716,5624,322820,526 on request
22004-05151815Asteel1828,6520627,513220,526 on request
22004-05152015Asteel2031,8323630,693620,526 on request
22004-05152115Asteel2133,4224632,283820,526 on request
22004-05152215Asteel2235,0125,5633,873920,526 on request
22004-05152415Asteel2438,1927637,064220,528 on request
22004-05152615Asteel2641,3830640,244620,528 on request
22004-05152815Asteel2844,5630,5643,425020,528 on request
22004-05153015Asteel3047,7535846,615120,528 on request
22004-05153215Asteel3250,9338849,795520,528 on request
22004-05153615Asteel3657,338856,166220,528 on request
22004-05154015Asteel4063,6638862,527120,528 on request
22004-05154415Galuminium4470,0338868,89-20,530 on request
22004-05154815Galuminium4876,3945875,25-20,530 on request
22004-05156015Galuminium6095,4950894,35-20,530 on request
22004-05157215Galuminium72114,59508113,45-20,530 on request

Toothed pulleys profile HTD 5M, for 25 mm wide belts

More information

Drawings

Toothed pulleys profile HTD 5M, for 25 mm wide belts

Item selection/filter

Order No.belt widthFormMain
material
No. of
teeth
DD1
max.
D2
max.
D3D4
max.
BLCADAcc.PriceOrder
22004-05251225Asteel1219,113617,96233036 on request
22004-05251425Asteel1422,2814621,14253036 on request
22004-05251525Asteel1523,8716622,73283036 on request
22004-05251625Asteel1625,4716,5624,32283036 on request
22004-05251825Asteel1828,6520627,51323036 on request
22004-05252025Asteel2031,8323630,69363036 on request
22004-05252125Asteel2133,4224632,28383038 on request
22004-05252225Asteel2235,0125,5633,87393038 on request
22004-05252425Asteel2438,1927637,06423038 on request
22004-05252625Asteel2641,3830640,24463038 on request
22004-05252825Asteel2844,5630,5643,42503038 on request
22004-05253025Asteel3047,7535846,61513038 on request
22004-05253225Asteel3250,9338849,79553038 on request
22004-05253625Asteel3657,338856,16623038 on request
22004-05254025Asteel4063,6638862,52713038 on request
22004-05254425Galuminium4470,0338868,89-3040 on request
22004-05254825Galuminium4876,3945875,25-3040 on request
22004-05256025Galuminium6095,4950894,35-3040 on request
22004-05257225Galuminium72114,59508113,45-3040 on request
My norelemE-mailPassword
Shopping cart
Number of items: 0
Amount: 0.00  
shopping cart
欢迎扫描二维码
咨询诺瑞朗官方客服微信
China
苏ICP备20011289号-1  苏公网安备32058502011222 Sitemap Print Recommended Top
Copyright © 2025 norelem. All rights reserved. Tel. +49 71 45/206-44 to 45 · Fax +49 71 45/206-83