|
|
|
06370 inchTension levers internal thread - inch |
go back |
|
|
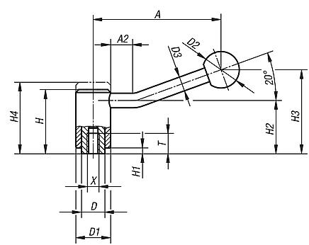
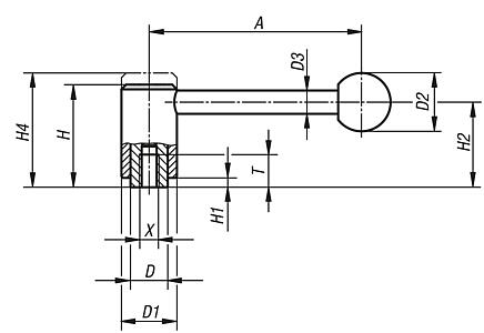
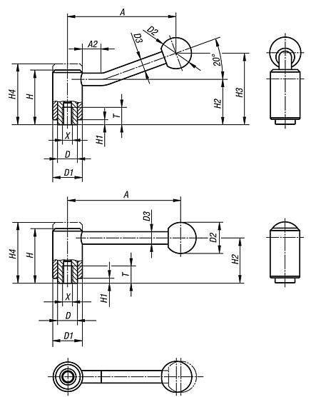
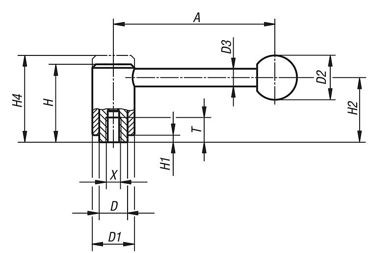
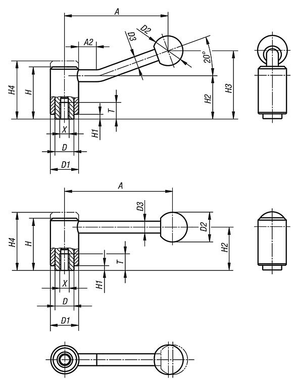
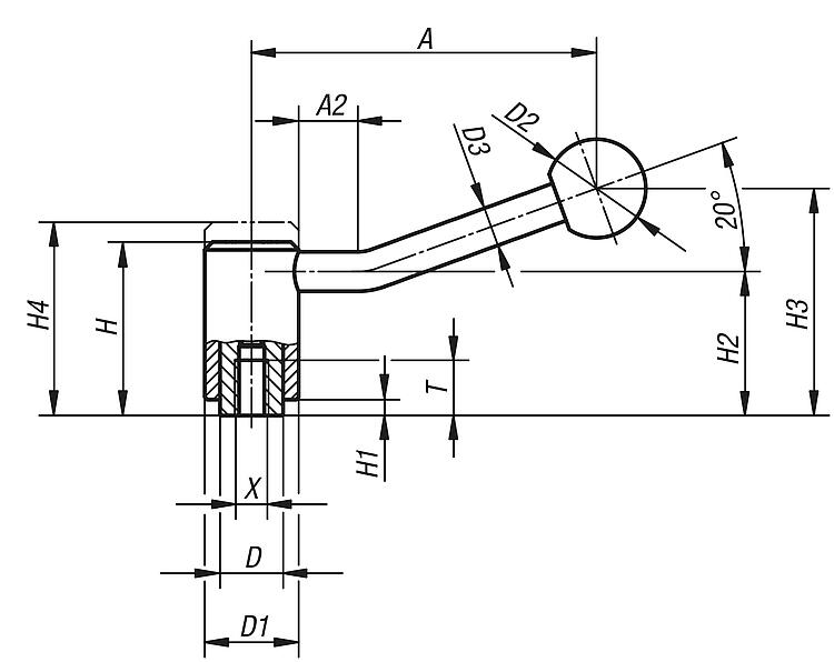
DescriptionMaterial:Steel parts grade 5.8. Ball knob black plastic.Version:Powder-coated with fine texture, black.Note:For the inch series, dimension X is in inches, all other dimensions are in mm.On request:Other threads and special versions. Dimensions “H1” and “A” available in other lengths at extra charge.Special features: DownloadHere is all the information as a PDF datasheet:
Are you looking for CAD data? These can be found directly in the product table.
|
Drawings (total overview) |
| Order No. | Form | X | T | A=Handle length | D | D1 | D2 | D3 | H | H1 | H2 | H4 | No. of teeth | CAD | Acc. | Price | Order |
|---|
| 06370-1A32 | 0° | 5/16-18 | 14 | 92 | 16 | 24 | 25 | 10 | 44,5 | 4,5 | 37 | 49,5 | 22 |  | | on request | | | 06370-1A42 | 0° | 3/8-16 | 14 | 92 | 16 | 24 | 25 | 10 | 44,5 | 4,5 | 37 | 49,5 | 22 |  | | on request | | | 06370-2A42 | 0° | 3/8-16 | 17 | 111 | 19 | 28 | 32 | 12 | 51,5 | 5,5 | 42 | 57,5 | 24 |  | | on request | | | 06370-2A52 | 0° | 1/2-13 | 17 | 111 | 19 | 28 | 32 | 12 | 51,5 | 5,5 | 42 | 57,5 | 24 |  | | on request | | | 06370-3A52 | 0° | 1/2-13 | 23 | 134,5 | 23 | 33 | 32 | 13 | 58 | 6 | 47 | 65 | 26 |  | | on request | | | 06370-3A62 | 0° | 5/8-11 | 23 | 134,5 | 23 | 33 | 32 | 13 | 58 | 6 | 47 | 65 | 26 |  | | on request | | | 06370-4A62 | 0° | 5/8-11 | 27 | 134 | 30 | 41 | 32 | 13 | 68,5 | 7,5 | 56,5 | 76,5 | 36 |  | | on request | | | 06370-4A72 | 0° | 3/4-10 | 27 | 134 | 30 | 41 | 32 | 13 | 68,5 | 7,5 | 56,5 | 76,5 | 36 |  | | on request | |
|
| Order No. | Form | X | T | A | A2 | D | D1 | D2 | D3 | H | H1 | H2 | H3 | H4 | No. of teeth | CAD | Acc. | Price | Order |
|---|
| 06370-1A31 | 20° | 5/16-18 | 14 | 88 | 15 | 16 | 24 | 25 | 10 | 44,5 | 4,5 | 37 | 58,5 | 49,5 | 22 |  | | on request | | | 06370-1A41 | 20° | 3/8-16 | 14 | 88 | 15 | 16 | 24 | 25 | 10 | 44,5 | 4,5 | 37 | 58,5 | 49,5 | 22 |  | | on request | | | 06370-2A41 | 20° | 3/8-16 | 17 | 106 | 15 | 19 | 28 | 32 | 12 | 51,5 | 5,5 | 42 | 68,5 | 57,5 | 24 |  | | on request | | | 06370-2A51 | 20° | 1/2-13 | 17 | 106 | 15 | 19 | 28 | 32 | 12 | 51,5 | 5,5 | 42 | 68,5 | 57,5 | 24 |  | | on request | | | 06370-3A51 | 20° | 1/2-13 | 23 | 128,5 | 15 | 23 | 33 | 32 | 13 | 58 | 6 | 47 | 81 | 65 | 26 |  | | on request | | | 06370-3A61 | 20° | 5/8-11 | 23 | 128,5 | 15 | 23 | 33 | 32 | 13 | 58 | 6 | 47 | 81 | 65 | 26 |  | | on request | | | 06370-4A61 | 20° | 5/8-11 | 27 | 128,5 | 15 | 30 | 41 | 32 | 13 | 68,5 | 7,5 | 56,5 | 89,5 | 76,5 | 36 |  | | on request | | | 06370-4A71 | 20° | 3/4-10 | 27 | 128,5 | 15 | 30 | 41 | 32 | 13 | 68,5 | 7,5 | 56,5 | 89,5 | 76,5 | 36 |  | | on request | |
|
Other items in this category |
|
|