|
|
|
06380 inchTension levers external thread - inch |
go back |
|
|
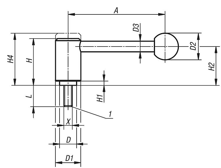
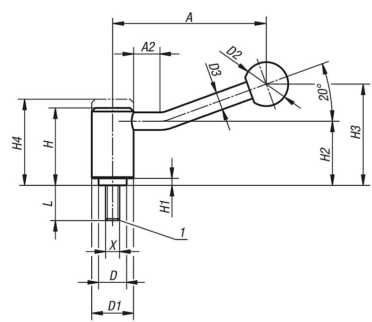
DescriptionMaterial:Steel parts grade 5.8. Ball knob black plastic.Version:Powder-coated with fine texture, black.On request:Other threads, screw lengths and special versions. Dimensions “H1” and “A” available in other lengths at extra charge.Drawing reference:1) flat point DIN EN ISO 4753 Special features: DownloadHere is all the information as a PDF datasheet:
Are you looking for CAD data? These can be found directly in the product table.
|
Drawings (total overview) |
| Order No. | Form | X | L | A=Handle length | D | D1 | D2 | D3 | H | H1 | H2 | H4 | No. of teeth | CAD | Acc. | Price | Order |
|---|
| 06380-1A32X20 | 0° | 5/16-18 | 20 | 92 | 16 | 24 | 25 | 10 | 44,5 | 4,5 | 37 | 49,5 | 22 |  | | on request | | | 06380-1A32X25 | 0° | 5/16-18 | 25 | 92 | 16 | 24 | 25 | 10 | 44,5 | 4,5 | 37 | 49,5 | 22 |  | | on request | | | 06380-1A32X30 | 0° | 5/16-18 | 30 | 92 | 16 | 24 | 25 | 10 | 44,5 | 4,5 | 37 | 49,5 | 22 |  | | on request | | | 06380-1A32X40 | 0° | 5/16-18 | 40 | 92 | 16 | 24 | 25 | 10 | 44,5 | 4,5 | 37 | 49,5 | 22 |  | | on request | | | 06380-1A32X50 | 0° | 5/16-18 | 50 | 92 | 16 | 24 | 25 | 10 | 44,5 | 4,5 | 37 | 49,5 | 22 |  | | on request | | | 06380-1A32X60 | 0° | 5/16-18 | 60 | 92 | 16 | 24 | 25 | 10 | 44,5 | 4,5 | 37 | 49,5 | 22 |  | | on request | | | 06380-1A42X20 | 0° | 3/8-16 | 20 | 92 | 16 | 24 | 25 | 10 | 44,5 | 4,5 | 37 | 49,5 | 22 |  | | on request | | | 06380-1A42X25 | 0° | 3/8-16 | 25 | 92 | 16 | 24 | 25 | 10 | 44,5 | 4,5 | 37 | 49,5 | 22 |  | | on request | | | 06380-1A42X30 | 0° | 3/8-16 | 30 | 92 | 16 | 24 | 25 | 10 | 44,5 | 4,5 | 37 | 49,5 | 22 |  | | on request | | | 06380-1A42X40 | 0° | 3/8-16 | 40 | 92 | 16 | 24 | 25 | 10 | 44,5 | 4,5 | 37 | 49,5 | 22 |  | | on request | | | 06380-1A42X50 | 0° | 3/8-16 | 50 | 92 | 16 | 24 | 25 | 10 | 44,5 | 4,5 | 37 | 49,5 | 22 |  | | on request | | | 06380-1A42X60 | 0° | 3/8-16 | 60 | 92 | 16 | 24 | 25 | 10 | 44,5 | 4,5 | 37 | 49,5 | 22 |  | | on request | | | 06380-1A52X20 | 0° | 1/2-13 | 20 | 92 | 16 | 24 | 25 | 10 | 44,5 | 4,5 | 37 | 49,5 | 22 |  | | on request | | | 06380-1A52X25 | 0° | 1/2-13 | 25 | 92 | 16 | 24 | 25 | 10 | 44,5 | 4,5 | 37 | 49,5 | 22 |  | | on request | | | 06380-1A52X30 | 0° | 1/2-13 | 30 | 92 | 16 | 24 | 25 | 10 | 44,5 | 4,5 | 37 | 49,5 | 22 |  | | on request | | | 06380-1A52X40 | 0° | 1/2-13 | 40 | 92 | 16 | 24 | 25 | 10 | 44,5 | 4,5 | 37 | 49,5 | 22 |  | | on request | | | 06380-1A52X50 | 0° | 1/2-13 | 50 | 92 | 16 | 24 | 25 | 10 | 44,5 | 4,5 | 37 | 49,5 | 22 |  | | on request | | | 06380-1A52X60 | 0° | 1/2-13 | 60 | 92 | 16 | 24 | 25 | 10 | 44,5 | 4,5 | 37 | 49,5 | 22 |  | | on request | | | 06380-2A52X20 | 0° | 1/2-13 | 20 | 111 | 19 | 28 | 32 | 12 | 51,5 | 5,5 | 42 | 57,5 | 24 |  | | on request | | | 06380-2A52X25 | 0° | 1/2-13 | 25 | 111 | 19 | 28 | 32 | 12 | 51,5 | 5,5 | 42 | 57,5 | 24 |  | | on request | | | 06380-2A52X30 | 0° | 1/2-13 | 30 | 111 | 19 | 28 | 32 | 12 | 51,5 | 5,5 | 42 | 57,5 | 24 |  | | on request | | | 06380-2A52X40 | 0° | 1/2-13 | 40 | 111 | 19 | 28 | 32 | 12 | 51,5 | 5,5 | 42 | 57,5 | 24 |  | | on request | | | 06380-2A52X50 | 0° | 1/2-13 | 50 | 111 | 19 | 28 | 32 | 12 | 51,5 | 5,5 | 42 | 57,5 | 24 |  | | on request | | | 06380-2A52X60 | 0° | 1/2-13 | 60 | 111 | 19 | 28 | 32 | 12 | 51,5 | 5,5 | 42 | 57,5 | 24 |  | | on request | | | 06380-3A52X20 | 0° | 1/2-13 | 20 | 134,5 | 23 | 33 | 32 | 13 | 58 | 6 | 47 | 65 | 26 |  | | on request | | | 06380-3A52X25 | 0° | 1/2-13 | 25 | 134,5 | 23 | 33 | 32 | 13 | 58 | 6 | 47 | 65 | 26 |  | | on request | | | 06380-3A52X30 | 0° | 1/2-13 | 30 | 134,5 | 23 | 33 | 32 | 13 | 58 | 6 | 47 | 65 | 26 |  | | on request | | | 06380-3A52X40 | 0° | 1/2-13 | 40 | 134,5 | 23 | 33 | 32 | 13 | 58 | 6 | 47 | 65 | 26 |  | | on request | | | 06380-3A52X50 | 0° | 1/2-13 | 50 | 134,5 | 23 | 33 | 32 | 13 | 58 | 6 | 47 | 65 | 26 |  | | on request | | | 06380-3A52X60 | 0° | 1/2-13 | 60 | 134,5 | 23 | 33 | 32 | 13 | 58 | 6 | 47 | 65 | 26 |  | | on request | | | 06380-3A62X20 | 0° | 5/8-11 | 20 | 134,5 | 23 | 33 | 32 | 13 | 58 | 6 | 47 | 65 | 26 |  | | on request | | | 06380-3A62X25 | 0° | 5/8-11 | 25 | 134,5 | 23 | 33 | 32 | 13 | 58 | 6 | 47 | 65 | 26 |  | | on request | | | 06380-3A62X30 | 0° | 5/8-11 | 30 | 134,5 | 23 | 33 | 32 | 13 | 58 | 6 | 47 | 65 | 26 |  | | on request | | | 06380-3A62X40 | 0° | 5/8-11 | 40 | 134,5 | 23 | 33 | 32 | 13 | 58 | 6 | 47 | 65 | 26 |  | | on request | | | 06380-3A62X50 | 0° | 5/8-11 | 50 | 134,5 | 23 | 33 | 32 | 13 | 58 | 6 | 47 | 65 | 26 |  | | on request | | | 06380-3A62X60 | 0° | 5/8-11 | 60 | 134,5 | 23 | 33 | 32 | 13 | 58 | 6 | 47 | 65 | 26 |  | | on request | | | 06380-4A62X30 | 0° | 5/8-11 | 30 | 134 | 30 | 41 | 32 | 13 | 68,5 | 7,5 | 56,5 | 76,5 | 36 |  | | on request | | | 06380-4A62X40 | 0° | 5/8-11 | 40 | 134 | 30 | 41 | 32 | 13 | 68,5 | 7,5 | 56,5 | 76,5 | 36 |  | | on request | | | 06380-4A62X50 | 0° | 5/8-11 | 50 | 134 | 30 | 41 | 32 | 13 | 68,5 | 7,5 | 56,5 | 76,5 | 36 |  | | on request | | | 06380-4A62X60 | 0° | 5/8-11 | 60 | 134 | 30 | 41 | 32 | 13 | 68,5 | 7,5 | 56,5 | 76,5 | 36 |  | | on request | | | 06380-4A72X30 | 0° | 3/4-10 | 30 | 134 | 30 | 41 | 32 | 13 | 68,5 | 7,5 | 56,5 | 76,5 | 36 |  | | on request | | | 06380-4A72X40 | 0° | 3/4-10 | 40 | 134 | 30 | 41 | 32 | 13 | 68,5 | 7,5 | 56,5 | 76,5 | 36 |  | | on request | | | 06380-4A72X50 | 0° | 3/4-10 | 50 | 134 | 30 | 41 | 32 | 13 | 68,5 | 7,5 | 56,5 | 76,5 | 36 |  | | on request | | | 06380-4A72X60 | 0° | 3/4-10 | 60 | 134 | 30 | 41 | 32 | 13 | 68,5 | 7,5 | 56,5 | 76,5 | 36 |  | | on request | |
|
| Order No. | Form | X | L | A=Handle length | A2 | D | D1 | D2 | D3 | H | H1 | H2 | H3 | H4 | No. of teeth | CAD | Acc. | Price | Order |
|---|
| 06380-1A31X20 | 20° | 5/16-18 | 20 | 88 | 15 | 16 | 24 | 25 | 10 | 44,5 | 4,5 | 37 | 58,5 | 49,5 | 22 |  | | on request | | | 06380-1A31X25 | 20° | 5/16-18 | 25 | 88 | 15 | 16 | 24 | 25 | 10 | 44,5 | 4,5 | 37 | 58,5 | 49,5 | 22 |  | | on request | | | 06380-1A31X30 | 20° | 5/16-18 | 30 | 88 | 15 | 16 | 24 | 25 | 10 | 44,5 | 4,5 | 37 | 58,5 | 49,5 | 22 |  | | on request | | | 06380-1A31X40 | 20° | 5/16-18 | 40 | 88 | 15 | 16 | 24 | 25 | 10 | 44,5 | 4,5 | 37 | 58,5 | 49,5 | 22 |  | | on request | | | 06380-1A31X50 | 20° | 5/16-18 | 50 | 88 | 15 | 16 | 24 | 25 | 10 | 44,5 | 4,5 | 37 | 58,5 | 49,5 | 22 |  | | on request | | | 06380-1A31X60 | 20° | 5/16-18 | 60 | 88 | 15 | 16 | 24 | 25 | 10 | 44,5 | 4,5 | 37 | 58,5 | 49,5 | 22 |  | | on request | | | 06380-1A41X20 | 20° | 3/8-16 | 20 | 88 | 15 | 16 | 24 | 25 | 10 | 44,5 | 4,5 | 37 | 58,5 | 49,5 | 22 |  | | on request | | | 06380-1A41X25 | 20° | 3/8-16 | 25 | 88 | 15 | 16 | 24 | 25 | 10 | 44,5 | 4,5 | 37 | 58,5 | 49,5 | 22 |  | | on request | | | 06380-1A41X30 | 20° | 3/8-16 | 30 | 88 | 15 | 16 | 24 | 25 | 10 | 44,5 | 4,5 | 37 | 58,5 | 49,5 | 22 |  | | on request | | | 06380-1A41X40 | 20° | 3/8-16 | 40 | 88 | 15 | 16 | 24 | 25 | 10 | 44,5 | 4,5 | 37 | 58,5 | 49,5 | 22 |  | | on request | | | 06380-1A41X50 | 20° | 3/8-16 | 50 | 88 | 15 | 16 | 24 | 25 | 10 | 44,5 | 4,5 | 37 | 58,5 | 49,5 | 22 |  | | on request | | | 06380-1A41X60 | 20° | 3/8-16 | 60 | 88 | 15 | 16 | 24 | 25 | 10 | 44,5 | 4,5 | 37 | 58,5 | 49,5 | 22 |  | | on request | | | 06380-1A51X20 | 20° | 1/2-13 | 20 | 88 | 15 | 16 | 24 | 25 | 10 | 44,5 | 4,5 | 37 | 58,5 | 49,5 | 22 |  | | on request | | | 06380-1A51X25 | 20° | 1/2-13 | 25 | 88 | 15 | 16 | 24 | 25 | 10 | 44,5 | 4,5 | 37 | 58,5 | 49,5 | 22 |  | | on request | | | 06380-1A51X30 | 20° | 1/2-13 | 30 | 88 | 15 | 16 | 24 | 25 | 10 | 44,5 | 4,5 | 37 | 58,5 | 49,5 | 22 |  | | on request | | | 06380-1A51X40 | 20° | 1/2-13 | 40 | 88 | 15 | 16 | 24 | 25 | 10 | 44,5 | 4,5 | 37 | 58,5 | 49,5 | 22 |  | | on request | | | 06380-1A51X50 | 20° | 1/2-13 | 50 | 88 | 15 | 16 | 24 | 25 | 10 | 44,5 | 4,5 | 37 | 58,5 | 49,5 | 22 |  | | on request | | | 06380-1A51X60 | 20° | 1/2-13 | 60 | 88 | 15 | 16 | 24 | 25 | 10 | 44,5 | 4,5 | 37 | 58,5 | 49,5 | 22 |  | | on request | | | 06380-2A51X20 | 20° | 1/2-13 | 20 | 106 | 15 | 19 | 28 | 32 | 12 | 51,5 | 5,5 | 42 | 68,5 | 57,5 | 24 |  | | on request | | | 06380-2A51X25 | 20° | 1/2-13 | 25 | 106 | 15 | 19 | 28 | 32 | 12 | 51,5 | 5,5 | 42 | 68,5 | 57,5 | 24 |  | | on request | | | 06380-2A51X30 | 20° | 1/2-13 | 30 | 106 | 15 | 19 | 28 | 32 | 12 | 51,5 | 5,5 | 42 | 68,5 | 57,5 | 24 |  | | on request | | | 06380-2A51X40 | 20° | 1/2-13 | 40 | 106 | 15 | 19 | 28 | 32 | 12 | 51,5 | 5,5 | 42 | 68,5 | 57,5 | 24 |  | | on request | | | 06380-2A51X50 | 20° | 1/2-13 | 50 | 106 | 15 | 19 | 28 | 32 | 12 | 51,5 | 5,5 | 42 | 68,5 | 57,5 | 24 |  | | on request | | | 06380-2A51X60 | 20° | 1/2-13 | 60 | 106 | 15 | 19 | 28 | 32 | 12 | 51,5 | 5,5 | 42 | 68,5 | 57,5 | 24 |  | | on request | | | 06380-3A51X20 | 20° | 1/2-13 | 20 | 128,5 | 15 | 23 | 33 | 32 | 13 | 58 | 6 | 47 | 81 | 65 | 26 |  | | on request | | | 06380-3A51X25 | 20° | 1/2-13 | 25 | 128,5 | 15 | 23 | 33 | 32 | 13 | 58 | 6 | 47 | 81 | 65 | 26 |  | | on request | | | 06380-3A51X30 | 20° | 1/2-13 | 30 | 128,5 | 15 | 23 | 33 | 32 | 13 | 58 | 6 | 47 | 81 | 65 | 26 |  | | on request | | | 06380-3A51X40 | 20° | 1/2-13 | 40 | 128,5 | 15 | 23 | 33 | 32 | 13 | 58 | 6 | 47 | 81 | 65 | 26 |  | | on request | | | 06380-3A51X50 | 20° | 1/2-13 | 50 | 128,5 | 15 | 23 | 33 | 32 | 13 | 58 | 6 | 47 | 81 | 65 | 26 |  | | on request | | | 06380-3A51X60 | 20° | 1/2-13 | 60 | 128,5 | 15 | 23 | 33 | 32 | 13 | 58 | 6 | 47 | 81 | 65 | 26 |  | | on request | | | 06380-3A61X20 | 20° | 5/8-11 | 20 | 128,5 | 15 | 23 | 33 | 32 | 13 | 58 | 6 | 47 | 81 | 65 | 26 |  | | on request | | | 06380-3A61X25 | 20° | 5/8-11 | 25 | 128,5 | 15 | 23 | 33 | 32 | 13 | 58 | 6 | 47 | 81 | 65 | 26 |  | | on request | | | 06380-3A61X30 | 20° | 5/8-11 | 30 | 128,5 | 15 | 23 | 33 | 32 | 13 | 58 | 6 | 47 | 81 | 65 | 26 |  | | on request | | | 06380-3A61X40 | 20° | 5/8-11 | 40 | 128,5 | 15 | 23 | 33 | 32 | 13 | 58 | 6 | 47 | 81 | 65 | 26 |  | | on request | | | 06380-3A61X50 | 20° | 5/8-11 | 50 | 128,5 | 15 | 23 | 33 | 32 | 13 | 58 | 6 | 47 | 81 | 65 | 26 |  | | on request | | | 06380-3A61X60 | 20° | 5/8-11 | 60 | 128,5 | 15 | 23 | 33 | 32 | 13 | 58 | 6 | 47 | 81 | 65 | 26 |  | | on request | | | 06380-4A61X30 | 20° | 5/8-11 | 30 | 128,5 | 15 | 30 | 41 | 32 | 13 | 68,5 | 7,5 | 56,5 | 89,5 | 76,5 | 36 |  | | on request | | | 06380-4A61X40 | 20° | 5/8-11 | 40 | 128,5 | 15 | 30 | 41 | 32 | 13 | 68,5 | 7,5 | 56,5 | 89,5 | 76,5 | 36 |  | | on request | | | 06380-4A61X50 | 20° | 5/8-11 | 50 | 128,5 | 15 | 30 | 41 | 32 | 13 | 68,5 | 7,5 | 56,5 | 89,5 | 76,5 | 36 |  | | on request | | | 06380-4A61X60 | 20° | 5/8-11 | 60 | 128,5 | 15 | 30 | 41 | 32 | 13 | 68,5 | 7,5 | 56,5 | 89,5 | 76,5 | 36 |  | | on request | | | 06380-4A71X30 | 20° | 3/4-10 | 30 | 128,5 | 15 | 30 | 41 | 32 | 13 | 68,5 | 7,5 | 56,5 | 89,5 | 76,5 | 36 |  | | on request | | | 06380-4A71X40 | 20° | 3/4-10 | 40 | 128,5 | 15 | 30 | 41 | 32 | 13 | 68,5 | 7,5 | 56,5 | 89,5 | 76,5 | 36 |  | | on request | | | 06380-4A71X50 | 20° | 3/4-10 | 50 | 128,5 | 15 | 30 | 41 | 32 | 13 | 68,5 | 7,5 | 56,5 | 89,5 | 76,5 | 36 |  | | on request | | | 06380-4A71X60 | 20° | 3/4-10 | 60 | 128,5 | 15 | 30 | 41 | 32 | 13 | 68,5 | 7,5 | 56,5 | 89,5 | 76,5 | 36 |  | | on request | |
|
Other items in this category |
|
|