norelem uses cookies to optimally design and continually improve the website. By continuing to use this website, you agree to the use of cookies. You can find more information about cookies in our Data protection declaration.okay
Tension levers flat internal thread - inch
06390 inch

Tension levers flat internal thread - inch

go back

Item description/product images

DescriptionMaterial:Steel parts grade 5.8.
Ball knob black plastic.
Version:Black oxidised.Note:For the inch series, dimension X is in inches, all other dimensions are in mm.On request:Other threads and special versions.
Dimensions “H1” and “A” available in other lengths at extra charge.
Special features:
RoHS
DownloadHere is all the information as a PDF datasheet:

Are you looking for CAD data? These can be found directly in the product table.
 Datasheet 06390 inch Tension levers flat with internal thread, inch 226 kB

Tension levers flat, with internal thread, 0° - inch

More information

Drawings

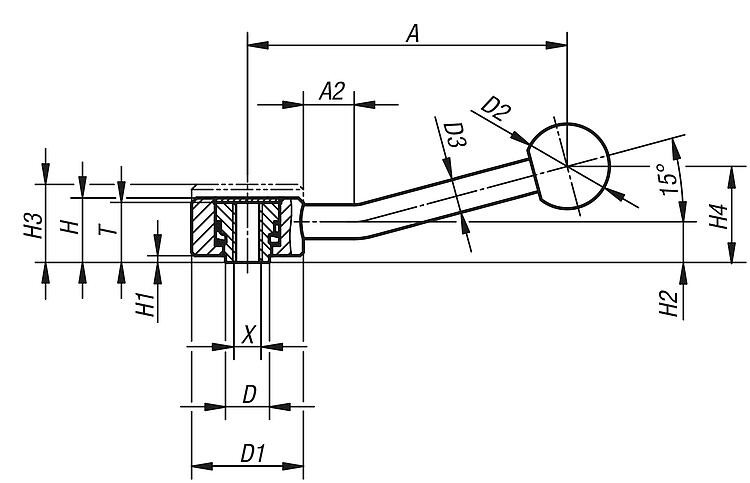
Tension levers flat, with internal thread, 0° - inch

Item selection/filter

Order No.FormXTADD1D2D3HH1H2H3No. of
teeth
CADAcc.PriceOrder
06390-1A211/4-201810213,5332510192122326 on request
06390-1A315/16-181810213,5332510192122326 on request
06390-2A413/8-16211311941301222213,52630 on request
06390-2A511/2-13211311941301222213,52630 on request
06390-3A511/2-132714823453714282173336 on request
06390-3A615/8-112714823453714282173336 on request

Tension levers flat, internal thread, 15° - inch

More information

Drawings

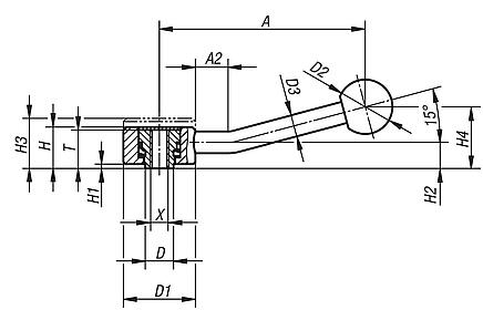
Tension levers flat, internal thread, 15° - inch

Item selection/filter

Order No.FormXTAA2DD1D2D3HH1H2H3H4No. of
teeth
CADAcc.PriceOrder
06390-1A2215°1/4-20181001513,533251019212232926 on request
06390-1A3215°5/16-18181001513,533251019212232926 on request
06390-2A4215°3/8-1621127151941301222213,5263830 on request
06390-2A5215°1/2-1321127151941301222213,5263830 on request
06390-3A5215°1/2-1327145152345371428217334836 on request
06390-3A6215°5/8-1127145152345371428217334836 on request
My norelemE-mailPassword
Shopping cart
Number of items: 0
Amount: 0.00  
shopping cart
欢迎扫描二维码
咨询诺瑞朗官方客服微信
China
苏ICP备20011289号-1  苏公网安备32058502011222 Sitemap Print Recommended Top
Copyright © 2025 norelem. All rights reserved. Tel. +49 71 45/206-44 to 45 · Fax +49 71 45/206-83