|
|
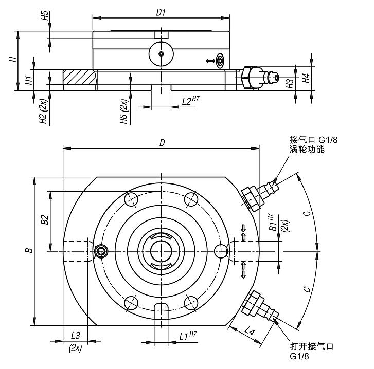
产品说明材料:钢制底板。 渗碳钢夹紧模块。规格:底板两侧磨光并氧化。 夹紧模块功能表面经过硬化和研磨处理。提示:完全装配好的夹持站,带有集成的 UNILOCK ESM138-C 夹持模块。夹持站通过夹紧钳或直接螺栓固定到机床工作台上。 利用基准孔 25H7 和基准槽 20H7 可以对准夹持站。 夹紧模块通过气动连接集中驱动。 内置的弹簧组实现了高夹持力(在无压力状态下张紧)。 通过气动压力松开。
UNILOCK 夹紧销与固定螺钉 M10、M12、M16 配合使用时可能产生以下保持力: - 保持力 (M10) 35,000 N/模块 - 保持力 (M12) 50,000 N/模块 - 保持力 (M16) 75,000 N/模块 圆柱头螺钉 DIN EN ISO 4762 -12.9 的保持力
夹紧销只能在夹持模块中与已安装的可互换单元一起夹紧。技术参数:- 开启压力:6 bar,润油空气。 - 接气口:G1/8。 - 重复精度 ≤ 0.005 mm。 - 基准孔 25H7 和基准槽 20H7,用于对准夹持站。温度范围:+5 °C 至 +60 °C。根据要求:特殊尺寸的夹紧工作站。附件:- 用于 UNILOCK 夹持站的 UNILOCK 夹紧钳 42751-20。 - UNILOCK 夹紧销 42208。 - 用于零点夹紧系统的 UNILOCK 更换托盘 42755。 - 用于夹持模块的 UNILOCK 保护螺栓 42796。 - 用于夹持模块 42796 的 UNILOCK 盖罩。 - 用于 UNILOCK 夹持站的连接条 42797。供货范围- 夹持站。 - 气动插塞连接。 - 操作说明。特点: 下载此处为收集信息的 PDF:
查找 CAD 数据?请直接在产品列表中查找。
|
| 订货号 | 类型 2 | 形状类型 | B | B1 | B2 | C (度) | D | D1 | H | H1 | H2 | CAD | 配件 | 价格 | 订购 |
|---|
| 42756-1000198150601 | 1 次 | 带防扭转保护 | 150 | 20 | 60 | 30 | 198 | 138 | 60 | 21 | 6 |  | | 根据要求 | |
| 订货号 | 类型 2 | H3 | H4 | H5 | H6 | L1 | L2 | L3 | L4 | 牵引力 kN | 牵引力 带涡轮增压器 kN | CAD | 配件 | 价格 | 订购 |
|---|
| 42756-1000198150601 | 1 次 | 13 | 25,4 | 8 | 6 | 14 | 20 | 25 | 37 | 8 | 28 |  | | 根据要求 | |
|
|