norelem 使用 Cookies 以优化设计和持续改进网页。您通过继续使用网页,同意使用 Cookies。在我们的数据保护声明中可以找到有关 Cookies 主题的详细信息。同意
UNILOCK 双工位夹持站
42756

UNILOCK 双工位夹持站

返回

商品描述/产品说明

产品说明材料:钢制底板。
渗碳钢夹紧模块。
规格:底板两侧磨光并氧化。
夹紧模块功能表面经过硬化和研磨处理。
提示:完全装配好的夹持站,带有集成的 UNILOCK ESM138-C 夹持模块。夹持站通过夹紧钳或直接螺栓固定到机床工作台上。
利用基准孔 25H7 和基准槽 20H7 可以对准夹持站。
夹紧模块通过气动连接集中驱动。
内置的弹簧组实现了高夹持力(在无压力状态下张紧)。
通过气动压力松开。

UNILOCK 夹紧销与固定螺钉 M10、M12、M16 配合使用时可能产生以下保持力:
- 保持力 (M10) 35,000 N/模块
- 保持力 (M12) 50,000 N/模块
- 保持力 (M16) 75,000 N/模块
圆柱头螺钉 DIN EN ISO 4762 -12.9 的保持力

夹紧销只能在夹持模块中与已安装的可互换单元一起夹紧。
技术参数:- 开启压力:6 bar,润油空气。
- 接气口:G1/8。
- 重复精度 ≤ 0.005 mm。
- 基准孔 25H7 和基准槽 20H7,用于对准夹持站。
温度范围:+5 °C 至 +60 °C。根据要求:特殊尺寸的夹紧工作站。附件:- 用于 UNILOCK 夹持站的 UNILOCK 夹紧钳 42751-20。
- UNILOCK 夹紧销 42208。
- 用于零点夹紧系统的 UNILOCK 更换托盘 42755。
- 用于夹持模块的 UNILOCK 保护螺栓 42796。
- 用于夹持模块 42796 的 UNILOCK 盖罩。
- 用于 UNILOCK 夹持站的连接条 42797。
供货范围- 夹持站。
- 气动插塞连接。
- 操作说明。
图纸提示:
1) 不带扭转止动器
2) 带扭转止动器
特点:
下载此处为收集信息的 PDF:

查找 CAD 数据?请直接在产品列表中查找。
 Datasheet 42756 UNILOCK 双工位夹持站 258 kB

图片(总概述)

UNILOCK 双工位夹持站

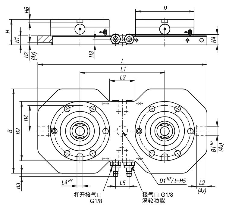
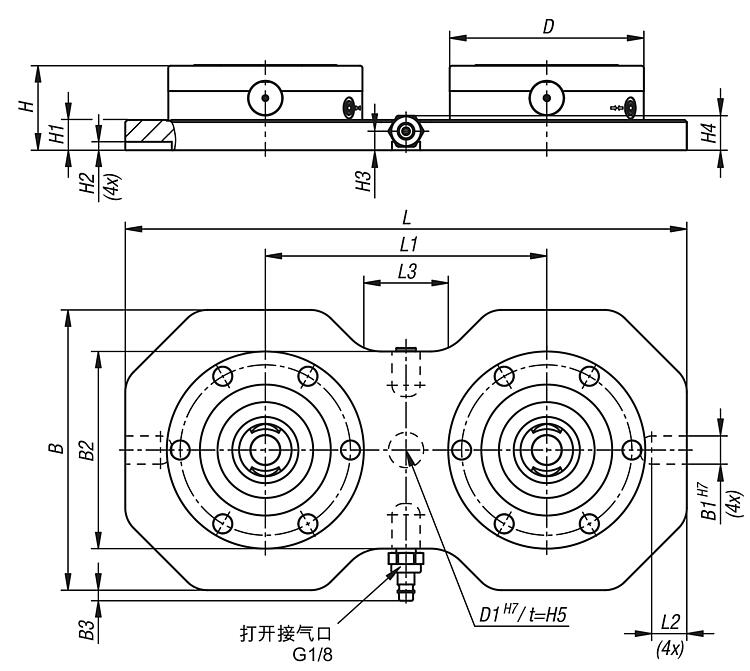
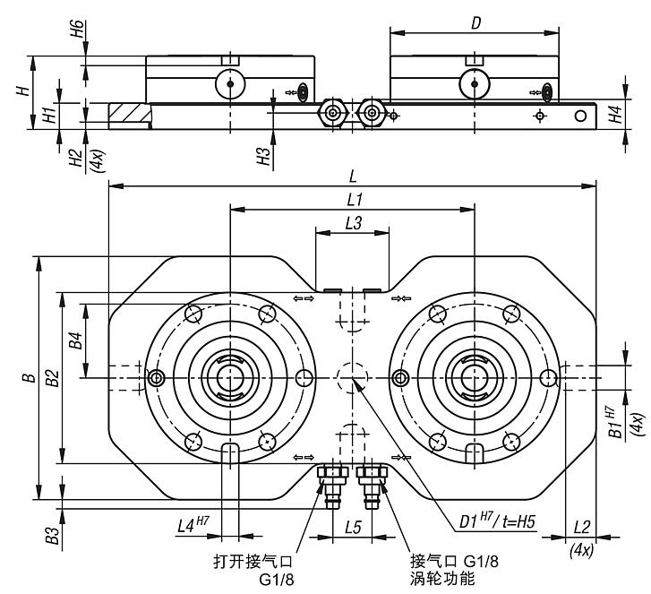
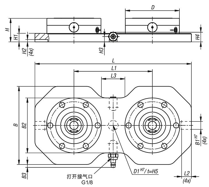
UNILOCK 双工位夹持站,不带扭转止动器

更多信息

图纸

UNILOCK 双工位夹持站,不带扭转止动器

商品选择/筛选

订货号类型 2形状类型BB1B2B3D

D1HH1H2H3H4H5LL1L2L3牵引力
kN
CAD配件价格订购
42756-2200399199600双工位无扭转止动器199201407,5138256021,5613,525,95,5399200256016根据要求

UNILOCK 双工位夹持站,带扭转止动器

更多信息

图纸

UNILOCK 双工位夹持站,带扭转止动器

商品选择/筛选

订货号类型 2形状类型BB1B2B3B4D

D1HH1H2H3CAD配件价格订购
42756-2200399199601双工位带防扭转保护199201407,560138256021,5613,5根据要求
订货号H4H5H6LL1L2L3L4L5牵引力
kN
牵引力
带涡轮增压器
kN
CAD配件价格订购
42756-220039919960125,95,58399200256014321656根据要求
我的 norelemE-Mail密码
购物车
商品数量: 0
总数: 0.00  
点击购物车
欢迎扫描二维码
咨询诺瑞朗官方客服微信
中国
苏ICP备20011289号-1  苏公网安备32058502011222 网页地图 打印 推荐 Top
Copyright © 2025 norelem. 保留所有权利。 电话 +49 71 45/206-44 至 45 · 传真 +49 71 45/206-83