norelem 使用 Cookies 以优化设计和持续改进网页。您通过继续使用网页,同意使用 Cookies。在我们的数据保护声明中可以找到有关 Cookies 主题的详细信息。同意
灰口铸铁工装板 带预加工夹紧面
01148

灰口铸铁工装板 带预加工夹紧面

返回

商品描述/产品说明

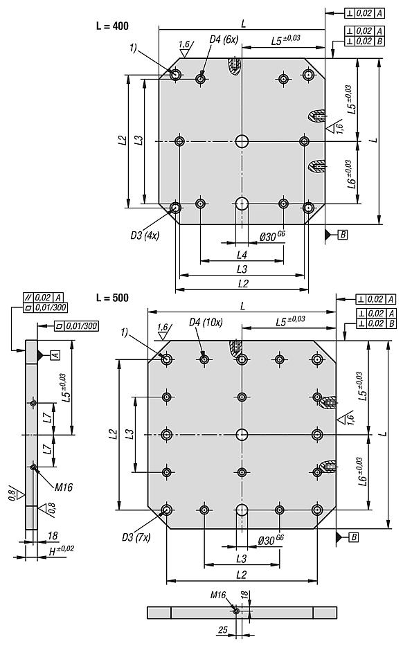
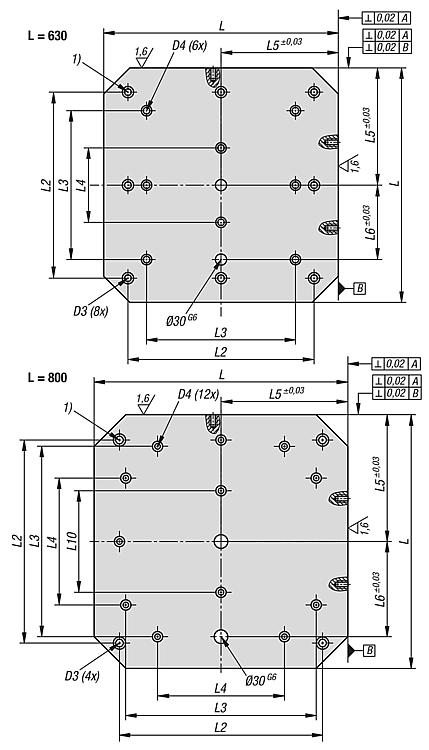
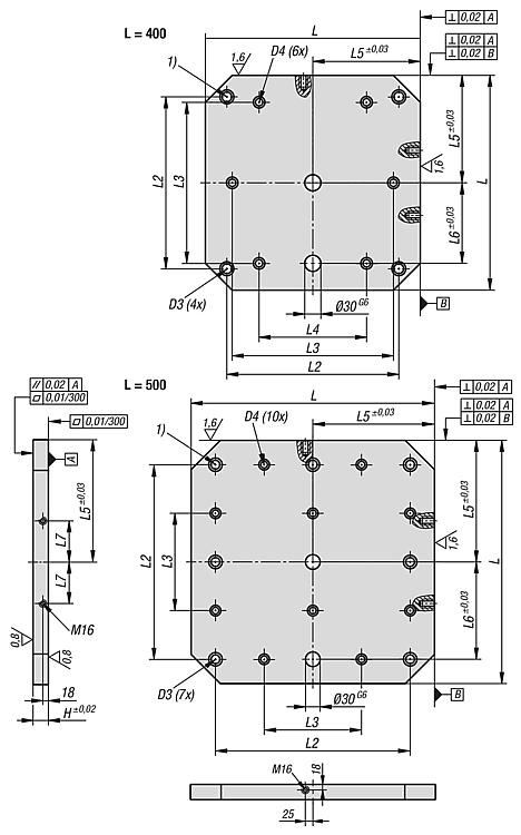
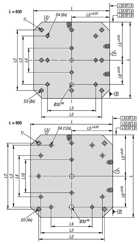
产品说明材料:GJL 300.规格:支撑面和夹紧面经打磨处理。提示:带预加工夹紧面的工装板提供了一种快速、经济的方式,用于生产具有特殊栅格或单独钻孔的主体。工装板适配于 DIN55201 和 JIS6337-1980 标准机床的机台。
用于将工装板插在 DIN 55201 机台上的定位销,须另行订购。
供货清单包括用于吊装的环形螺栓。
应要求提供其他尺寸。
图纸提示:
1) 内六角螺栓的通孔 DIN 912 (D3/D4)
特点:
RoHS
下载此处为收集信息的 PDF:

查找 CAD 数据?请直接在产品列表中查找。
 Datasheet 01148 灰口铸铁工装板 带预加工夹紧面 241 kB
 定位基础元件的技术资料 1,6 MB

图纸

灰口铸铁工装板 带预加工夹紧面
灰口铸铁工装板 带预加工夹紧面

商品选择/筛选

订货号LH

D3D4L2L3L4L5L6L7L10CAD配件价格订购
01148-100404040050M16M1232030020020015055- 根据要求
01148-100505050050M16M12400200-25020075- 根据要求
01148-100636363050M16M16500400200315200100- 根据要求
01148-100808080050M16M16640600400400300135320 根据要求
我的 norelemE-Mail密码
购物车
商品数量: 0
总数: 0.00  
点击购物车
欢迎扫描二维码
咨询诺瑞朗官方客服微信
中国
苏ICP备20011289号-1  苏公网安备32058502011222 网页地图 打印 推荐 Top
Copyright © 2025 norelem. 保留所有权利。 电话 +49 71 45/206-44 至 45 · 传真 +49 71 45/206-83