norelem 使用 Cookies 以优化设计和持续改进网页。您通过继续使用网页,同意使用 Cookies。在我们的数据保护声明中可以找到有关 Cookies 主题的详细信息。同意

商品描述/产品说明

查看/筛选所有商品
产品说明材料:GJL 250 经退火处理。提示:

根据要求提供带开槽的托盘。


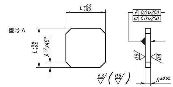
A 型:
支撑面经打磨处理 (Ra 0.8)。


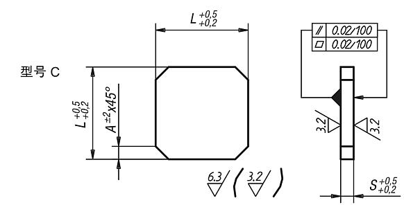
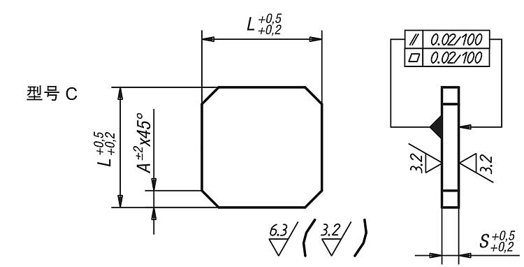
C 型:
支撑面和侧面经铣削处理 (Ra 3.2)。

特点:
RoHS
下载此处为收集信息的 PDF:

查找 CAD 数据?请直接在产品列表中查找。
 Datasheet 01150 托盘,灰口铸铁 165 kB

图片(总概述)

托盘,灰口铸铁

托盘,灰口铸铁,A 型

更多信息

图纸

托盘,灰口铸铁,A 型

商品选择/筛选

订货号型号LSACAD配件价格订购
01150-001A2002525 根据要求
01150-002A2503535 根据要求
01150-004A3204040 根据要求
01150-006A4004550 根据要求
01150-008A5005060 根据要求

托盘,灰口铸铁,C 型

更多信息

图纸

托盘,灰口铸铁,C 型

商品选择/筛选

订货号型号LSACAD配件价格订购
01150-00111C2002525 根据要求
01150-00211C2503535 根据要求
01150-00411C3204040 根据要求
01150-00611C4004550 根据要求
01150-00811C5005060 根据要求
我的 norelemE-Mail密码
购物车
商品数量: 0
总数: 0.00  
点击购物车
欢迎扫描二维码
咨询诺瑞朗官方客服微信
中国
苏ICP备20011289号-1  苏公网安备32058502011222 网页地图 打印 推荐 Top
Copyright © 2025 norelem. 保留所有权利。 电话 +49 71 45/206-44 至 45 · 传真 +49 71 45/206-83