norelem 使用 Cookies 以优化设计和持续改进网页。您通过继续使用网页,同意使用 Cookies。在我们的数据保护声明中可以找到有关 Cookies 主题的详细信息。同意
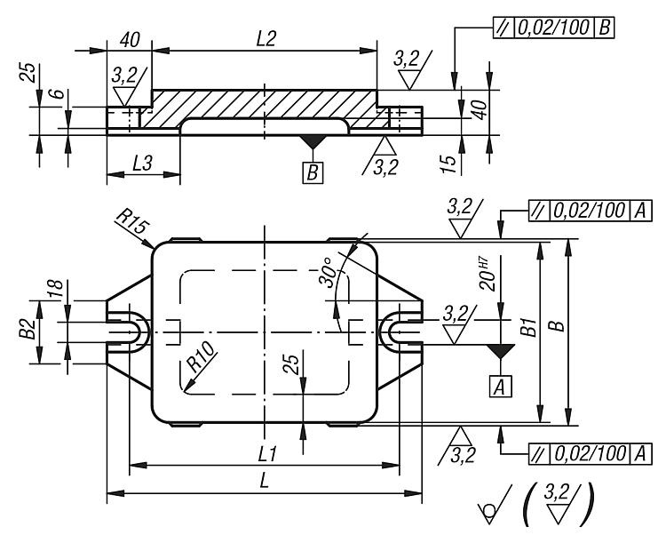
底板,带法兰,灰口铸铁
01180

底板,带法兰,灰口铸铁

返回

商品描述/产品说明

产品说明材料:GJL 250 经退火处理。特点:
RoHS
下载此处为收集信息的 PDF:

查找 CAD 数据?请直接在产品列表中查找。
 Datasheet 01180 底板,带法兰,灰口铸铁 205 kB

图纸

底板,带法兰,灰口铸铁

商品选择/筛选

订货号LL1L2L3B

B1B2CAD配件价格订购
01180-012402001606516616056 根据要求
01180-022802402006516616056 根据要求
01180-033302902507020620074 根据要求
01180-043953553157525625074 根据要求
我的 norelemE-Mail密码
购物车
商品数量: 0
总数: 0.00  
点击购物车
欢迎扫描二维码
咨询诺瑞朗官方客服微信
中国
苏ICP备20011289号-1  苏公网安备32058502011222 网页地图 打印 推荐 Top
Copyright © 2025 norelem. 保留所有权利。 电话 +49 71 45/206-44 至 45 · 传真 +49 71 45/206-83