norelem 使用 Cookies 以优化设计和持续改进网页。您通过继续使用网页,同意使用 Cookies。在我们的数据保护声明中可以找到有关 Cookies 主题的详细信息。同意

商品描述/产品说明

查看/筛选所有商品
产品说明材料:主体为调质钢,
顶珠为滚动轴承钢 1.2067。
D 型:顶珠带 POM 嵌入件
H 型:顶珠带 POM 嵌入件
K 型:顶珠带硬质合金嵌入件
M 型:顶珠为硬质合金。
规格:主体经调质和磷化处理。
顶珠硬化处理。
M 型顶珠镀镍。
提示:自调整支撑垫在夹具制造中充当挡块、定位垫块、支撑块使用。

顶珠防转动保险。

* 仅在遵守了最小钻孔深度的时候适用。
图纸提示:
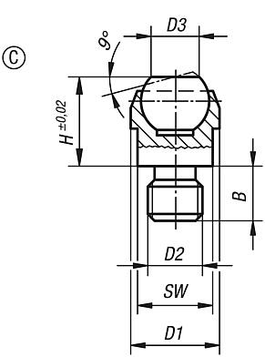
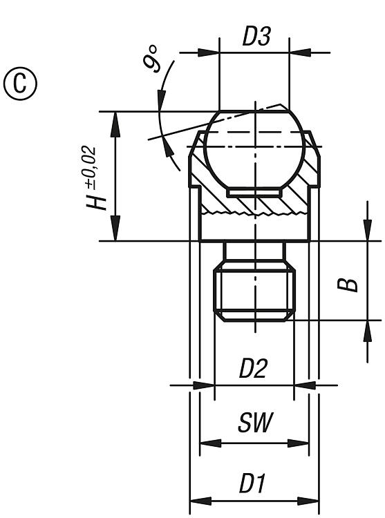
C 型:带外螺纹,扁平球体,平面
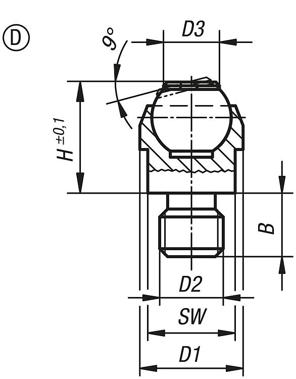
D 型:带外螺纹,扁平球体,带 POM 嵌入件
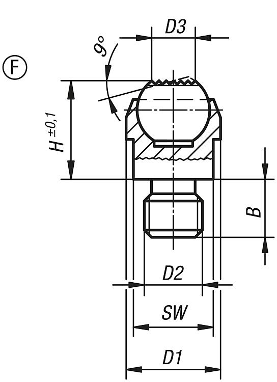
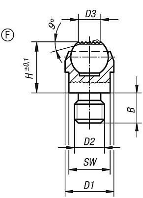
F 型:带外螺纹,扁平球体,带槽纹
M 型:带外螺纹,扁平球体,带硬质合金嵌入件
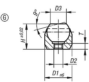
G 型:带配合支座,扁平球体,平面
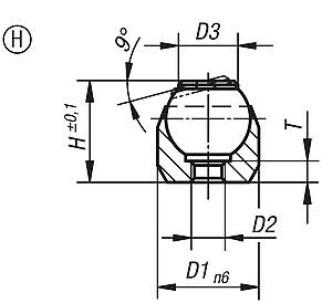
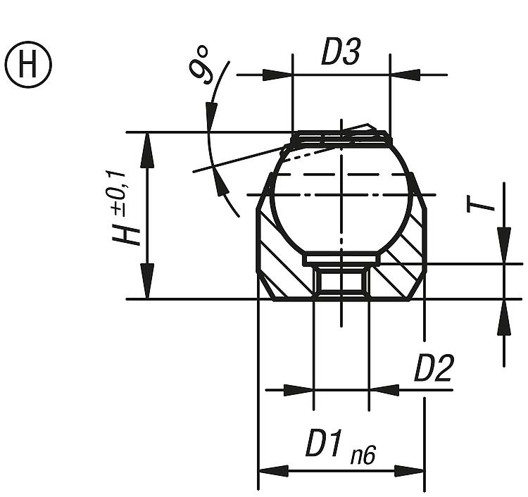
H 型:带配合支座,扁平球体,带 POM 嵌入件
J 型:带配合支座,扁平球体,带槽纹
K 型:带配合支座,扁平球体,带硬质合金嵌入件
下载此处为收集信息的 PDF:

查找 CAD 数据?请直接在产品列表中查找。
 Datasheet 02000 自调整支撑垫 358 kB

图片(总概述)

自调整支撑垫

自适应球头端面,C 型,带外螺纹,平头顶珠,平整

更多信息

图纸

自适应球头端面,C 型,带外螺纹,平头顶珠,平整

商品选择/筛选

订货号

类型BD1D2D3H顶珠 øSW负载能力
max. kN
(静态负载)
CAD配件价格订购
02000-108C813M87,213101110 根据要求
02000-110C1020M1010,518161725 根据要求
02000-112C1220M1210,518161725 根据要求
02000-116C1630M162027252790 根据要求
02000-120C2050M2034,5354041165 根据要求

自适应球头端面,D 型,带外螺纹,平头顶珠,平整,带 POM 嵌入件

更多信息

图纸

自适应球头端面,D 型,带外螺纹,平头顶珠,平整,带 POM 嵌入件

商品选择/筛选

订货号

类型BD1D2D3H顶珠 øSW负载能力
max. kN
(静态负载)
CAD配件价格订购
02000-208D813M87,913101110 根据要求
02000-210D1020M1012,718161725 根据要求
02000-212D1220M1212,718161725 根据要求

自适应球头端面,F 型,带外螺纹,平头顶珠,齿面

更多信息

图纸

自适应球头端面,F 型,带外螺纹,平头顶珠,齿面

商品选择/筛选

订货号类型BD1D2D3H顶珠 øSW负载能力
max. kN
(静态负载)
CAD配件价格订购
02000-308F813M87,213101110 根据要求
02000-310F1020M1010,518161725 根据要求
02000-312F1220M1210,518161725 根据要求
02000-316F1630M162027252790 根据要求
02000-320F2050M2034,5354041165 根据要求

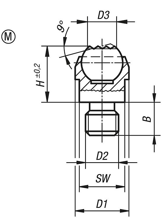
自适应球头端面,M 型,带外螺纹,平头顶珠,齿面

更多信息

图纸

自适应球头端面,M 型,带外螺纹,平头顶珠,齿面

商品选择/筛选

订货号类型BD1D2D3H顶珠 øSW负载能力
max. kN
(静态负载)
CAD配件价格订购
02000-908M813M87,713,3101110 根据要求
02000-910M1020M101218161725 根据要求
02000-912M1220M121218161725 根据要求

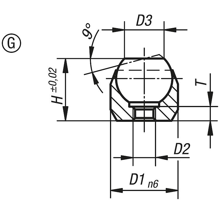
自适应球头端面,G 型,压配,平头顶珠,平整

更多信息

图纸

自适应球头端面,G 型,压配,平头顶珠,平整

商品选择/筛选

订货号类型D1D2D3HT顶珠 ø安装孔负载能力
max. kN
(静态负载)
CAD配件价格订购
02000-403G12M37,2113,510ø 12 H7X6 min.10* 根据要求
02000-404G18M410,5174,416ø 18 H7X8 min.25* 根据要求
02000-405G28M520256,325ø 28 H7X13 min.90* 根据要求

自适应球头端面,H 型,压配,平头顶珠,平整,带 POM 嵌入件

更多信息

图纸

自适应球头端面,H 型,压配,平头顶珠,平整,带 POM 嵌入件

商品选择/筛选

订货号类型D1D2D3HT顶珠 ø安装孔负载能力
max. kN
(静态负载)
CAD配件价格订购
02000-503H12M37,911310ø 12 H7X6 min.10* 根据要求
02000-504H18M412,717416ø 18 H7X8 min.25* 根据要求
02000-505H28M519,0525625ø 28 H7X13 min.90* 根据要求

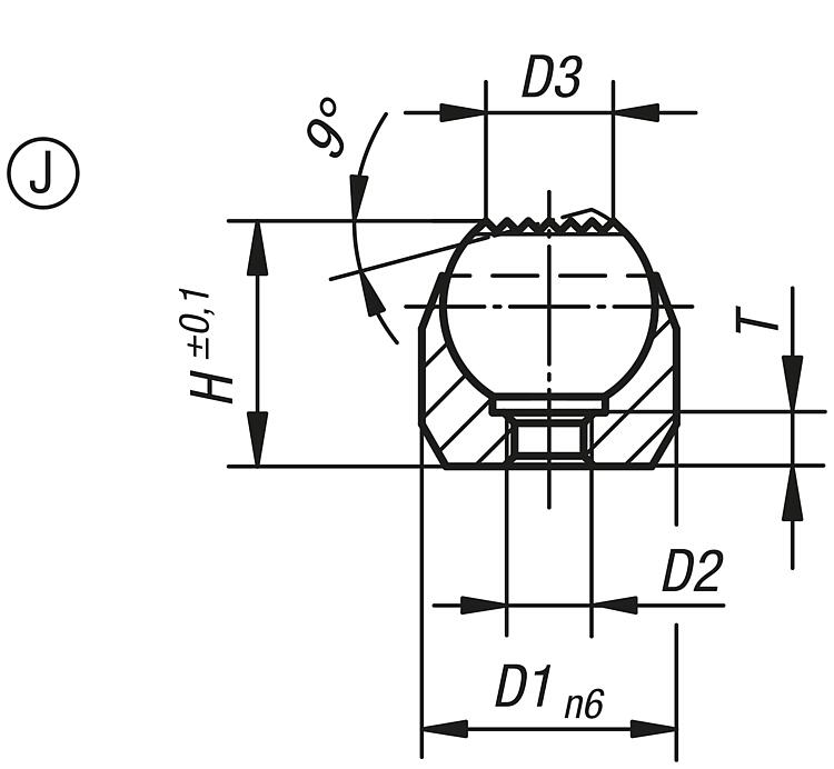
自适应球头端面,J 型,压配,平头顶珠,带面

更多信息

图纸

自适应球头端面,J 型,压配,平头顶珠,带面

商品选择/筛选

订货号类型D1D2D3HT顶珠 ø安装孔负载能力
max. kN
(静态负载)
CAD配件价格订购
02000-603J12M37,2113,510ø 12 H7X6 min.10* 根据要求
02000-604J18M410,5174,416ø 18 H7X8 min.25* 根据要求
02000-605J28M520256,325ø 28 H7X13 min.90* 根据要求

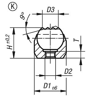
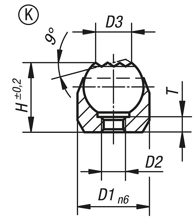
自适应球头端面,K 型,压配,平头顶珠,平整,带硬质合金嵌入件

更多信息

图纸

自适应球头端面,K 型,压配,平头顶珠,平整,带硬质合金嵌入件

商品选择/筛选

订货号类型D1D2D3HT顶珠 ø安装孔负载能力
max. kN
(静态负载)
CAD配件价格订购
02000-803K12M37,911310ø 12 H7X6 min.10* 根据要求
02000-804K18M412,717416ø 18 H7X8 min.25* 根据要求
02000-805K28M519,0525625ø 28 H7X13 min.90* 根据要求
我的 norelemE-Mail密码
购物车
商品数量: 0
总数: 0.00  
点击购物车
欢迎扫描二维码
咨询诺瑞朗官方客服微信
中国
苏ICP备20011289号-1  苏公网安备32058502011222 网页地图 打印 推荐 Top
Copyright © 2025 norelem. 保留所有权利。 电话 +49 71 45/206-44 至 45 · 传真 +49 71 45/206-83