|
|
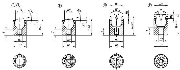
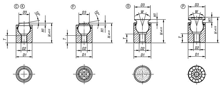
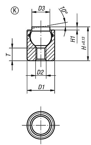
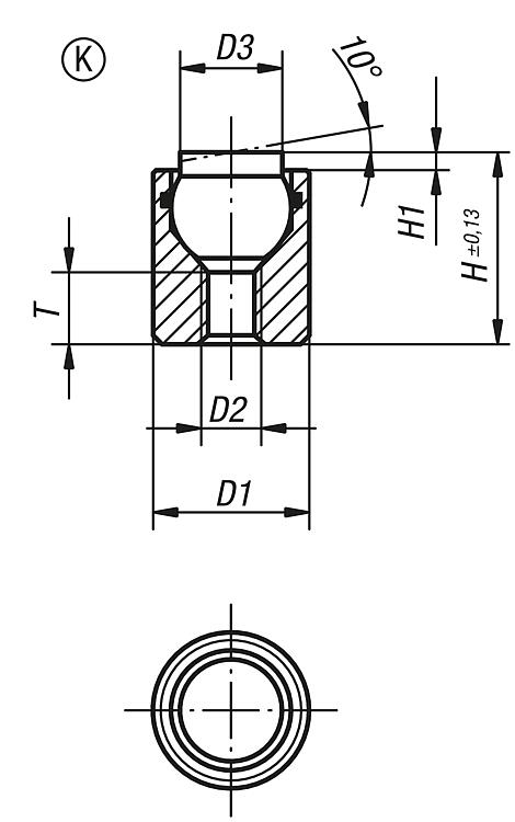
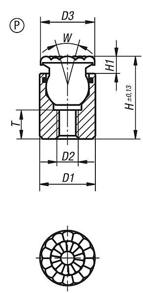
产品说明材料:调质钢主体。 顶珠: C、F 型为工具钢。 K 型为 POM。 O 型为不锈钢,金刚石表面。 P 型为不锈钢,聚氨酯表面。规格:主体经调质和和黑色氧化处理。 顶珠: C、F 型经硬化,黑色氧化处理。 K 型 POM 顶珠为白色。 O 型,表面类似 100 磨削粒度。 P 型,配聚氨酯硬度达到 60° 邵氏硬度。提示:自调整支撑垫用于对未经加工和经加工的工件进行支撑和夹紧。 此外,其还在夹具与刀具制造中充当挡块、垫块和压紧块。
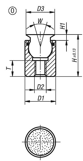
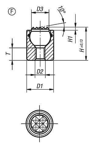
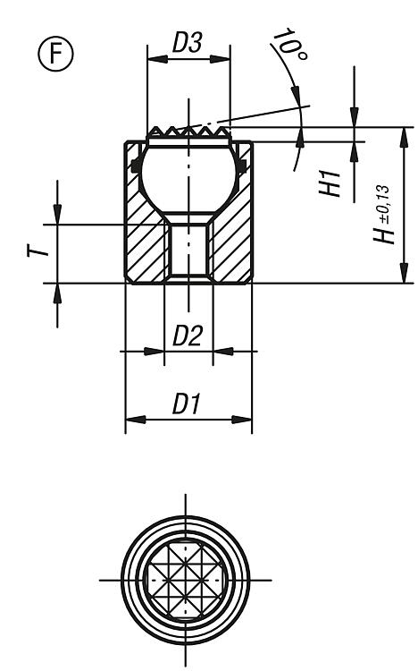
顶珠防转动保险。
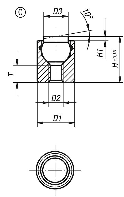
O 型:耐研磨的金刚石表面和顶珠固定熔接。尤其适用微弱夹紧力之下光滑和滑动应用的防滑固定。期间金刚石颗粒可以向非常小的表面传输极高的保持力,并将表面损坏降至最低。金刚石表面拥有优异的抗磨损性能。
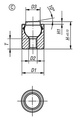
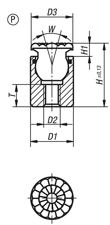
P 型:聚氨酯表面在顶珠上稳定硫化。具备耐研磨性和不褪色性。为敏感表面提供最佳保护,防止其受损。珠状表面实现较高的保持力,并保障空气逸出,确保接触面和摆动支架之间不会产生吸力。优点:内置的 O 型圈可防止脏污和异物颗粒的进入,确保稳定可靠。图纸提示:C 型:平头钢制顶珠,平面 F 型:平头钢制顶珠,齿面 K 型:平头 POM 顶珠,平面 O 型:不锈钢顶珠,金刚石表面 P 型:不锈钢顶珠,聚氨酯表面 下载此处为收集信息的 PDF:
查找 CAD 数据?请直接在产品列表中查找。
|
|
|
|
自适应球头端面,带 O 型圈,O 型,不锈钢顶珠,金刚石表面 |
更多信息 |
| 订货号 | 类型 | D1 | D2 | D3 | H | H1 | T | W | 顶珠 ø | 负载能力 max. kN (静态负载) | CAD | 配件 | 价格 | 订购 |
|---|
| 02002-504X012 | O | 10 | M4 | 8 | 12,5 | 2 | 3,5 | 28 | 7 | 11,5 |  | | 根据要求 | | | 02002-504X025 | O | 10 | M4 | 8 | 25,5 | 2 | 9 | 28 | 7 | 11,5 |  | | 根据要求 | | | 02002-505X017 | O | 13 | M5 | 11 | 17,5 | 3 | 6,5 | 28 | 10 | 19,8 |  | | 根据要求 | | | 02002-505X026 | O | 13 | M5 | 11 | 26,5 | 3 | 9 | 28 | 10 | 19,8 |  | | 根据要求 | | | 02002-506X021 | O | 17 | M6 | 14 | 21 | 3 | 7,5 | 28 | 13 | 27,4 |  | | 根据要求 | | | 02002-508X024 | O | 19 | M8 | 19 | 24 | 4 | 8,5 | 24 | 15 | 38,6 |  | | 根据要求 | | | 02002-510X028 | O | 24 | M10 | 21 | 28 | 4 | 9 | 24 | 20 | 58,3 |  | | 根据要求 | |
|
|
|
|