|
|
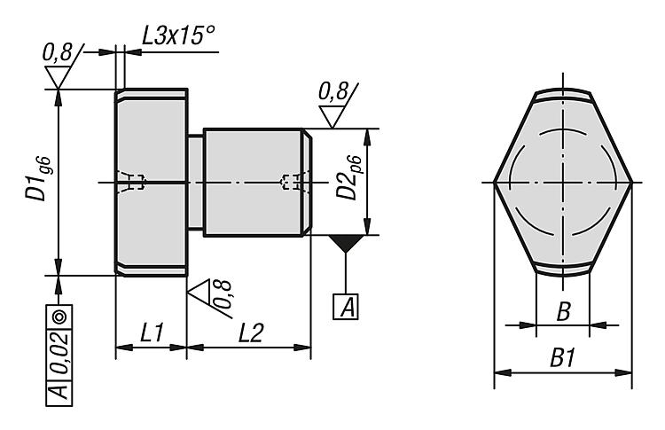
产品说明材料:工具钢。规格:硬化和抛光处理。提示:平侧面,含定心。特点: 下载此处为收集信息的 PDF:
查找 CAD 数据?请直接在产品列表中查找。
|
| 订货号 | D1 | D2 | L1 | L2 | L3 | B | B1 | CAD | 配件 | 价格 | 订购 |
|---|
| 03140-05 | 8 | 5 | 8 | 8 | 2 | 2 | 6,6 |  | | 根据要求 | | | 03140-07 | 10 | 7 | 8 | 8 | 2 | 3 | 8,6 |  | | 根据要求 | | | 03140-08 | 12 | 8 | 8 | 10 | 2 | 3 | 9,8 |  | | 根据要求 | | | 03140-081 | 14 | 8 | 8 | 10 | 3 | 3,5 | 11,2 |  | | 根据要求 | | | 03140-09 | 16 | 9 | 8 | 12 | 3 | 4 | 13,2 |  | | 根据要求 | | | 03140-12 | 18 | 12 | 8 | 12 | 3 | 4,5 | 14,7 |  | | 根据要求 | | | 03140-121 | 20 | 12 | 8 | 14 | 3 | 5 | 16,6 |  | | 根据要求 | | | 03140-14 | 22 | 14 | 8 | 14 | 3 | 5,6 | 18 |  | | 根据要求 | | | 03140-16 | 25 | 16 | 8 | 16 | 3 | 6 | 19,8 |  | | 根据要求 | |
|
|