norelem 使用 Cookies 以优化设计和持续改进网页。您通过继续使用网页,同意使用 Cookies。在我们的数据保护声明中可以找到有关 Cookies 主题的详细信息。同意

商品描述/产品说明

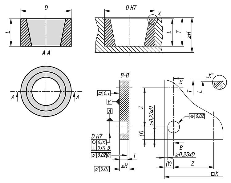
产品说明材料:钢制。规格:硬化和抛光处理。提示:定位衬套与定位顶锥配套。温度范围:最大 +80 °C。特点:
RoHS
下载此处为收集信息的 PDF:

查找 CAD 数据?请直接在产品列表中查找。
 Datasheet 03152-11 钢制定位衬套 适用于定心夹具 529 kB

图纸

钢制定位衬套 适用于定心夹具

商品选择/筛选

订货号尺寸D

H
min.
L
max.
T用于产品编号CAD配件价格订购
03152-11-111612,58,59-0,103152-10-1 根据要求
03152-11-33322517,518-0,103152-10-3 根据要求
我的 norelemE-Mail密码
购物车
商品数量: 0
总数: 0.00  
点击购物车
欢迎扫描二维码
咨询诺瑞朗官方客服微信
中国
苏ICP备20011289号-1  苏公网安备32058502011222 网页地图 打印 推荐 Top
Copyright © 2025 norelem. 保留所有权利。 电话 +49 71 45/206-44 至 45 · 传真 +49 71 45/206-83