|
|
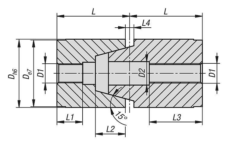
产品说明材料:渗碳钢制导向管 1.7139。规格:经渗碳硬化处理。提示:钢制定心导轨是用于工具和模具制造的精密部件系统,可确保工具、模具或其他移动部件的精确校准、定位和定心。该定心导轨旨在确保精确对齐,最大限度地提高制造过程的质量、可重复性和效率。
定心导轨用于工具和模具制造的多个领域,包括:
- 精密模具制造 - 注塑工艺 - 冲压和成型工艺 - 金属加工 - 塑料加工 - 汽车工业 - 电子工业特点: 下载此处为收集信息的 PDF:
查找 CAD 数据?请直接在产品列表中查找。
|
| 订货号 | D | D1 | D2 | L | L1 | L2 | L3 | L4 | CAD | 配件 | 价格 | 订购 |
|---|
| 03152-25-12 | 12 | M4 | 4,2 | 17 | 8,5 | 5 | 9,6 | 2 |  | | 根据要求 | | | 03152-25-14 | 14 | M5 | 5,5 | 17 | 6 | 7 | 12,4 | 2 |  | | 根据要求 | | | 03152-25-16 | 16 | M5 | 5,5 | 17 | 6 | 7 | 12,4 | 2 |  | | 根据要求 | | | 03152-25-20 | 20 | M8 | 9 | 27 | 10,5 | 10 | 19,7 | 2 |  | | 根据要求 | | | 03152-25-25 | 25 | M8 | 9 | 27 | 9 | 11 | 19,7 | 2 |  | | 根据要求 | | | 03152-25-26 | 26 | M8 | 9 | 27 | 9 | 11 | 19,7 | 2 |  | | 根据要求 | | | 03152-25-30 | 30 | M10 | 11 | 36 | 12,2 | 16 | 10 | 2 |  | | 根据要求 | | | 03152-25-32 | 32 | M10 | 11 | 36 | 12,2 | 16 | 10 | 2 |  | | 根据要求 | | | 03152-25-42 | 42 | M10 | 11 | 46 | 16,5 | 20 | 10 | 2 |  | | 根据要求 | |
|
|