norelem 使用 Cookies 以优化设计和持续改进网页。您通过继续使用网页,同意使用 Cookies。在我们的数据保护声明中可以找到有关 Cookies 主题的详细信息。同意
弹簧柱塞 带内六角和 POM 顶销,平头,钢
03050-01

弹簧柱塞 带内六角和 POM 顶销,平头,钢

返回

商品描述/产品说明

产品说明材料:钢制套筒 强度等级5.8。
POM顶销。
弹簧为Kl. D.弹簧钢。
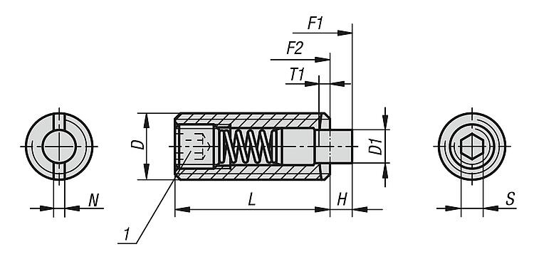
规格:黑色氧化处理。提示:此类弹簧柱塞主要在机械结构中当推杆或弹性挡块使用。顶销的致动沿轴向方向进行。图纸提示:
1) 埋头螺母 胶合
特点:
RoHS
下载此处为收集信息的 PDF:

查找 CAD 数据?请直接在产品列表中查找。
 Datasheet 03050-01 弹簧柱塞 带内六角和 POM 顶销,平头,钢 281 kB

图纸

弹簧柱塞 带内六角和 POM 顶销,平头,钢
弹簧柱塞 带内六角和 POM 顶销,平头,钢

商品选择/筛选

订货号

D

D1HLT1NS初始位置
弹簧弹力
F1 约 N
终点位置
弹簧弹力
F2 约 N
安装扳手
订货号
CAD配件价格订购
03050-01-05M52,42,3180,80,81,562003040-905 根据要求
03050-01-06M62,72,52011272003040-906 根据要求
03050-01-08M83,53221,41,22,593503040-908 根据要求
03050-01-10M1043221,41,6393503040-910 根据要求
03050-01-12M126428224125503040-912 根据要求
03050-01-16M167,55322,52,554510003040-916 根据要求
我的 norelemE-Mail密码
购物车
商品数量: 0
总数: 0.00  
点击购物车
欢迎扫描二维码
咨询诺瑞朗官方客服微信
中国
苏ICP备20011289号-1  苏公网安备32058502011222 网页地图 打印 推荐 Top
Copyright © 2025 norelem. 保留所有权利。 电话 +49 71 45/206-44 至 45 · 传真 +49 71 45/206-83