|
|
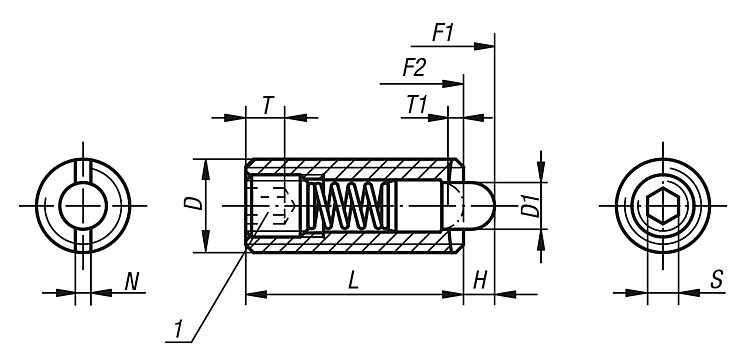
产品说明材料:钢制套筒 强度等级5.8。 钢制顶销。 弹簧为Kl. D.弹簧钢。规格:黑色氧化。顶销硬化处理。图纸提示:特点: 下载此处为收集信息的 PDF:
查找 CAD 数据?请直接在产品列表中查找。
|
带内六角和止动顶销的弹簧柱塞,钢制,标准弹簧弹力 |
更多信息 |
订货号 | D
| D1 | H=行程 | L | T1 | N | S | 初始位置 弹簧弹力 F1 约 N | 终点位置 弹簧弹力 F2 约 N | 安装扳手 订货号 | CAD | 配件 | 价格 | 订购 |
|---|
| 03040-03 | M3 | 1 | 1,5 | 10 | 1 | 0,4 | 0,7 | 0,5 | 3 | 03040-903 |  |  | 根据要求 | | | 03040-04 | M4 | 1,5 | 1,5 | 15 | 0,6 | 0,6 | 1,3 | 5 | 16 | 03040-904 |  |  | 根据要求 | | | 03040-05 | M5 | 2,4 | 2,3 | 18 | 0,8 | 0,8 | 1,5 | 6 | 20 | 03040-905 |  |  | 根据要求 | | | 03040-06 | M6 | 2,7 | 2,5 | 20 | 1 | 1 | 2 | 7 | 20 | 03040-906 |  |  | 根据要求 | | | 03040-08 | M8 | 3,5 | 3 | 22 | 1,4 | 1,2 | 2,5 | 9 | 35 | 03040-908 |  |  | 根据要求 | | | 03040-10 | M10 | 4 | 3 | 22 | 1,4 | 1,6 | 3 | 9 | 35 | 03040-910 |  |  | 根据要求 | | | 03040-12 | M12 | 6 | 4 | 28 | 2 | 2 | 4 | 12 | 55 | 03040-912 |  |  | 根据要求 | | | 03040-16 | M16 | 7,5 | 5 | 32 | 2,5 | 2,5 | 5 | 45 | 100 | 03040-916 |  |  | 根据要求 | | | 03040-20 | M20 | 10 | 7 | 40 | 3 | 2,5 | 6 | 60 | 120 | - |  | | 根据要求 | | | 03040-24 | M24 | 12 | 10 | 52 | 3 | 2,5 | 8 | 80 | 160 | - |  | | 根据要求 | |
|
带内六角和止动顶销的弹簧柱塞,钢制,轻弹簧弹力 |
更多信息 |
订货号 | D
| D1 | H=行程 | L | T1 | N | S | 初始位置 弹簧弹力 F1 约 N | 终点位置 弹簧弹力 F2 约 N | 安装扳手 订货号 | CAD | 配件 | 价格 | 订购 |
|---|
| 03040-104 | M4 | 1,5 | 1,5 | 15 | 0,6 | 0,6 | 1,3 | 2 | 7 | 03040-904 |  |  | 根据要求 | | | 03040-105 | M5 | 2,4 | 2,3 | 18 | 0,8 | 0,8 | 1,5 | 3 | 10 | 03040-905 |  |  | 根据要求 | | | 03040-106 | M6 | 2,7 | 2,5 | 20 | 1 | 1 | 2 | 3 | 9 | 03040-906 |  |  | 根据要求 | | | 03040-108 | M8 | 3,5 | 3 | 22 | 1,4 | 1,2 | 2,5 | 4 | 16 | 03040-908 |  |  | 根据要求 | | | 03040-110 | M10 | 4 | 3 | 22 | 1,4 | 1,6 | 3 | 4 | 16 | 03040-910 |  |  | 根据要求 | | | 03040-112 | M12 | 6 | 4 | 28 | 2 | 2 | 4 | 5 | 27 | 03040-912 |  |  | 根据要求 | | | 03040-116 | M16 | 7,5 | 5 | 32 | 2,5 | 2,5 | 5 | 20 | 45 | 03040-916 |  |  | 根据要求 | |
|
带内六角和止动顶销的弹簧柱塞,钢制,加强弹簧弹力 |
更多信息 |
订货号 | D
| D1 | H=行程 | L | T1 | N | S | 初始位置 弹簧弹力 F1 约 N | 终点位置 弹簧弹力 F2 约 N | 安装扳手 订货号 | CAD | 配件 | 价格 | 订购 |
|---|
| 03040-205 | M5 | 2,4 | 2,3 | 18 | 0,8 | 0,8 | 1,5 | 11 | 29 | 03040-905 |  |  | 根据要求 | | | 03040-206 | M6 | 2,7 | 2,5 | 20 | 1 | 1 | 2 | 14 | 37 | 03040-906 |  |  | 根据要求 | | | 03040-208 | M8 | 3,5 | 3 | 22 | 1,4 | 1,2 | 2,5 | 22 | 65 | 03040-908 |  |  | 根据要求 | | | 03040-210 | M10 | 4 | 3 | 22 | 1,4 | 1,6 | 3 | 19 | 70 | 03040-910 |  |  | 根据要求 | | | 03040-212 | M12 | 6 | 4 | 28 | 2 | 2 | 4 | 25 | 85 | 03040-912 |  |  | 根据要求 | | | 03040-216 | M16 | 7,5 | 5 | 32 | 2,5 | 2,5 | 5 | 60 | 150 | 03040-916 |  |  | 根据要求 | | | 03040-220 | M20 | 10 | 7 | 40 | 3 | 2,5 | 6 | 75 | 190 | - |  | | 根据要求 | | | 03040-224 | M24 | 12 | 10 | 52 | 3 | 2,5 | 8 | 95 | 240 | - |  | | 根据要求 | |
|
|
|