|
|
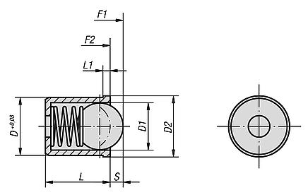
产品说明材料:不锈钢套筒及弹簧。 不锈钢或POM顶珠。规格:套筒 亮色。顶珠 硬化处理,亮色。特点: 下载此处为收集信息的 PDF:
查找 CAD 数据?请直接在产品列表中查找。
|
订货号 | 材料 | D
| D1 | D2 | L | L1 | 行程 S | 初始位置 弹簧弹力 F1 约 N | 终点位置 弹簧弹力 F2 约 N | CAD | 配件 | 价格 | 订购 |
|---|
| 03070-02 | 不锈钢 | 2 | 1,5 | 2,5 | 3 | 0,6 | 0,4 | 1,2 | 2,5 |  | | 根据要求 | | | 03070-03 | 不锈钢 | 3 | 2,5 | 3,5 | 4 | 0,8 | 0,65 | 1,7 | 3,4 |  | | 根据要求 | | | 03070-04 | 不锈钢 | 4 | 3 | 4,6 | 5 | 1 | 0,8 | 3 | 7 |  | | 根据要求 | | | 03070-05 | 不锈钢 | 5 | 4 | 5,6 | 6 | 1 | 1 | 4 | 7 |  | | 根据要求 | | | 03070-06 | 不锈钢 | 6 | 5 | 6,5 | 7 | 1 | 1,5 | 6 | 12 |  | | 根据要求 | | | 03070-08 | 不锈钢 | 8 | 6,5 | 8,5 | 9 | 1 | 1,8 | 6 | 12 |  | | 根据要求 | | | 03070-10 | 不锈钢 | 10 | 8 | 12 | 13,5 | 2,5 | 2,7 | 10 | 20 |  | | 根据要求 | | | 03070-12 | 不锈钢 | 12 | 10 | 14 | 16 | 2,5 | 3,5 | 15 | 25 |  | | 根据要求 | | | 03070-304 | POM | 4 | 3 | 4,6 | 5 | 1 | 0,6 | 3 | 7 |  | | 根据要求 | | | 03070-305 | POM | 5 | 4 | 5,6 | 6 | 1 | 0,8 | 4 | 7 |  | | 根据要求 | | | 03070-306 | POM | 6 | 5 | 6,5 | 7 | 1 | 1,3 | 6 | 12 |  | | 根据要求 | | | 03070-308 | POM | 8 | 6,5 | 8,5 | 9 | 1 | 1,6 | 6 | 12 |  | | 根据要求 | | | 03070-310 | POM | 10 | 8 | 12 | 13,5 | 2,5 | 2,6 | 10 | 20 |  | | 根据要求 | | | 03070-312 | POM | 12 | 10 | 14 | 16 | 2,5 | 3,3 | 15 | 25 |  | | 根据要求 | |
|
|