norelem 使用 Cookies 以优化设计和持续改进网页。您通过继续使用网页,同意使用 Cookies。在我们的数据保护声明中可以找到有关 Cookies 主题的详细信息。同意
弹簧柱塞,带内六角和陶瓷顶珠,不锈钢
03033

弹簧柱塞,带内六角和陶瓷顶珠,不锈钢

返回

商品描述/产品说明

产品说明材料:

不锈钢规格 A1:
螺纹套筒 1.4305.
压缩弹簧 1.4310.
陶瓷球 Si3N4

不锈钢规格 A4:
螺纹套筒 1.4404.
压缩弹簧 1.4401.
陶瓷球 Si3N4

规格:亮色。提示:

氮化硅 Si3N4 具备优异的材料性能,其包括高韧性和刚性、优异的磨损性能以及出色的耐化学性。

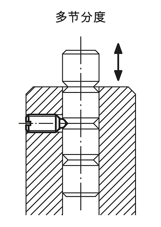
所用材料用途广泛。 对于耐腐蚀性要求极高的情况,建议使用 A4 不锈钢制弹性止动顶销。

特点:
不锈钢RoHS
下载此处为收集信息的 PDF:

查找 CAD 数据?请直接在产品列表中查找。
 Datasheet 03033 弹簧柱塞,带内六角和陶瓷顶珠,不锈钢 272 kB

图纸

弹簧柱塞,带内六角和陶瓷顶珠,不锈钢

商品选择/筛选

订货号

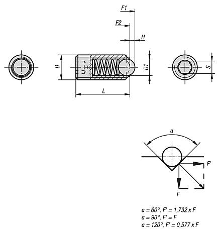
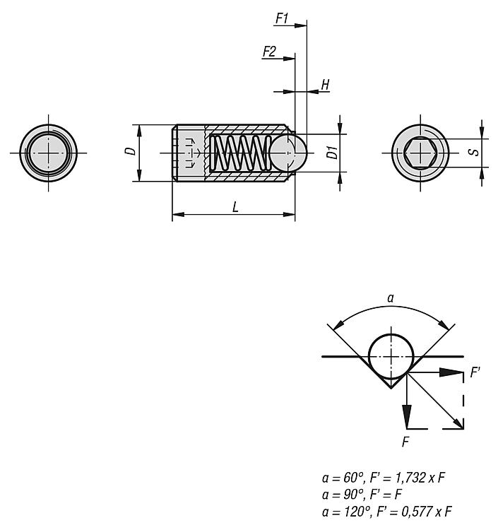
D

金属键D1H=行程LS初始位置
弹簧弹力
F1 约 N
终点位置
弹簧弹力
F2 约 N
载体形式CAD配件价格订购
03033-03M31.43051,50,491,51,53内六角 根据要求
03033-031M31.44041,50,491,51,53内六角 根据要求
03033-04M41.43052,50,8102410内六角 根据要求
03033-041M41.44042,50,8102410内六角 根据要求
03033-05M51.430530,9142,5611内六角 根据要求
03033-051M51.440430,9142,5611内六角 根据要求
03033-06M61.43053,51153913内六角 根据要求
03033-061M61.44043,51153913内六角 根据要求
03033-08M81.430551,51841530内六角 根据要求
03033-081M81.440451,51841530内六角 根据要求
03033-10M101.4305622352035内六角 根据要求
03033-101M101.4404622352035内六角 根据要求
03033-12M121.430582,52663055内六角 根据要求
03033-121M121.440482,52663055内六角 根据要求
03033-16M161.4305103,533865125内六角 根据要求
03033-161M161.4404103,533865125内六角 根据要求
中国
苏ICP备20011289号-1  苏公网安备32058502011222 网页地图 打印 推荐 Top
Copyright © 2025 norelem. 保留所有权利。 电话 +49 71 45/206-44 至 45 · 传真 +49 71 45/206-83