norelem 使用 Cookies 以优化设计和持续改进网页。您通过继续使用网页,同意使用 Cookies。在我们的数据保护声明中可以找到有关 Cookies 主题的详细信息。同意

商品描述/产品说明

产品说明材料:夹紧块,钢制或黄铜材质。规格:钢制,经硬化处理。提示:特别节省空间的规格设计。
通过侧面夹紧,不会有任何干扰边缘。
侧方作用。
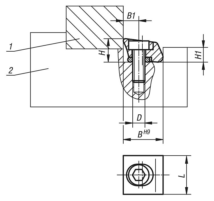
图纸提示:
1) 工件
2) 夹紧块
特点:
RoHS
下载此处为收集信息的 PDF:

查找 CAD 数据?请直接在产品列表中查找。
 Datasheet 04441 夹紧块 160 kB

图纸

夹紧块

商品选择/筛选

订货号

规格

主体
材料
D

BB1HH1L夹紧行程夹持力
kN
锁紧扭矩
max. Nm
CAD配件价格订购
04441-110带尖角边钢制M2,5X89,53,863,69,50,152,81,8 根据要求
04441-113带尖角边钢制M4X1212,75,184,8130,46,65,6 根据要求
04441-119带尖角边钢制M6X1619,057,611,57,2190,61622,5 根据要求
04441-210带钝角边钢制M2,5X89,53,863,69,50,152,81,8 根据要求
04441-213带钝角边钢制M4X1212,75,184,8130,46,65,6 根据要求
04441-219带钝角边钢制M6X1619,057,611,57,2190,61622,5 根据要求
04441-310带钝角边黄铜M2,5X89,53,863,69,50,150,90,56 根据要求
04441-313带钝角边黄铜M4X1212,75,184,8130,41,82,8 根据要求
04441-319带钝角边黄铜M6X1619,057,611,57,2190,64,25,6 根据要求
我的 norelemE-Mail密码
购物车
商品数量: 0
总数: 0.00  
点击购物车
欢迎扫描二维码
咨询诺瑞朗官方客服微信
中国
苏ICP备20011289号-1  苏公网安备32058502011222 网页地图 打印 推荐 Top
Copyright © 2025 norelem. 保留所有权利。 电话 +49 71 45/206-44 至 45 · 传真 +49 71 45/206-83