|
|
|
04368-20液压转角夹具 双 / 单作用,带有弹簧复位 |
返回 |
|
|
产品说明产品描述:转角夹具为夹紧装置而设计,在拆卸或插入时,夹紧点必须保持灵活。转角夹具可用作单作用或双作用式拉力气缸。转角夹具有三种外壳类型以及不同的操作模式可供选择。夹紧运动是由叠加的旋转和提升运动启动。实际夹紧行程则以线性运动的方式进行。有大量左旋或右旋角度为 90° 的型号可供选择。转角夹具经久耐用,因为其具有防止切屑的金属刮刀,并且过载保护系统还可以在摆动过程受阻时保护摆动机构免受损坏。材料:钢制外壳和活塞。 密封件 NBR。规格:外壳经氧化处理。 活塞经硬化处理。提示:如果超过转角夹具允许的体积流量,则必须插入单向流量控制阀。 转角夹具的允许工作压力取决于夹紧臂的长度。 安装夹紧臂时,必须将其固定到位,以免损坏转角夹具的滚珠导轨。 根据通风连接的情况,烧结过滤器必须用单作用式转角夹具上的螺塞来代替。
转角夹具的夹紧臂不包括在交付范围内。
遵守安全说明。使用说明:- 螺纹连接头。 - O 型环法兰连接。 - 钻孔通道。技术参数:最大工作压力:500 bar。装配:参见安装轮廓。优点:- 集成的金属刮刀。 - 集成过载保护。 - 对工件无碰撞接触。 - 多种型号。 - 通过各种连接方式进行压力供应。根据要求:更大的活塞直径和冲程,更多的旋转角度和夹紧臂,各种夹紧臂存放架,带有位置控制。附件:转角夹具 04368-30 的夹紧臂。供货范围包含 1 个用于夹紧臂存放架的螺钉或螺母。图纸提示:A 型:法兰位于顶部 B 型:法兰位于底部 C 型:旋入式螺纹
1) 安装轮廓 2) 参见附件 3) 在单作用式气缸中,连接处配有内置烧结过滤器 4) 向左摆动 5) 向右摆动 6) 夹紧 7) 使用单作用 气缸 进行释放 或排气 特点: 下载此处为收集信息的 PDF:
查找 CAD 数据?请直接在产品列表中查找。
|
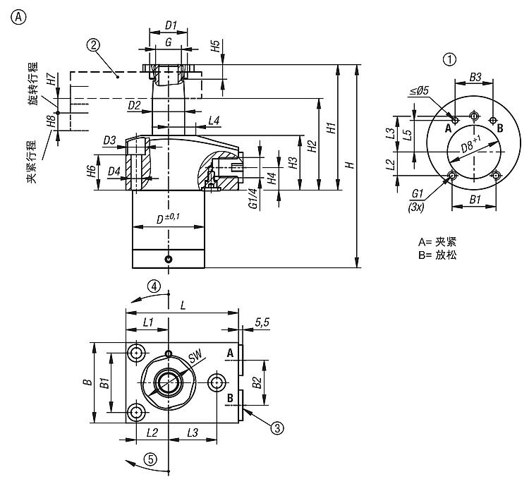
液压转角夹具,双 / 单作用,带有弹簧复位,A 型,法兰位于顶部 |
更多信息 |
| 订货号 | 类型 | 形状类型 | 连接方式 | 旋转方向 | 活塞直径 | 行程 | B | B1 | B2 | B3
| D
| D1 | D2 | D3 | D4 | D8 | G | G1 | H | H1 | H2 | CAD | 配件 | 价格 | 订购 |
|---|
| 04368-20-25101404190111 | A | 双作用 | 螺纹和 O 型环连接 | 右 | 25 | 10 | 50 | 37 | 28 | 32 | 44,8 | 23,5 | 20 | 11 | 6,6 | 45 | M18x1,5 | M6 | 126,5 | 78 | 57 |  | | 根据要求 | | | 04368-20-25101404190211 | A | 双作用 | 螺纹和 O 型环连接 | 左 | 25 | 10 | 50 | 37 | 28 | 32 | 44,8 | 23,5 | 20 | 11 | 6,6 | 45 | M18x1,5 | M6 | 126,5 | 78 | 57 |  | | 根据要求 | | | 04368-20-25251404190111 | A | 双作用 | 螺纹和 O 型环连接 | 右 | 25 | 25 | 50 | 37 | 28 | 32 | 44,8 | 23,5 | 20 | 11 | 6,6 | 45 | M18x1,5 | M6 | 158,5 | 94 | 73 |  | | 根据要求 | | | 04368-20-25251404190211 | A | 双作用 | 螺纹和 O 型环连接 | 左 | 25 | 25 | 50 | 37 | 28 | 32 | 44,8 | 23,5 | 20 | 11 | 6,6 | 45 | M18x1,5 | M6 | 158,5 | 94 | 73 |  | | 根据要求 | | | 04368-20-40131404190111 | A | 双作用 | 螺纹和 O 型环连接 | 右 | 40 | 13 | 63 | 48 | 41 | 46 | 59,8 | 33,5 | 32 | 15 | 9 | 60 | M28x1,5 | M8 | 147,5 | 94 | 66 |  | | 根据要求 | | | 04368-20-40131404190211 | A | 双作用 | 螺纹和 O 型环连接 | 左 | 40 | 13 | 63 | 48 | 41 | 46 | 59,8 | 33,5 | 32 | 15 | 9 | 60 | M28x1,5 | M8 | 147,5 | 94 | 66 |  | | 根据要求 | | | 04368-20-40251404190111 | A | 双作用 | 螺纹和 O 型环连接 | 右 | 40 | 25 | 63 | 48 | 41 | 46 | 59,8 | 33,5 | 32 | 15 | 9 | 60 | M28x1,5 | M8 | 173,5 | 107 | 79 |  | | 根据要求 | | | 04368-20-40251404190211 | A | 双作用 | 螺纹和 O 型环连接 | 左 | 40 | 25 | 63 | 48 | 41 | 46 | 59,8 | 33,5 | 32 | 15 | 9 | 60 | M28x1,5 | M8 | 173,5 | 107 | 79 |  | | 根据要求 | | | 04368-20-25102404190111 | A | 单作用 | 螺纹和 O 型环连接 | 右 | 25 | 10 | 50 | 37 | 28 | 32 | 44,8 | 23,5 | 20 | 11 | 6,6 | 45 | M18x1,5 | M6 | 126,5 | 78 | 57 |  | | 根据要求 | | | 04368-20-25102404190211 | A | 单作用 | 螺纹和 O 型环连接 | 左 | 25 | 10 | 50 | 37 | 28 | 32 | 44,8 | 23,5 | 20 | 11 | 6,6 | 45 | M18x1,5 | M6 | 126,5 | 78 | 57 |  | | 根据要求 | | | 04368-20-40132404190111 | A | 单作用 | 螺纹和 O 型环连接 | 右 | 40 | 13 | 63 | 48 | 41 | 46 | 59,8 | 33,5 | 32 | 15 | 9 | 60 | M28x1,5 | M8 | 147,5 | 94 | 66 |  | | 根据要求 | | | 04368-20-40132404190211 | A | 单作用 | 螺纹和 O 型环连接 | 左 | 40 | 13 | 63 | 48 | 41 | 46 | 59,8 | 33,5 | 32 | 15 | 9 | 60 | M28x1,5 | M8 | 147,5 | 94 | 66 |  | | 根据要求 | |
| 订货号 | 类型 | H3 | H4 | H5 | H6 | H7 | H8 | L | L1 | L2 | L3 | L4 | L5 | SW | 体积流量 最大值 (cm³/s) | 需油量 / 行程 (cm³) | 需油量 / 回程 (cm³) | CAD | 配件 | 价格 | 订购 |
|---|
| 04368-20-25101404190111 | A | 34 | 14 | 9 | 18 | 8 | 10 | 70 | 26,5 | 20 | 30 | 17 | 26,5 | 27 | 3,2 | 3,2 | 8,8 |  | | 根据要求 | | | 04368-20-25101404190211 | A | 34 | 14 | 9 | 18 | 8 | 10 | 70 | 26,5 | 20 | 30 | 17 | 26,5 | 27 | 3,2 | 3,2 | 8,8 |  | | 根据要求 | | | 04368-20-25251404190111 | A | 34 | 14 | 9 | 18 | 10 | 25 | 70 | 26,5 | 20 | 30 | 17 | 26,5 | 27 | 3,2 | 6 | 17 |  | | 根据要求 | | | 04368-20-25251404190211 | A | 34 | 14 | 9 | 18 | 10 | 25 | 70 | 26,5 | 20 | 30 | 17 | 26,5 | 27 | 3,2 | 6 | 17 |  | | 根据要求 | | | 04368-20-40131404190111 | A | 40 | 14 | 10 | 19 | 9 | 13 | 85 | 34,5 | 27 | 38 | 24 | 31 | 40 | 10 | 10 | 27,7 |  | | 根据要求 | | | 04368-20-40131404190211 | A | 40 | 14 | 10 | 19 | 9 | 13 | 85 | 34,5 | 27 | 38 | 24 | 31 | 40 | 10 | 10 | 27,7 |  | | 根据要求 | | | 04368-20-40251404190111 | A | 40 | 14 | 10 | 19 | 10 | 25 | 85 | 34,5 | 27 | 38 | 24 | 31 | 40 | 10 | 16 | 44 |  | | 根据要求 | | | 04368-20-40251404190211 | A | 40 | 14 | 10 | 19 | 10 | 25 | 85 | 34,5 | 27 | 38 | 24 | 31 | 40 | 10 | 16 | 44 |  | | 根据要求 | | | 04368-20-25102404190111 | A | 34 | 14 | 9 | 18 | 8 | 10 | 70 | 26,5 | 20 | 30 | 17 | 26,5 | 27 | 3,2 | 3,2 | - |  | | 根据要求 | | | 04368-20-25102404190211 | A | 34 | 14 | 9 | 18 | 8 | 10 | 70 | 26,5 | 20 | 30 | 17 | 26,5 | 27 | 3,2 | 3,2 | - |  | | 根据要求 | | | 04368-20-40132404190111 | A | 40 | 14 | 10 | 19 | 9 | 13 | 85 | 34,5 | 27 | 38 | 24 | 31 | 40 | 10 | 10 | - |  | | 根据要求 | | | 04368-20-40132404190211 | A | 40 | 14 | 10 | 19 | 9 | 13 | 85 | 34,5 | 27 | 38 | 24 | 31 | 40 | 10 | 10 | - |  | | 根据要求 | |
|
液压转角夹具,双 / 单作用,带有弹簧复位,B 型,法兰位于底部 |
更多信息 |
| 订货号 | 类型 | 形状类型 | 连接方式 | 旋转方向 | 活塞直径 | 行程 | B | B1 | D1 | D2 | D4 | G | G1 | H | H2 | CAD | 配件 | 价格 | 订购 |
|---|
| 04368-20-25101105190111 | B | 双作用 | 螺纹连接 | 右 | 25 | 10 | 45 | 30 | 23,5 | 20 | 6,5 | M18x1,5 | M45x1,5 | 126,5 | 105,5 |  | | 根据要求 | | | 04368-20-25101205190111 | B | 双作用 | o 型环法兰连接 | 右 | 25 | 10 | 45 | 30 | 23,5 | 20 | 6,5 | M18x1,5 | M45x1,5 | 126,5 | 105,5 |  | | 根据要求 | | | 04368-20-25101105190211 | B | 双作用 | 螺纹连接 | 左 | 25 | 10 | 45 | 30 | 23,5 | 20 | 6,5 | M18x1,5 | M45x1,5 | 126,5 | 105,5 |  | | 根据要求 | | | 04368-20-25101205190211 | B | 双作用 | o 型环法兰连接 | 左 | 25 | 10 | 45 | 30 | 23,5 | 20 | 6,5 | M18x1,5 | M45x1,5 | 126,5 | 105,5 |  | | 根据要求 | | | 04368-20-25251105190111 | B | 双作用 | 螺纹连接 | 右 | 25 | 25 | 45 | 30 | 23,5 | 20 | 6,5 | M18x1,5 | M45x1,5 | 158,5 | 137,5 |  | | 根据要求 | | | 04368-20-25251205190111 | B | 双作用 | o 型环法兰连接 | 右 | 25 | 25 | 45 | 30 | 23,5 | 20 | 6,5 | M18x1,5 | M45x1,5 | 158,5 | 137,5 |  | | 根据要求 | | | 04368-20-25251105190211 | B | 双作用 | 螺纹连接 | 左 | 25 | 25 | 45 | 30 | 23,5 | 20 | 6,5 | M18x1,5 | M45x1,5 | 158,5 | 137,5 |  | | 根据要求 | | | 04368-20-25251205190211 | B | 双作用 | o 型环法兰连接 | 左 | 25 | 25 | 45 | 30 | 23,5 | 20 | 6,5 | M18x1,5 | M45x1,5 | 158,5 | 137,5 |  | | 根据要求 | | | 04368-20-40131105190111 | B | 双作用 | 螺纹连接 | 右 | 40 | 13 | 63 | 44 | 33,5 | 32 | 8,5 | M28x1,5 | M60x1,5 | 147,5 | 119,5 |  | | 根据要求 | | | 04368-20-40131205190111 | B | 双作用 | o 型环法兰连接 | 右 | 40 | 13 | 63 | 44 | 33,5 | 32 | 8,5 | M28x1,5 | M60x1,5 | 147,5 | 119,5 |  | | 根据要求 | | | 04368-20-40131105190211 | B | 双作用 | 螺纹连接 | 左 | 40 | 13 | 63 | 44 | 33,5 | 32 | 8,5 | M28x1,5 | M60x1,5 | 147,5 | 119,5 |  | | 根据要求 | | | 04368-20-40131205190211 | B | 双作用 | o 型环法兰连接 | 左 | 40 | 13 | 63 | 44 | 33,5 | 32 | 8,5 | M28x1,5 | M60x1,5 | 147,5 | 119,5 |  | | 根据要求 | | | 04368-20-40251105190111 | B | 双作用 | 螺纹连接 | 右 | 40 | 25 | 63 | 44 | 33,5 | 32 | 8,5 | M28x1,5 | M60x1,5 | 173,5 | 145,5 |  | | 根据要求 | | | 04368-20-40251205190111 | B | 双作用 | o 型环法兰连接 | 右 | 40 | 25 | 63 | 44 | 33,5 | 32 | 8,5 | M28x1,5 | M60x1,5 | 173,5 | 145,5 |  | | 根据要求 | | | 04368-20-40251105190211 | B | 双作用 | 螺纹连接 | 左 | 40 | 25 | 63 | 44 | 33,5 | 32 | 8,5 | M28x1,5 | M60x1,5 | 173,5 | 145,5 |  | | 根据要求 | | | 04368-20-40251205190211 | B | 双作用 | o 型环法兰连接 | 左 | 40 | 25 | 63 | 44 | 33,5 | 32 | 8,5 | M28x1,5 | M60x1,5 | 173,5 | 145,5 |  | | 根据要求 | | | 04368-20-25102105190111 | B | 单作用 | 螺纹连接 | 右 | 25 | 10 | 45 | 30 | 23,5 | 20 | 6,5 | M18x1,5 | M45x1,5 | 126,5 | 105,5 |  | | 根据要求 | | | 04368-20-25102205190111 | B | 单作用 | o 型环法兰连接 | 右 | 25 | 10 | 45 | 30 | 23,5 | 20 | 6,5 | M18x1,5 | M45x1,5 | 126,5 | 105,5 |  | | 根据要求 | | | 04368-20-25102105190211 | B | 单作用 | 螺纹连接 | 左 | 25 | 10 | 45 | 30 | 23,5 | 20 | 6,5 | M18x1,5 | M45x1,5 | 126,5 | 105,5 |  | | 根据要求 | | | 04368-20-25102205190211 | B | 单作用 | o 型环法兰连接 | 左 | 25 | 10 | 45 | 30 | 23,5 | 20 | 6,5 | M18x1,5 | M45x1,5 | 126,5 | 105,5 |  | | 根据要求 | | | 04368-20-40132105190111 | B | 单作用 | 螺纹连接 | 右 | 40 | 13 | 63 | 44 | 33,5 | 32 | 8,5 | M28x1,5 | M60x1,5 | 147,5 | 119,5 |  | | 根据要求 | | | 04368-20-40132205190111 | B | 单作用 | o 型环法兰连接 | 右 | 40 | 13 | 63 | 44 | 33,5 | 32 | 8,5 | M28x1,5 | M60x1,5 | 147,5 | 119,5 |  | | 根据要求 | | | 04368-20-40132105190211 | B | 单作用 | 螺纹连接 | 左 | 40 | 13 | 63 | 44 | 33,5 | 32 | 8,5 | M28x1,5 | M60x1,5 | 147,5 | 119,5 |  | | 根据要求 | | | 04368-20-40132205190211 | B | 单作用 | o 型环法兰连接 | 左 | 40 | 13 | 63 | 44 | 33,5 | 32 | 8,5 | M28x1,5 | M60x1,5 | 147,5 | 119,5 |  | | 根据要求 | |
| 订货号 | 类型 | H4 | H5 | H7 | H8 | H9 | H10 | L | L6 | L7 | SW | 体积流量 最大值 (cm³/s) | 需油量 / 行程 (cm³) | 需油量 / 回程 (cm³) | CAD | 配件 | 价格 | 订购 |
|---|
| 04368-20-25101105190111 | B | 11 | 9 | 8 | 10 | 84,5 | 5 | 65 | 50 | 15 | 27 | 3,2 | 3,2 | 8,8 |  | | 根据要求 | | | 04368-20-25101205190111 | B | 11 | 9 | 8 | 10 | 84,5 | 5 | 65 | 50 | 15 | 27 | 3,2 | 3,2 | 8,8 |  | | 根据要求 | | | 04368-20-25101105190211 | B | 11 | 9 | 8 | 10 | 84,5 | 5 | 65 | 50 | 15 | 27 | 3,2 | 3,2 | 8,8 |  | | 根据要求 | | | 04368-20-25101205190211 | B | 11 | 9 | 8 | 10 | 84,5 | 5 | 65 | 50 | 15 | 27 | 3,2 | 3,2 | 8,8 |  | | 根据要求 | | | 04368-20-25251105190111 | B | 11 | 9 | 10 | 25 | 100,5 | 5 | 65 | 50 | 15 | 27 | 3,2 | 6 | 17 |  | | 根据要求 | | | 04368-20-25251205190111 | B | 11 | 9 | 10 | 25 | 100,5 | 5 | 65 | 50 | 15 | 27 | 3,2 | 6 | 17 |  | | 根据要求 | | | 04368-20-25251105190211 | B | 11 | 9 | 10 | 25 | 100,5 | 5 | 65 | 50 | 15 | 27 | 3,2 | 6 | 17 |  | | 根据要求 | | | 04368-20-25251205190211 | B | 11 | 9 | 10 | 25 | 100,5 | 5 | 65 | 50 | 15 | 27 | 3,2 | 6 | 17 |  | | 根据要求 | | | 04368-20-40131105190111 | B | 11 | 10 | 9 | 13 | 94,5 | 6 | 85 | 65 | 28 | 40 | 10 | 10 | 27,7 |  | | 根据要求 | | | 04368-20-40131205190111 | B | 11 | 10 | 9 | 13 | 94,5 | 6 | 85 | 65 | 28 | 40 | 10 | 10 | 27,7 |  | | 根据要求 | | | 04368-20-40131105190211 | B | 11 | 10 | 9 | 13 | 94,5 | 6 | 85 | 65 | 28 | 40 | 10 | 10 | 27,7 |  | | 根据要求 | | | 04368-20-40131205190211 | B | 11 | 10 | 9 | 13 | 94,5 | 6 | 85 | 65 | 28 | 40 | 10 | 10 | 27,7 |  | | 根据要求 | | | 04368-20-40251105190111 | B | 11 | 10 | 10 | 25 | 107,5 | 6 | 85 | 65 | 28 | 40 | 10 | 16 | 44 |  | | 根据要求 | | | 04368-20-40251205190111 | B | 11 | 10 | 10 | 25 | 107,5 | 6 | 85 | 65 | 28 | 40 | 10 | 16 | 44 |  | | 根据要求 | | | 04368-20-40251105190211 | B | 11 | 10 | 10 | 25 | 107,5 | 6 | 85 | 65 | 28 | 40 | 10 | 16 | 44 |  | | 根据要求 | | | 04368-20-40251205190211 | B | 11 | 10 | 10 | 25 | 107,5 | 6 | 85 | 65 | 28 | 40 | 10 | 16 | 44 |  | | 根据要求 | | | 04368-20-25102105190111 | B | 11 | 9 | 8 | 10 | 84,5 | 5 | 65 | 50 | 15 | 27 | 3,2 | 3,2 | - |  | | 根据要求 | | | 04368-20-25102205190111 | B | 11 | 9 | 8 | 10 | 84,5 | 5 | 65 | 50 | 15 | 27 | 3,2 | 3,2 | - |  | | 根据要求 | | | 04368-20-25102105190211 | B | 11 | 9 | 8 | 10 | 84,5 | 5 | 65 | 50 | 15 | 27 | 3,2 | 3,2 | - |  | | 根据要求 | | | 04368-20-25102205190211 | B | 11 | 9 | 8 | 10 | 84,5 | 5 | 65 | 50 | 15 | 27 | 3,2 | 3,2 | - |  | | 根据要求 | | | 04368-20-40132105190111 | B | 11 | 10 | 9 | 13 | 94,5 | 6 | 85 | 65 | 28 | 40 | 10 | 10 | - |  | | 根据要求 | | | 04368-20-40132205190111 | B | 11 | 10 | 9 | 13 | 94,5 | 6 | 85 | 65 | 28 | 40 | 10 | 10 | - |  | | 根据要求 | | | 04368-20-40132105190211 | B | 11 | 10 | 9 | 13 | 94,5 | 6 | 85 | 65 | 28 | 40 | 10 | 10 | - |  | | 根据要求 | | | 04368-20-40132205190211 | B | 11 | 10 | 9 | 13 | 94,5 | 6 | 85 | 65 | 28 | 40 | 10 | 10 | - |  | | 根据要求 | |
|
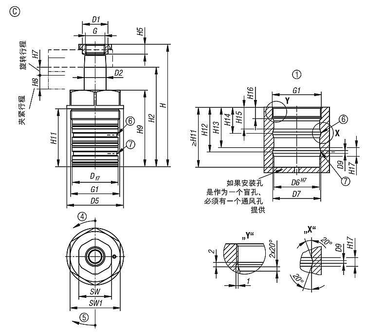
液压转角夹具,双 / 单作用,带有弹簧复位,C 型,具有旋入式螺纹 |
更多信息 |
| 订货号 | 类型 | 形状类型 | 连接方式 | 旋转方向 | 活塞直径 | 行程 | D | D1 | D2 | D5 | D6 | D7 | D9 | G | G1 | H | H2 | CAD | 配件 | 价格 | 订购 |
|---|
| 04368-20-25101306190111 | C | 双作用 | 钻孔通道 | 右 | 25 | 10 | 42 | 23,5 | 20 | 52 | 42 | 44 | 5 | M18x1,5 | M45x1,5 | 112 | 91 |  | | 根据要求 | | | 04368-20-25101306190211 | C | 双作用 | 钻孔通道 | 左 | 25 | 10 | 42 | 23,5 | 20 | 52 | 42 | 44 | 5 | M18x1,5 | M45x1,5 | 112 | 91 |  | | 根据要求 | | | 04368-20-40131306190111 | C | 双作用 | 钻孔通道 | 右 | 40 | 13 | 55 | 33,5 | 32 | 64 | 55 | 57 | 5 | M28x1,5 | M60x1,5 | 152 | 124 |  | | 根据要求 | | | 04368-20-40131306190211 | C | 双作用 | 钻孔通道 | 左 | 40 | 13 | 55 | 33,5 | 32 | 64 | 55 | 57 | 5 | M28x1,5 | M60x1,5 | 152 | 124 |  | | 根据要求 | | | 04368-20-25102306190111 | C | 单作用 | 钻孔通道 | 右 | 25 | 10 | 42 | 23,5 | 20 | 52 | 42 | 44 | 5 | M18x1,5 | M45x1,5 | 112 | 91 |  | | 根据要求 | | | 04368-20-25102306190211 | C | 单作用 | 钻孔通道 | 左 | 25 | 10 | 42 | 23,5 | 20 | 52 | 42 | 44 | 5 | M18x1,5 | M45x1,5 | 112 | 91 |  | | 根据要求 | | | 04368-20-40132306190111 | C | 单作用 | 钻孔通道 | 右 | 40 | 13 | 55 | 33,5 | 32 | 64 | 55 | 57 | 5 | M28x1,5 | M60x1,5 | 152 | 124 |  | | 根据要求 | | | 04368-20-40132306190211 | C | 单作用 | 钻孔通道 | 左 | 40 | 13 | 55 | 33,5 | 32 | 64 | 55 | 57 | 5 | M28x1,5 | M60x1,5 | 152 | 124 |  | | 根据要求 | |
| 订货号 | 类型 | H5 | H7 | H8 | H9 | H11 | H12 | H13 | H14 | H15 | H16 | H17 | SW | SW1 | 体积流量 最大值 (cm³/s) | 需油量 / 行程 (cm³) | 需油量 / 回程 (cm³) | CAD | 配件 | 价格 | 订购 |
|---|
| 04368-20-25101306190111 | C | 9 | 8 | 10 | 70 | 53 | 41 | 37 | 24 | 20 | 10,5 | 8 | 27 | 46 | 3,2 | 3,2 | 8,8 |  | | 根据要求 | | | 04368-20-25101306190211 | C | 9 | 8 | 10 | 70 | 53 | 41 | 37 | 24 | 20 | 10,5 | 8 | 27 | 46 | 3,2 | 3,2 | 8,8 |  | | 根据要求 | | | 04368-20-40131306190111 | C | 10 | 9 | 13 | 99 | 66 | 46,5 | 41,5 | 29 | 24 | 12,5 | 10 | 40 | 55 | 10 | 10 | 27,7 |  | | 根据要求 | | | 04368-20-40131306190211 | C | 10 | 9 | 13 | 99 | 66 | 46,5 | 41,5 | 29 | 24 | 12,5 | 10 | 40 | 55 | 10 | 10 | 27,7 |  | | 根据要求 | | | 04368-20-25102306190111 | C | 9 | 8 | 10 | 70 | 53 | 41 | 37 | 24 | 20 | 10,5 | 8 | 27 | 46 | 3,2 | 3,2 | - |  | | 根据要求 | | | 04368-20-25102306190211 | C | 9 | 8 | 10 | 70 | 53 | 41 | 37 | 24 | 20 | 10,5 | 8 | 27 | 46 | 3,2 | 3,2 | - |  | | 根据要求 | | | 04368-20-40132306190111 | C | 10 | 9 | 13 | 99 | 66 | 46,5 | 41,5 | 29 | 24 | 12,5 | 10 | 40 | 55 | 10 | 10 | - |  | | 根据要求 | | | 04368-20-40132306190211 | C | 10 | 9 | 13 | 99 | 66 | 46,5 | 41,5 | 29 | 24 | 12,5 | 10 | 40 | 55 | 10 | 10 | - |  | | 根据要求 | |
|
|
|