|
|
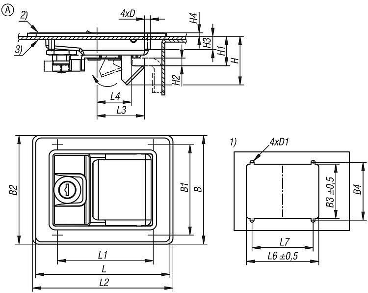
产品说明产品描述:由于采用嵌入式手柄,这些弹簧锁专为齐平安装在门、翻盖和引擎盖上而设计。预紧把手可防止摇晃。材料:钢制壳体。规格:黑色粉末涂层壳体。提示:防水防尘密封保护。
门叶厚度最大 6 mm。
锁的钥匙相同,即每把锁都可以用相同的钥匙打开。
形式 A:从后面安装。 表格 B:从操作侧安装。使用说明:拉动把手,盖就会移动到打开位置,门就可以打开了。按下门锁可自动上锁。装配:1. 根据草图制作装配切口。 2. 根据版本的不同,从后部或操作侧紧固弹簧锁。供货范围密封件和 2x 钥匙包含在供货范围内。 供货范围不包括用于固定弹簧锁的螺栓或螺母以及安装支架。图纸提示:特点: 下载此处为收集信息的 PDF:
查找 CAD 数据?请直接在产品列表中查找。
|
| 订货号 | 类型 | 形状类型 | B | B1 | B2 | B3 | B4 | D
| D1 | H | H1 | H2 | H3 | H4 | CAD | 配件 | 价格 | 订购 |
|---|
| 05596-32-000140108 | A | 从背面进行安装 | 108 | 94 | 113 | 88,6 | 94,5 | M6 | 6,5 | 53 | 31,5 | 8,5 | 14 | 3,5 |  | | 根据要求 | |
| 订货号 | L | L1 | L2 | L3 | L4 | L6 | L7 | CAD | 配件 | 价格 | 订购 |
|---|
| 05596-32-000140108 | 140 | 100 | 145 | 49 | 36,2 | 118,5 | 100 |  | | 根据要求 | |
|
| 订货号 | 类型 | 形状类型 | B | B1 | B2 | B3 | B4 | D
| D1 | H | H1 | H2 | H4 | H5 | CAD | 配件 | 价格 | 订购 |
|---|
| 05596-32-001140108 | B | 从正面进行安装 | 108 | 94,5 | 113 | 88,6 | 94,5 | 6,5 | 6,5 | 44,5 | 22,5 | 8,5 | 3,5 | 36,3 |  | | 根据要求 | |
| 订货号 | L | L1 | L2 | L3 | L5 | L6 | L7 | CAD | 配件 | 价格 | 订购 |
|---|
| 05596-32-001140108 | 140 | 100 | 145 | 77,6 | 11 | 118,5 | 100 |  | | 根据要求 | |
|
|
|