norelem 使用 Cookies 以优化设计和持续改进网页。您通过继续使用网页,同意使用 Cookies。在我们的
数据保护声明
中可以找到有关 Cookies 主题的详细信息。
同意
全球分布
创意
AGB
版权说明
数据保护
产品
企业信息
服务
下载
新闻
联系方式
产品概览
固定
灵活的标准件系统
装配
装配系统
运动
用于机床和设备制造的系统/组件
检查
量具检具组件
夹紧
夹紧技术
控制和调节
电动机构
输送
输送和移动技术
technoshop
norelem inch
英制产品目录
05578-01
安全旋转锁销
返回
产品
产品概览
灵活的标准件系统
快速夹钳、 气动夹钳、 夹钳配件、 搭扣、 旋转锁销
旋转锁销
安全旋转锁销
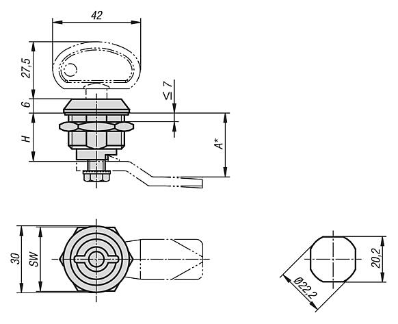
商品描述/产品说明
产品说明
材料:
压铸锌壳体、操作件、螺母和钥匙。
橡胶平面密封件。
规格:
壳体和操作件镀铬或黑色粉末喷涂处理。
钥匙镀铬。
提示:
安全旋转锁销,带有弹簧加载式舌簧。可在左侧或右侧使用,关闭行程 90°。旋转锁销可预安装。单侧配有紧固螺母,相当于带有夹头的接地螺母。
根据 IP65,防水防尘。
请单独订购钥匙。只能用专门的钥匙打开和锁闭锁。钥匙只能在闭合状态下拔出。未锁闭时,钥匙用作手柄。
请单独订购所需的舌簧。每种舌簧都可以与壳体组合。
*尺寸 A 由旋转锁销和簧片组合而成,显示的是匹配的簧片。
附件:
钢制旋转锁销的舌簧 05569。
图纸提示:
1) 钥匙在关闭状态下可拔出
2) 钥匙在打开状态下不可拔出
特点:
下载
此处为收集信息的 PDF:
查找 CAD 数据?请直接在产品列表中查找。
Datasheet 05578-01 安全旋转锁销
186 kB
图纸
商品选择/筛选
订货号
主体
表面
操作元件
H
SW
铰链订货号
CAD
配件
价格
订购
05578-01-181
镀铬
锁
18,5
27
05578-01-9
根据要求
05578-01-182
经喷涂处理
锁
18,5
27
05578-01-9
根据要求
订货号
名称
CAD
配件
价格
订购
05578-01-9
套筒扳手
根据要求
本类目的其他商品
<<
|
<
|
1-10
|
11-20
|
21-30
|
31-40
|
41-50
|
51-60
|
61-62
|
>
|
>>
05561
紧凑型旋转锁销,外壳直径 20 mm
05561-02
不锈钢旋转锁销,紧凑型,外壳直径 20 mm
05562
带蝶形旋钮的紧凑型旋转锁销,外壳直径 22 mm
05563
钢制紧凑型旋转锁销的舌簧
05564
紧凑型旋转锁销,可锁定
05564-10
锌制旋转锁销,可锁定
05564-14
锌制旋转锁销,可锁定,长型
05564-15
钢制舌簧,带限位器
05566
锌制旋转锁销,外壳和操作件镀铬或黑色粉末喷涂处理
05566-03
不锈钢 1.4404 旋转锁销,小型,外壳直径 28 mm
<<
|
<
|
1-10
|
11-20
|
21-30
|
31-40
|
41-50
|
51-60
|
61-62
|
>
|
>>
我的 norelem
E-Mail
密码
忘记密码
首次登陆
购物车
商品数量:
0
总数:
0.00
€
点击购物车
欢迎扫描二维码
咨询诺瑞朗官方客服微信
Algérie
Andorra
Argentina
Australia
België
Bolivia
Bosna i Hercegovina
Brasil
Canada
Česká republika
Chile
中国
Colombia
Costa Rica
Cuba
Danmark
Dem. Peop. Rep. of Korea
Deutschland
Ecuador
Eesti
España
Georgia
香港
Hrvatska
India
Ireland
Ísland
Italia
Jamaica
日本
Latvija
Liechtenstein
Lietuvos
Luxemburg
Magyarország
Malaysia
Malta
México
Nederland
New Zealand
Norge
Österreich
Pakistan
Paraguay
Perú
Polska
Portugal
Principauté de Monaco
台灣
Rep. di San Marino
대한민국
România
Schweiz
Singapore
Slovenija
Slovensko
South Africa
Suomi
Sverige
Türkiye
United Kingdom
United States of America
Uruguay
Venezuela
Việt Nam
Ελλάδα
Κύπρος
Беларусь
България
Република Србија
Россия
Србија и Црна Гора
Україна
ישראל
الامارات العربية المتحدة
السعودية
ايران
مصر
ประเทศไทย
Chinese
English
苏ICP备20011289号-1
苏公网安备32058502011222
网页地图
打印
推荐
Top
Copyright © 2025 norelem. 保留所有权利。
电话 +49 71 45/206-44 至 45 · 传真 +49 71 45/206-83