norelem 使用 Cookies 以优化设计和持续改进网页。您通过继续使用网页,同意使用 Cookies。在我们的数据保护声明中可以找到有关 Cookies 主题的详细信息。同意
锌制旋转锁销 用于消防领域,DIN 14925
05578-10

锌制旋转锁销 用于消防领域,DIN 14925

返回

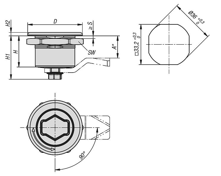
商品描述/产品说明

产品说明材料:操作件和外壳为压铸锌材质。
钢制螺母。
规格:操作件和壳体镀铬。
镀锌螺母。
提示:消防用旋转锁销。
门板厚度从 0 至 4 mm。
可安装向左扭转或向右扭转,锁闭角度 90°。

请单独订购所需规格的舌簧。

*尺寸 A 由旋转锁销和簧片组合而成,显示的是匹配的簧片。
使用说明:锁仅由专业人员打开。符合 DIN 14924 标准的消防斧杠杆刀片和符合 DIN 3223 标准的消防栓钥匙 A 或 B 以及符合 DIN 14822-1 标准的离合器钥匙 BC 均可用作钥匙。附件:钢制舌簧 05570 或不锈钢 05578-12,无限位器。特点:
RoHS
下载此处为收集信息的 PDF:

查找 CAD 数据?请直接在产品列表中查找。
 Datasheet 05578-10 锌制旋转锁销 用于消防领域,DIN 14925 244 kB

图纸

锌制旋转锁销 用于消防领域,DIN 14925

商品选择/筛选

订货号D

HH1H2S
max.
SW操作元件CAD配件价格订购
05578-10-45424526,135,63442消防锁 DIN14925 根据要求
我的 norelemE-Mail密码
购物车
商品数量: 0
总数: 0.00  
点击购物车
欢迎扫描二维码
咨询诺瑞朗官方客服微信
中国
苏ICP备20011289号-1  苏公网安备32058502011222 网页地图 打印 推荐 Top
Copyright © 2025 norelem. 保留所有权利。 电话 +49 71 45/206-44 至 45 · 传真 +49 71 45/206-83