|
|
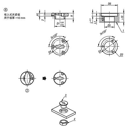
产品说明材料:钢制或不锈钢壳体。 不锈钢螺母。规格:镀镍或亮色壳体。 螺母为亮色。提示:随供了固定螺栓 M2 或 M3。 A 型安装方式,用于板厚 6 至 10 mm。 B 型安装方式,用于板厚大于 10 mm。附件:旋转夹紧装置 05591 或 05591-05。 图纸提示:特点: 下载此处为收集信息的 PDF:
查找 CAD 数据?请直接在产品列表中查找。
|
| 订货号 | 类型 | 主体 材料 | 类型 2 | D
| D2 | A | M | H2 | SW | H | D5 | D6 | L | CAD | 配件 | 价格 | 订购 |
|---|
| 05592-50 | A | 钢制 | 凸起型 | 5 | 25 | 10,5 | M14X1,5 | 8 | 22 | 16 | 15 | 25 | 3,5 |  | | 根据要求 | | | 05592-80 | A | 钢制 | 凸起型 | 8 | 32 | 13 | M20X1,5 | 10 | 30 | 18 | 21 | 32 | 3,5 |  | | 根据要求 | | | 05592-150 | A | 不锈钢 | 凸起型 | 5 | 25 | 10,5 | M14X1,5 | 8 | 22 | 16 | 15 | 25 | 3,5 |  | | 根据要求 | | | 05592-180 | A | 不锈钢 | 凸起型 | 8 | 32 | 13 | M20X1,5 | 10 | 30 | 18 | 21 | 32 | 3,5 |  | | 根据要求 | |
|
|
|
|