norelem 使用 Cookies 以优化设计和持续改进网页。您通过继续使用网页,同意使用 Cookies。在我们的数据保护声明中可以找到有关 Cookies 主题的详细信息。同意
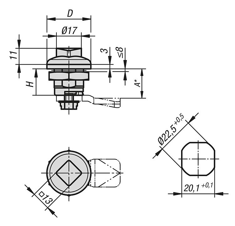
Hygienic DESIGN 不锈钢旋转锁销,带方形驱动装置
05595-02

Hygienic DESIGN 不锈钢旋转锁销,带方形驱动装置

返回

商品描述/产品说明

产品说明材料:

外壳和操作件:1.4404。
接地螺母和锁齿式螺栓:1.4301。
密封件:硅,蓝色,FDA 兼容。

规格:亮色。提示:卫生型不锈钢旋转锁销防止了微生物侵袭,满足食品加工机械和卫生检验原则规定的严格要求。
精心设计的几何形状、镜面抛光的不锈钢表面和中间环状的密封件可靠地防止了污物沉积。水、清洁剂等物质在此可完全排除,防止了污染。 

在一些要求密封件对清洁剂和消毒剂具有耐受性的工艺过程中,生产设备上则必不可少地使用经过优化处理的开关柜、接线盒和操作壳体。  根据 Hygienic DESIGN 的原则有目的地进行了设计,卫生型旋转锁销 HD 满足食品加工工业的严格规定,并因此根据专业的卫生应用进行最佳的调整。 
特制的密封件可抵御压力高达 100 bar 的高压喷射清洗,满足了 IP65/67 标准的要求。此外,密封件在 80 °C 高温时也具有稳定性,通过上色为蓝色而满足 FDA 的规定要求(有效地防止了与食品混淆)。

请单独订购所需规格的舌簧。每种舌簧都可以与壳体组合。

*尺寸 A 由旋转锁销和簧片组合而成,显示的是匹配的簧片。
附件:旋转锁销的套筒扳手 05586-04.
不锈钢旋转锁销的舌簧 05566-07.
特点:
 RoHS
下载此处为收集信息的 PDF:

查找 CAD 数据?请直接在产品列表中查找。
 Datasheet 05595-02 Hygienic DESIGN 不锈钢旋转锁销,带方形驱动装置 272 kB

图纸

Hygienic DESIGN 不锈钢旋转锁销,带方形驱动装置

商品选择/筛选

订货号操作元件D

HCAD配件价格订购
05595-02-18方形3018 根据要求
我的 norelemE-Mail密码
购物车
商品数量: 0
总数: 0.00  
点击购物车
欢迎扫描二维码
咨询诺瑞朗官方客服微信
中国
苏ICP备20011289号-1  苏公网安备32058502011222 网页地图 打印 推荐 Top
Copyright © 2025 norelem. 保留所有权利。 电话 +49 71 45/206-44 至 45 · 传真 +49 71 45/206-83