norelem 使用 Cookies 以优化设计和持续改进网页。您通过继续使用网页,同意使用 Cookies。在我们的数据保护声明中可以找到有关 Cookies 主题的详细信息。同意
气动杠杆夹紧装置 用法兰拧紧
05609

气动杠杆夹紧装置 用法兰拧紧

返回

商品描述/产品说明

产品说明材料:铝制基体。
钢制活塞。
规格:经黑色阳极氧化处理的主体。
活塞经镀硬铬处理。
提示:带有法兰的气动旋入式杠杆夹紧装置用在夹紧力要求不高或夹紧点必须确保可以自由装入和取出工件的情况。
根据构造,装配可节省空间。借助螺纹,转角夹具可调整高度,适合在夹具中进行嵌入式安装。

由于夹紧装置的双重功能,活塞可借助压力向上和向下移动。

杠杆夹紧装置可用于夹紧低矮的工件。

杠杆夹紧装置的杠杆运动不能与其他部件干涉。F1 = 气压 7 bar 下提供的最大工作压力。

与转角夹具相比,相同大尺寸的杠杆夹紧装置由于杠杆机制,可以产生更大的夹紧力。

可通过符合 DIN 70852 (07590-05) 的开槽螺母,从上方或下方固定带有法兰的旋入式杠杆夹紧装置。另一种方法是,用四个圆柱头螺栓从上方将杠杆夹紧装置固定到夹具上。

夹臂位置可单独调整。

转角夹具只能用油性空气运行。

法兰上的安装孔与螺纹法兰 05610-20 的尺寸相同。

开槽螺母不在供货范围内。
附件:07590-05 开槽螺母 DIN 70852。
05610-20 螺纹法兰。
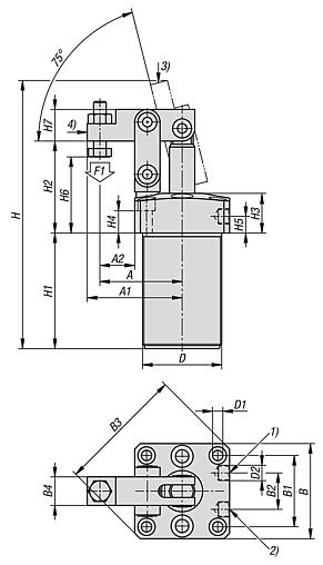
图纸提示:
1) 夹紧
2) 放松
3) 放松的
4) 夹紧的
特点:
RoHS
下载此处为收集信息的 PDF:

查找 CAD 数据?请直接在产品列表中查找。
 Datasheet 05609 气动杠杆夹紧装置 用法兰拧紧 284 kB

图纸

气动杠杆夹紧装置 用法兰拧紧

商品选择/筛选

订货号尺寸A

A1A2BB1B2B3B4D

D1D2HH1H2H3H4H5H6H7F1
N
CAD配件价格订购
05609-25254148165037236616M40X1,55,5M5144625125151237-4717230 根据要求
05609-32325260226045238018M50X1,56,5G1/81707357251310,550-5620370 根据要求
05609-4040566623,56550268720M55X1,56,8G1/8177360251310,550-54,525560 根据要求
05609-505063,577,52675583210022M65X1,58,5G1/82007965251110,547-5730760 根据要求
05609-6363748829,589703511822M80X1,58,5G1/82118071,52511954-64301350 根据要求
我的 norelemE-Mail密码
购物车
商品数量: 0
总数: 0.00  
点击购物车
欢迎扫描二维码
咨询诺瑞朗官方客服微信
中国
苏ICP备20011289号-1  苏公网安备32058502011222 网页地图 打印 推荐 Top
Copyright © 2025 norelem. 保留所有权利。 电话 +49 71 45/206-44 至 45 · 传真 +49 71 45/206-83