norelem 使用 Cookies 以优化设计和持续改进网页。您通过继续使用网页,同意使用 Cookies。在我们的数据保护声明中可以找到有关 Cookies 主题的详细信息。同意

商品描述/产品说明

查看/筛选所有商品
产品说明材料:铝制主体。
双作用气缸,抛光活塞杆。
规格:经黑色阳极氧化处理的主体。提示:转角夹具用在夹紧力要求不高或移动工件时夹紧点不能有遮挡的场合。壳体设计保证可以通过多种方式进行安装。磁性气缸支持电磁末端感应开关。
提供固定夹紧臂的螺栓及垫片(附件)。
转角气缸的回转动作不能与其他部件干涉。
F1 = 气压6bar下提供的最大压力。
根据要求:接近开关附件:- 压臂 05620
- 回转基座 05625
特点:
RoHS
下载此处为收集信息的 PDF:

查找 CAD 数据?请直接在产品列表中查找。
 Datasheet 05610 气动转角夹具 394 kB

图片(总概述)

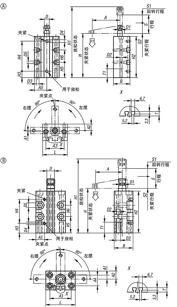
气动转角夹具
气动转角夹具
气动转角夹具

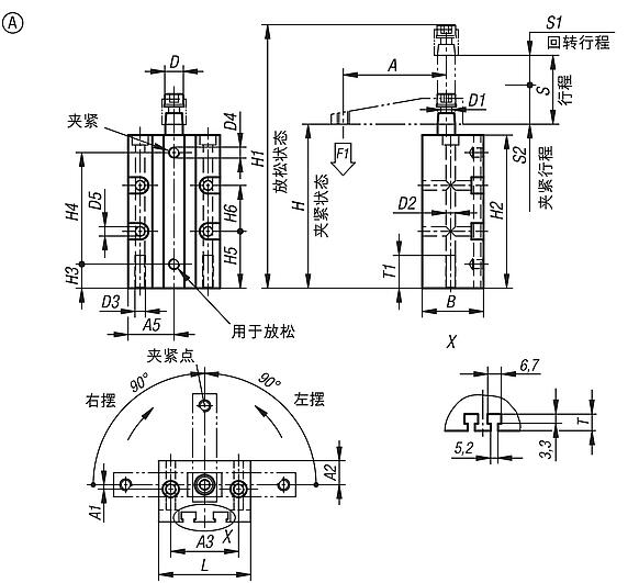
气动转角夹具,A 型

更多信息

图纸

气动转角夹具,A 型

商品选择/筛选

订货号类型 2类型尺寸A

A1A2A3A5BD

D1D2D3D4D5CAD配件价格订购
05610-1121右摆A12350103120248M54,3M5M54,3 根据要求
05610-1161右摆A1641-2113121288M54,3M5M54,3 根据要求
05610-2121左摆A12350103120248M54,3M5M54,3 根据要求
05610-2161左摆A1641-2113121288M54,3M5M54,3 根据要求
订货号H

H1H2H3H4H5H6行程
S
LS1S2TT1F1
N
配件CAD配件价格订购
05610-11217610570115126211640795153005620-12, 05625-1216 根据要求
05610-11617610570115126211642794,5156005620-16, 05625-1216 根据要求
05610-21217610570115126211640795153005620-12, 05625-1216 根据要求
05610-21617610570115126211642794,5156005620-16, 05625-1216 根据要求

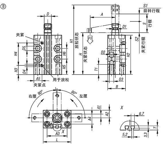
气动转角夹具,B 型

更多信息

图纸

气动转角夹具,B 型

商品选择/筛选

订货号类型 2类型尺寸A

A1A2A3A4A5BD

D1D2D3D4D5CAD配件价格订购
05610-1201右摆B2048813362011,53012M85,5M6M55,5 根据要求
05610-2201左摆B2048813362011,53012M85,5M6M55,5 根据要求
订货号HH1H2H3H4H5H6行程
S
LS1S2TF1
N
T1配件CAD配件价格订购
05610-120180125741744,52422274612154,5802005620-20, 05625-2000 根据要求
05610-220180125741744,52422274612154,5802005620-20, 05625-2000 根据要求

气动转角夹具,C 型

更多信息

图纸

气动转角夹具,C 型

商品选择/筛选

订货号类型 2类型尺寸A

A1A2A3A4A5BD

D1D2D3D4D5CAD配件价格订购
05610-1251右摆C25507,5154020173514M86,5M8M58,5 根据要求
05610-1321右摆C326012,5204530184516M86,5M8G1/88,5 根据要求
05610-1401右摆C407015,524,55237225516M88,5M10G1/88,5 根据要求
05610-1501右摆C508021,5316646256520M108,5M10G1/810,5 根据要求
05610-1631右摆C639027,537,58060308020M1010,5M12G1/810,5 根据要求
05610-2251左摆C25507,5154020173514M86,5M8M58,5 根据要求
05610-2321左摆C326012,5204530184516M86,5M8G1/88,5 根据要求
05610-2401左摆C407015,524,55237225516M88,5M10G1/88,5 根据要求
05610-2501左摆C508021,5316646256515M108,5M10G1/810,5 根据要求
05610-2631左摆C639027,537,58060308015M1010,5M12G1/810,5 根据要求
订货号HH1H2H3H4H5行程
S
LS1S2TT1F1
N
配件CAD配件价格订购
05610-125183125781744,5322755151252017005620-25, 05625-2500 根据要求
05610-13219614590225043306016146,52027005620-32, 05625-3240 根据要求
05610-140196145902052403170161582545005620-40, 05625-3240 根据要求
05610-15011061621002553,545308515156,53070005620-50, 05625-5063 根据要求
05610-16311061621002853,5363010015158,530110005620-63, 05625-5063 根据要求
05610-225183125781744,5322755151252017005620-25, 05625-2500 根据要求
05610-23219614590225043306016146,52027005620-32, 05625-3240 根据要求
05610-240196145902052403170161582545005620-40, 05625-3240 根据要求
05610-25011061621002553,545308515156,53070005620-50, 05625-5063 根据要求
05610-26311061621002853,5363010015158,530110005620-63, 05625-5063 根据要求
我的 norelemE-Mail密码
购物车
商品数量: 0
总数: 0.00  
点击购物车
欢迎扫描二维码
咨询诺瑞朗官方客服微信
中国
苏ICP备20011289号-1  苏公网安备32058502011222 网页地图 打印 推荐 Top
Copyright © 2025 norelem. 保留所有权利。 电话 +49 71 45/206-44 至 45 · 传真 +49 71 45/206-83