norelem 使用 Cookies 以优化设计和持续改进网页。您通过继续使用网页,同意使用 Cookies。在我们的数据保护声明中可以找到有关 Cookies 主题的详细信息。同意

商品描述/产品说明

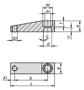
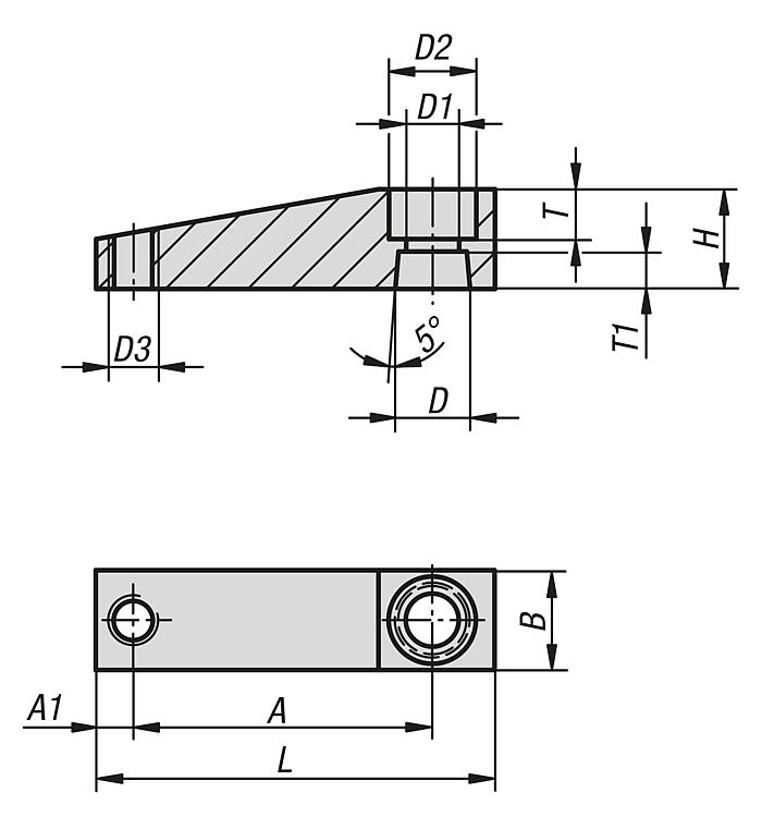
产品说明材料:高强度铝合金。规格:Hart-Coat® 渡膜提示:坚硬耐磨的表面,排斥焊接颗粒。
适用于对应型号的气动转角夹具05610。
特点:
RoHS
下载此处为收集信息的 PDF:

查找 CAD 数据?请直接在产品列表中查找。
 Datasheet 05620 转角夹具压臂 154 kB

图纸

转角夹具压臂

商品选择/筛选

订货号

尺寸AA1BD

D1D2D3HLTT1CAD配件价格订购
05620-12123541285,59M4124555 根据要求
05620-16164141285,59M4125145 根据要求
05620-202048616128,514M6166486 根据要求
05620-25255061614914M6166666 根据要求
05620-32326092016914M8198179 根据要求
05620-40407092016914M8199079 根据要求
05620-5050801025201117M1225105910 根据要求
05620-6363901025201117M1225115910 根据要求
我的 norelemE-Mail密码
购物车
商品数量: 0
总数: 0.00  
点击购物车
欢迎扫描二维码
咨询诺瑞朗官方客服微信
中国
苏ICP备20011289号-1  苏公网安备32058502011222 网页地图 打印 推荐 Top
Copyright © 2025 norelem. 保留所有权利。 电话 +49 71 45/206-44 至 45 · 传真 +49 71 45/206-83