norelem 使用 Cookies 以优化设计和持续改进网页。您通过继续使用网页,同意使用 Cookies。在我们的
数据保护声明
中可以找到有关 Cookies 主题的详细信息。
同意
全球分布
创意
AGB
版权说明
数据保护
产品
企业信息
服务
下载
新闻
联系方式
产品概览
固定
灵活的标准件系统
装配
装配系统
运动
用于机床和设备制造的系统/组件
检查
量具检具组件
夹紧
夹紧技术
控制和调节
电动机构
输送
输送和移动技术
technoshop
norelem inch
英制产品目录
06287
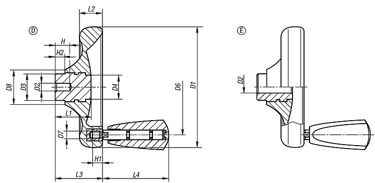
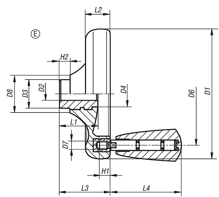
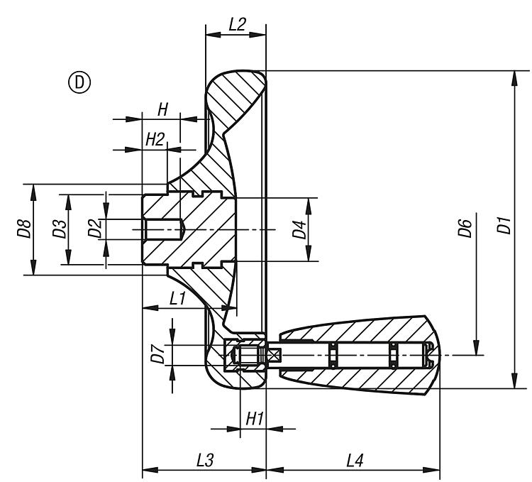
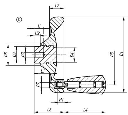
手轮盘 带转动手柄
返回
产品
产品概览
灵活的标准件系统
操作部件
手轮、手摇柄和旋入式手柄
手轮盘 带转动手柄
商品描述/产品说明
查看/筛选所有商品
产品说明
材料:
热固塑料 PF 31,黑色。
钢制套筒,镀镍,或者不锈钢 1.4305,亮色。
转动式手柄,钢制部件,镀镍,或者不锈钢 1.4305,亮色。
规格:
经高光泽抛光处理。
提示:
手轮交付时并未将手柄装上。
根据要求:
其他定位孔。
图纸提示:
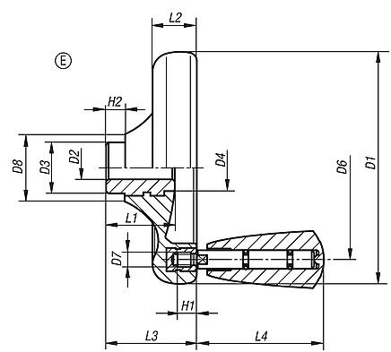
D 型: 预钻孔
E 型: 带定位孔
特点:
下载
此处为收集信息的 PDF:
查找 CAD 数据?请直接在产品列表中查找。
Datasheet 06287 手轮盘 带转动手柄
172 kB
图片(总概述)
手轮盘,带转动手柄,D 型,预先钻孔
更多信息
图纸
商品选择/筛选
手轮盘,带转动手柄,E 型,带定位孔
更多信息
图纸
商品选择/筛选
订货号
类型
形状类型
材料 钢制件
D1
D2
D3
D4
D6
D7
D8
H1
H2
L1
L2
L3
L4
状态
CAD
配件
价格
订购
06287-1100X10
E
带定位孔
钢制
100
10H8
22
20
79
M6
29
9
8
29,5
19
39
54,7
余货
根据要求
手轮盘,带转动手柄,不锈钢金属件,D 型,预先钻孔
更多信息
图纸
商品选择/筛选
手轮盘,带转动手柄,不锈钢金属件,E 型,带定位孔
更多信息
图纸
商品选择/筛选
本类目的其他商品
<<
|
<
|
1-10
|
11-20
|
21-30
|
31-40
|
41-50
|
51-60
|
61-70
|
>
|
>>
06230
十字旋钮
06235
十字轮
06255
双轮辐手轮 塑料材质
06255
双轮辐手轮 塑料材质,带转动手柄
06255
双轮辐手轮 塑料材质,可折叠手柄
06262
塑料手轮
06263
手轮,带转动手柄
06264
手轮,带折叠手柄
06265
手轮 带安全手柄
06268
定位轮
<<
|
<
|
1-10
|
11-20
|
21-30
|
31-40
|
41-50
|
51-60
|
61-70
|
>
|
>>
我的 norelem
E-Mail
密码
忘记密码
首次登陆
购物车
商品数量:
0
总数:
0.00
€
点击购物车
欢迎扫描二维码
咨询诺瑞朗官方客服微信
Algérie
Andorra
Argentina
Australia
België
Bolivia
Bosna i Hercegovina
Brasil
Canada
Česká republika
Chile
中国
Colombia
Costa Rica
Cuba
Danmark
Dem. Peop. Rep. of Korea
Deutschland
Ecuador
Eesti
España
Georgia
香港
Hrvatska
India
Ireland
Ísland
Italia
Jamaica
日本
Latvija
Liechtenstein
Lietuvos
Luxemburg
Magyarország
Malaysia
Malta
México
Nederland
New Zealand
Norge
Österreich
Pakistan
Paraguay
Perú
Polska
Portugal
Principauté de Monaco
台灣
Rep. di San Marino
대한민국
România
Schweiz
Singapore
Slovenija
Slovensko
South Africa
Suomi
Sverige
Türkiye
United Kingdom
United States of America
Uruguay
Venezuela
Việt Nam
Ελλάδα
Κύπρος
Беларусь
България
Република Србија
Россия
Србија и Црна Гора
Україна
ישראל
الامارات العربية المتحدة
السعودية
ايران
مصر
ประเทศไทย
Chinese
English
苏ICP备20011289号-1
苏公网安备32058502011222
网页地图
打印
推荐
Top
Copyright © 2025 norelem. 保留所有权利。
电话 +49 71 45/206-44 至 45 · 传真 +49 71 45/206-83