|
|
|
06289-12不锈钢板制成的辐条式手轮,可通过曲柄旋转 |
返回 |
|
|
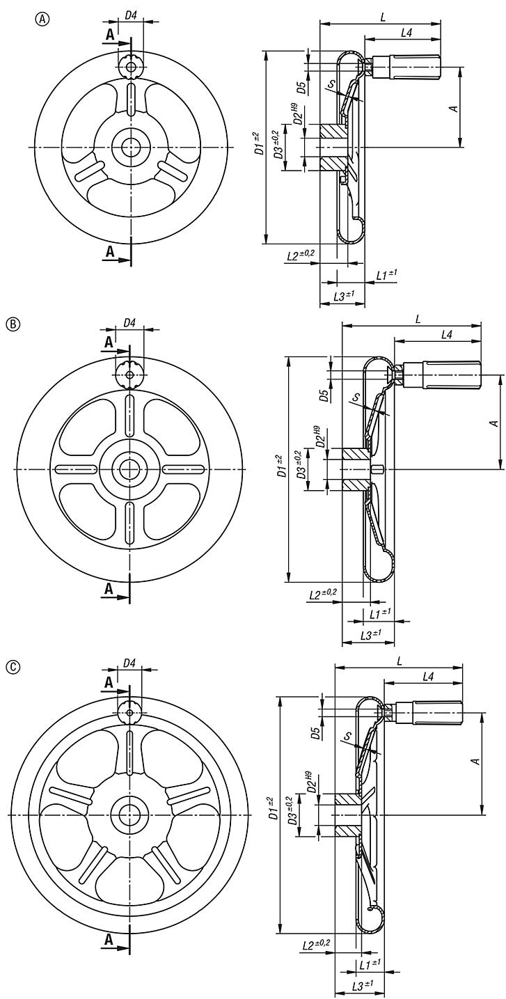
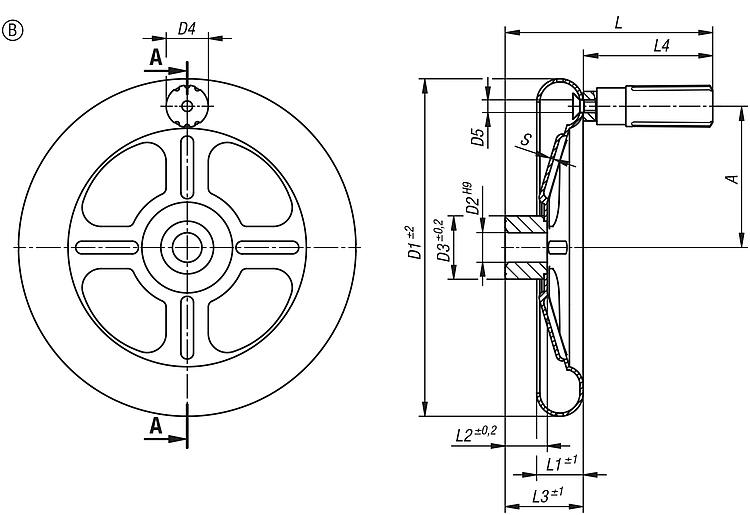
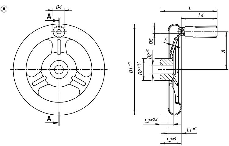
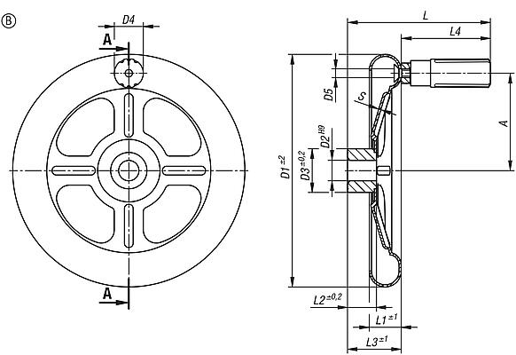
产品说明产品描述:手轮用于对轴和主轴进行精确的手动定位和调整。坚固的设计具有抗震和抗冲击性能。热塑性塑料制成的可自由旋转曲柄手感舒适,即使在长时间或高强度的动作中也能舒适操作。材料:规格:手轮亚光喷砂。 RAL 7021 黑灰色曲柄。 气缸手柄轴毛坯。 空心六角沉头螺钉。提示:形式 A:3 根辐条(直径 125 毫米)。 形式 B:4 根辐条(直径 160 毫米、200 毫米)。 形式 C:5 根辐条(直径分别为 250 毫米、315 毫米、400 毫米)。
直径 (D3) 的尺寸符合 DIN 950 标准。装配:曲柄通过沉头螺钉固定在辐条手轮上。 所需的内六角扳手不包括在供货范围内。供货范围辐条式手轮由不锈钢板制成。 可旋转不锈钢曲柄。 带内六角的沉头螺钉,不锈钢 DIN EN ISO 10642。特点: 下载此处为收集信息的 PDF:
查找 CAD 数据?请直接在产品列表中查找。
|
不锈钢板制成的辐条式手轮,带旋转曲柄,A 型,三幅式 |
更多信息 |
| 订货号 | 类型 1 | 类型 2 | 类型 | 形状类型 | A | D1 | D2 | D3 | D4 | D5 | L | L1 | L2 | L3 | L4 | S | CAD | 配件 | 价格 | 订购 |
|---|
| 06289-12-1125X12 | 带键槽孔 | 带把手 | A | 3辐式 | 52 | 125 | 12H9 | 30 | 16 | M5 | 78 | 18 | 18 | 29 | 49,1 | 1,5 |  | | 根据要求 | | | 06289-12-1125X14 | 带键槽孔 | 带把手 | A | 3辐式 | 52 | 125 | 14H9 | 30 | 16 | M5 | 78 | 18 | 18 | 29 | 49,1 | 1,5 |  | | 根据要求 | |
|
|
|
|
|