norelem 使用 Cookies 以优化设计和持续改进网页。您通过继续使用网页,同意使用 Cookies。在我们的
数据保护声明
中可以找到有关 Cookies 主题的详细信息。
同意
全球分布
创意
AGB
版权说明
数据保护
产品
企业信息
服务
下载
新闻
联系方式
产品概览
固定
灵活的标准件系统
装配
装配系统
运动
用于机床和设备制造的系统/组件
检查
量具检具组件
夹紧
夹紧技术
控制和调节
电动机构
输送
输送和移动技术
technoshop
norelem inch
英制产品目录
06353
球形把手 转动式
返回
产品
产品概览
灵活的标准件系统
操作部件
手轮、手摇柄和旋入式手柄
球形把手 转动式
商品描述/产品说明
查看/筛选所有商品
产品说明
材料:
球体,热固塑料 PF 31。
衬套和销钉 钢制或不锈钢 1.4305。
规格:
球体,黑色光泽。
钢制,经蓝色钝化处理。
光亮不锈钢。
特点:
下载
此处为收集信息的 PDF:
查找 CAD 数据?请直接在产品列表中查找。
Datasheet 06353 球形把手 转动式
154 kB
图片(总概述)
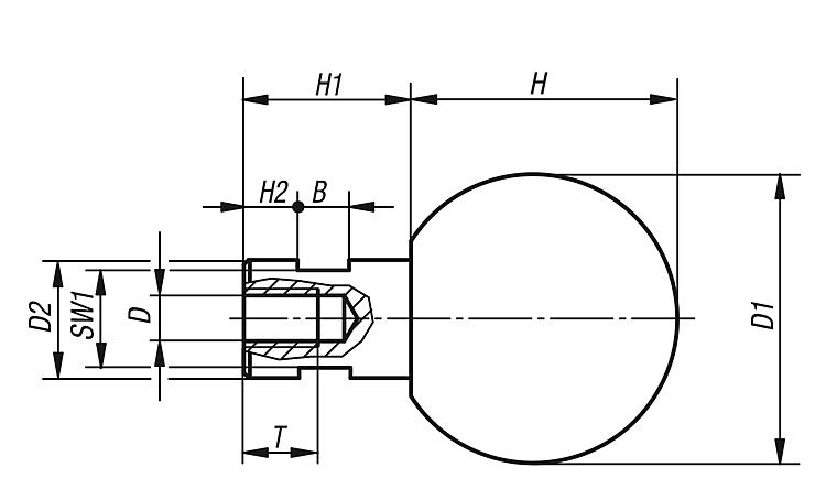
球形把手 转动式,外螺纹
更多信息
图纸
商品选择/筛选
订货号
材料
B
D
D1
D2
H
H1
H2
L
SW1
SW2
CAD
配件
价格
订购
06353-061
钢制
5
M6
25
10
22,5
15
5
11
8
3
根据要求
06353-081
钢制
6
M8
32
13
29,5
19
6
13
10
4
根据要求
06353-101
钢制
8
M10
40
16
37
24
8
14
13
5
根据要求
06353-121
钢制
10
M12
50
20
47
31
12
21
17
6
根据要求
06353-1061
不锈钢
5
M6
25
10
22,5
15
5
11
8
3
根据要求
06353-1081
不锈钢
6
M8
32
13
29,5
19
6
13
10
4
根据要求
06353-1101
不锈钢
8
M10
40
16
37
24
8
14
13
5
根据要求
06353-1121
不锈钢
10
M12
50
20
47
31
12
21
17
6
根据要求
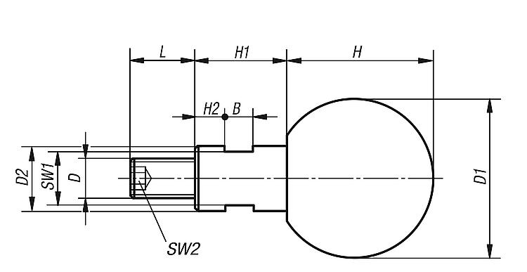
球形把手 转动式,内螺纹
更多信息
图纸
商品选择/筛选
订货号
材料
B
D
D1
D2
H
H1
H2
SW1
T
CAD
配件
价格
订购
06353-060
钢制
5
M6
25
10
22,5
15
5
8
12,5
根据要求
06353-080
钢制
6
M8
32
13
29,5
19
6
10
15
根据要求
06353-100
钢制
8
M10
40
16
37
24
8
13
19
根据要求
06353-120
钢制
10
M12
50
20
47
31
12
17
21,5
根据要求
06353-1060
不锈钢
5
M6
25
10
22,5
15
5
8
12,5
根据要求
06353-1080
不锈钢
6
M8
32
13
29,5
19
6
10
15
根据要求
06353-1100
不锈钢
8
M10
40
16
37
24
8
13
19
根据要求
06353-1120
不锈钢
10
M12
50
20
47
31
12
17
21,5
根据要求
本类目的其他商品
<<
|
<
|
1-10
|
11-20
|
21-30
|
31-40
|
41-50
|
51-60
|
61-70
|
>
|
>>
06230
十字旋钮
06235
十字轮
06255
双轮辐手轮 塑料材质
06255
双轮辐手轮 塑料材质,带转动手柄
06255
双轮辐手轮 塑料材质,可折叠手柄
06262
塑料手轮
06263
手轮,带转动手柄
06264
手轮,带折叠手柄
06265
手轮 带安全手柄
06268
定位轮
<<
|
<
|
1-10
|
11-20
|
21-30
|
31-40
|
41-50
|
51-60
|
61-70
|
>
|
>>
我的 norelem
E-Mail
密码
忘记密码
首次登陆
购物车
商品数量:
0
总数:
0.00
€
点击购物车
欢迎扫描二维码
咨询诺瑞朗官方客服微信
Algérie
Andorra
Argentina
Australia
België
Bolivia
Bosna i Hercegovina
Brasil
Canada
Česká republika
Chile
中国
Colombia
Costa Rica
Cuba
Danmark
Dem. Peop. Rep. of Korea
Deutschland
Ecuador
Eesti
España
Georgia
香港
Hrvatska
India
Ireland
Ísland
Italia
Jamaica
日本
Latvija
Liechtenstein
Lietuvos
Luxemburg
Magyarország
Malaysia
Malta
México
Nederland
New Zealand
Norge
Österreich
Pakistan
Paraguay
Perú
Polska
Portugal
Principauté de Monaco
台灣
Rep. di San Marino
대한민국
România
Schweiz
Singapore
Slovenija
Slovensko
South Africa
Suomi
Sverige
Türkiye
United Kingdom
United States of America
Uruguay
Venezuela
Việt Nam
Ελλάδα
Κύπρος
Беларусь
България
Република Србија
Россия
Србија и Црна Гора
Україна
ישראל
الامارات العربية المتحدة
السعودية
ايران
مصر
ประเทศไทย
Chinese
English
苏ICP备20011289号-1
苏公网安备32058502011222
网页地图
打印
推荐
Top
Copyright © 2025 norelem. 保留所有权利。
电话 +49 71 45/206-44 至 45 · 传真 +49 71 45/206-83