norelem 使用 Cookies 以优化设计和持续改进网页。您通过继续使用网页,同意使用 Cookies。在我们的数据保护声明中可以找到有关 Cookies 主题的详细信息。同意
铝制曲柄,带折叠手柄
06503

铝制曲柄,带折叠手柄

返回

商品描述/产品说明

查看/筛选所有商品
产品说明材料:铝制曲柄。
热塑性塑料和钢制圆柱形手柄。
规格:经黑色粉末喷涂处理的曲柄。
热塑性塑料,黑灰色。
钢制部件经过黑色氧化处理。
提示:与 DIN 469 相似。
如果是带横孔的规格,则要通过旋入 ISO 4027 (DIN 914) 埋头螺栓进行固定。
下载此处为收集信息的 PDF:

查找 CAD 数据?请直接在产品列表中查找。
 Datasheet 06503 铝制曲柄,带折叠手柄 258 kB

图片(总概述)

铝制曲柄,带折叠手柄

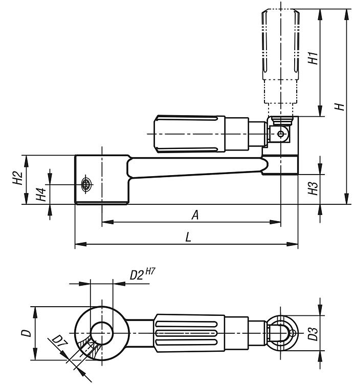
曲柄 铝制,可折叠手柄,定位孔

更多信息

图纸

曲柄 铝制,可折叠手柄,定位孔

商品选择/筛选

订货号类型 1类型 2AD

D2D3D7HH1H2H3H4LCAD配件价格订购
06503-1110带键槽孔无横孔80241016-89492213,4-100 根据要求
06503-1212带键槽孔无横孔100281220-10859,52616-124 根据要求
06503-1314带键槽孔无横孔125301425-140832815,8-153 根据要求
06503-1417带键槽孔无横孔160341725-144833219,6-190 根据要求
06503-11106带键槽孔可折叠80241016M689492213,47,5100 根据要求
06503-12126带键槽孔可折叠100281220M6107,959,426167,5124 根据要求
06503-13146带键槽孔可折叠125301426M6140,583,52815,87,5153 根据要求
06503-14176带键槽孔可折叠160341726M6144,583,53219,67,5190 根据要求

曲柄 铝制,可折叠手柄,内四角

更多信息

图纸

曲柄 铝制,可折叠手柄,内四角

商品选择/筛选

订货号类型 1类型 2AD

D3D7HH1H2H3H4LSWCAD配件价格订购
06503-2110内四角无横孔802416-89492213,4-10010 根据要求
06503-2212内四角无横孔1002820-10859,52616-12412 根据要求
06503-2314内四角无横孔1253025-140832815,8-15314 根据要求
06503-2417内四角无横孔1603425-144833219,6-19017 根据要求
06503-21106内四角可折叠802416M689492213,47,510010 根据要求
06503-22126内四角可折叠1002820M6107,959,426167,512412 根据要求
06503-23146内四角可折叠1253026M6140,583,52815,87,515314 根据要求
06503-24176内四角可折叠1603426M6144,583,53219,67,519017 根据要求
我的 norelemE-Mail密码
购物车
商品数量: 0
总数: 0.00  
点击购物车
欢迎扫描二维码
咨询诺瑞朗官方客服微信
中国
苏ICP备20011289号-1  苏公网安备32058502011222 网页地图 打印 推荐 Top
Copyright © 2025 norelem. 保留所有权利。 电话 +49 71 45/206-44 至 45 · 传真 +49 71 45/206-83