norelem 使用 Cookies 以优化设计和持续改进网页。您通过继续使用网页,同意使用 Cookies。在我们的数据保护声明中可以找到有关 Cookies 主题的详细信息。同意

商品描述/产品说明

产品说明材料:热固性塑料 PF 31,黑色。
钢制螺栓。
钢制或者黄铜螺纹衬套。
规格:螺栓经镀锌处理。
螺纹衬套镀锌或者黄铜 亮色。
图纸提示:
C 型: 螺纹盲孔
E 型: 带螺纹轴套
L 型: 带外螺纹
特点:
RoHS
下载此处为收集信息的 PDF:

查找 CAD 数据?请直接在产品列表中查找。
 Datasheet 06097 滚花旋钮 153 kB

图片(总概述)

滚花旋钮

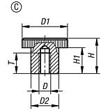
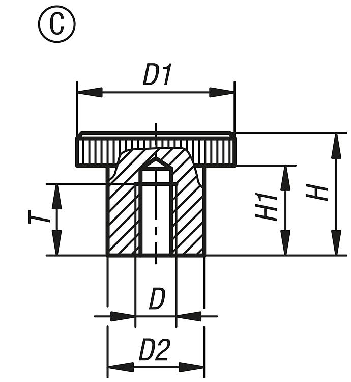
条纹把手,C 型, 带螺纹盲孔

更多信息

图纸

条纹把手,C 型, 带螺纹盲孔

商品选择/筛选

订货号类型材料D

D1D2HH1TCAD配件价格订购
06097-102206C塑料M622121367,5 根据要求
06097-102606C塑料M6261720149 根据要求

条纹把手,E 型, 带螺纹衬套

更多信息

图纸

条纹把手,E 型, 带螺纹衬套

商品选择/筛选

订货号类型材料D

D1D2HH1TCAD配件价格订购
06097-212205E黄铜M522121366 根据要求
06097-202606E钢制M62617201410 根据要求
06097-202608E钢制M82617201412 根据要求

条纹把手,L 型, 带外螺纹

更多信息

图纸

条纹把手,L 型, 带外螺纹

商品选择/筛选

订货号类型材料D

D1D2HH1LCAD配件价格订购
06097-302606X10L钢制M6261513610 根据要求
06097-302205X15L钢制M5221213615 根据要求
06097-302205X20L钢制M5221213620 根据要求
06097-302206X20L钢制M6221213620 根据要求
06097-302608X20L钢制M8261513620 根据要求
06097-302606X30L钢制M6261513630 根据要求
06097-302206X15L钢制M6221213615 根据要求
06097-302606X20L钢制M6261513620 根据要求
06097-302606X15L钢制M6261513615 根据要求
06097-302205X10L钢制M5221213610 根据要求
06097-302206X30L钢制M6221213630 根据要求
06097-302206X10L钢制M6221213610 根据要求
06097-302608X15L钢制M8261513615 根据要求
06097-302608X30L钢制M8261513630 根据要求
我的 norelemE-Mail密码
购物车
商品数量: 0
总数: 0.00  
点击购物车
欢迎扫描二维码
咨询诺瑞朗官方客服微信
中国
苏ICP备20011289号-1  苏公网安备32058502011222 网页地图 打印 推荐 Top
Copyright © 2025 norelem. 保留所有权利。 电话 +49 71 45/206-44 至 45 · 传真 +49 71 45/206-83