norelem 使用 Cookies 以优化设计和持续改进网页。您通过继续使用网页,同意使用 Cookies。在我们的数据保护声明中可以找到有关 Cookies 主题的详细信息。同意
钢制和不锈钢高头滚花旋钮 DIN 466
06110

钢制和不锈钢高头滚花旋钮 DIN 466

返回

商品描述/产品说明

产品说明材料:

易切削钢。
不锈钢 1.4305。

规格:钢制 黑色氧化处理。
不锈钢 亮色。
提示:高头滚花旋钮 M12 未纳入官方规范表格。
下载此处为收集信息的 PDF:

查找 CAD 数据?请直接在产品列表中查找。
 Datasheet 06110 钢制和不锈钢高头滚花旋钮 DIN 466 226 kB

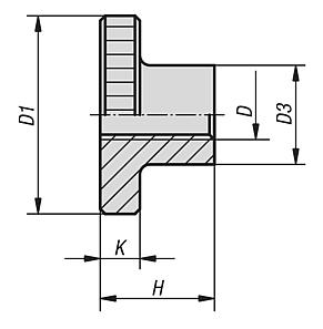
图纸

钢制和不锈钢高头滚花旋钮 DIN 466

商品概述(精简)

商品选择/筛选
订货号

主体
材料
D

D1D3HKCAD配件价格订购
06110-04易切削钢M41689,53,5 根据要求
06110-05易切削钢M5201011,54 根据要求
06110-06易切削钢M62412155 根据要求
06110-08易切削钢M83016186 根据要求
06110-10易切削钢M103620238 根据要求
06110-12易切削钢M123620238 根据要求
06110-042不锈钢M41689,53,5 根据要求
06110-052不锈钢M5201011,54 根据要求
06110-062不锈钢M62412155 根据要求
06110-082不锈钢M83016186 根据要求
06110-102不锈钢M103620238 根据要求
06110-122不锈钢M123620238 根据要求
我的 norelemE-Mail密码
购物车
商品数量: 0
总数: 0.00  
点击购物车
欢迎扫描二维码
咨询诺瑞朗官方客服微信
中国
苏ICP备20011289号-1  苏公网安备32058502011222 网页地图 打印 推荐 Top
Copyright © 2025 norelem. 保留所有权利。 电话 +49 71 45/206-44 至 45 · 传真 +49 71 45/206-83