norelem 使用 Cookies 以优化设计和持续改进网页。您通过继续使用网页,同意使用 Cookies。在我们的数据保护声明中可以找到有关 Cookies 主题的详细信息。同意
钢制和不锈钢平头滚花旋钮 DIN 467
06120

钢制和不锈钢平头滚花旋钮 DIN 467

返回

商品描述/产品说明

产品说明材料:

钢制。
不锈钢 1.4305。

规格:钢制 黑色氧化处理。
不锈钢 亮色。
提示:平头滚花旋钮 M12 未纳入官方规范表格。
下载此处为收集信息的 PDF:

查找 CAD 数据?请直接在产品列表中查找。
 Datasheet 06120 钢制和不锈钢平头滚花旋钮 DIN 467 198 kB

图纸

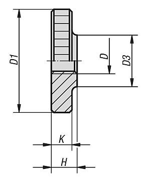
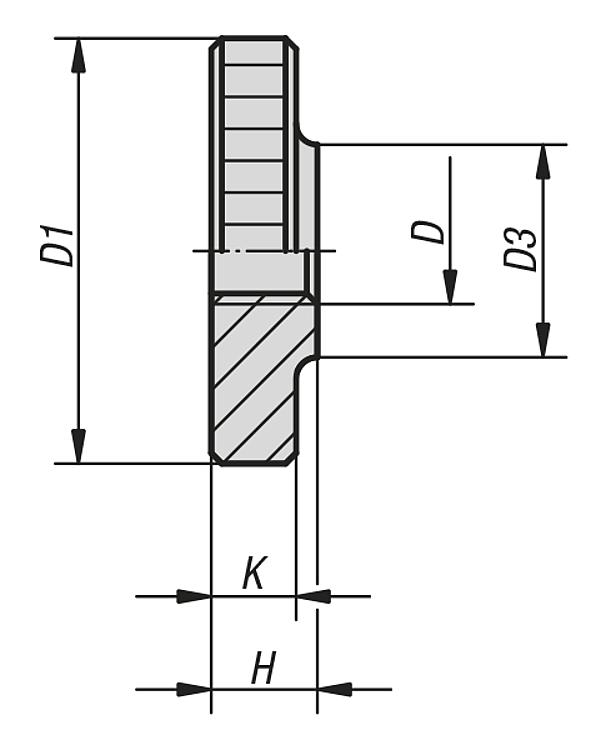
钢制和不锈钢平头滚花旋钮 DIN 467

商品概述(精简)

商品选择/筛选
订货号

主体
材料
D

D1D3HKCAD配件价格订购
06120-04易切削钢M416843,5 根据要求
06120-05易切削钢M5201054 根据要求
06120-06易切削钢M6241265 根据要求
06120-08易切削钢M8301686 根据要求
06120-10易切削钢M103620108 根据要求
06120-12易切削钢M123620108 根据要求
06120-042不锈钢M416843,5 根据要求
06120-052不锈钢M5201054 根据要求
06120-062不锈钢M6241265 根据要求
06120-082不锈钢M8301686 根据要求
06120-102不锈钢M103620108 根据要求
06120-122不锈钢M123620108 根据要求
我的 norelemE-Mail密码
购物车
商品数量: 0
总数: 0.00  
点击购物车
欢迎扫描二维码
咨询诺瑞朗官方客服微信
中国
苏ICP备20011289号-1  苏公网安备32058502011222 网页地图 打印 推荐 Top
Copyright © 2025 norelem. 保留所有权利。 电话 +49 71 45/206-44 至 45 · 传真 +49 71 45/206-83