norelem 使用 Cookies 以优化设计和持续改进网页。您通过继续使用网页,同意使用 Cookies。在我们的数据保护声明中可以找到有关 Cookies 主题的详细信息。同意
十字旋钮 类似 DIN 6335,铝制
06156

十字旋钮 类似 DIN 6335,铝制

返回

商品描述/产品说明

查看/筛选所有商品
产品说明材料:

铝制。
不锈钢螺纹销 1.4305。
不锈钢十字销 1.4310。

规格:经光滑打磨处理或打磨处理,抛光。
螺纹销和十字销为亮色。
根据要求:十字旋钮作为毛坯件(未进行光滑打磨处理)。图纸提示:
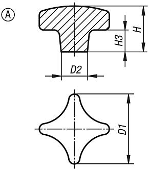
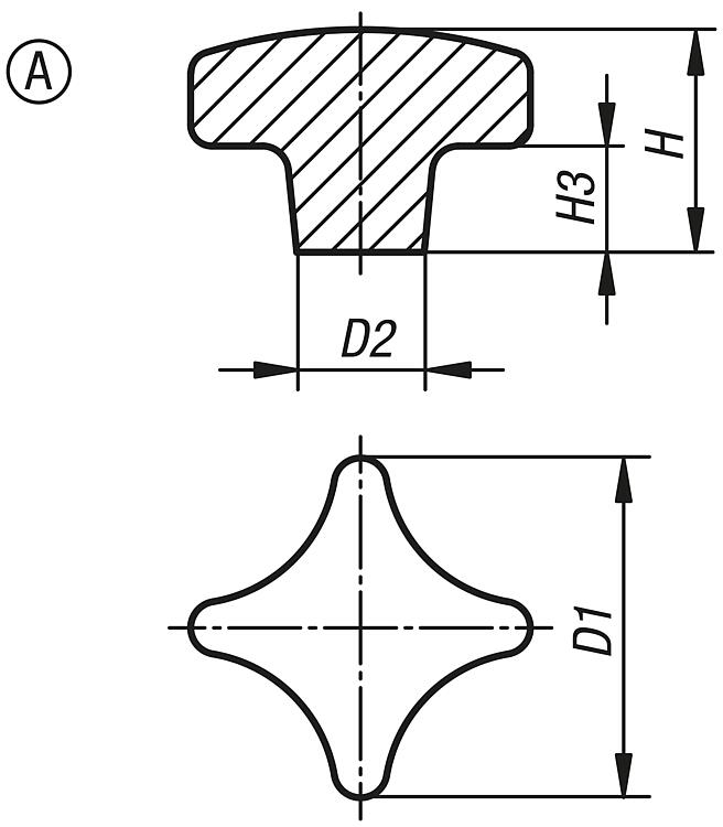
A 型: 毛坯件
B 型: 通孔
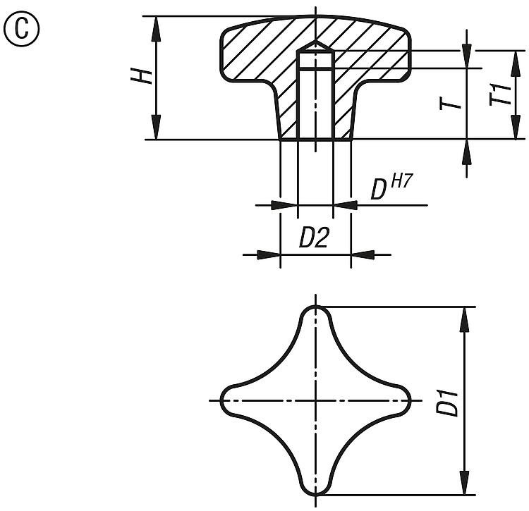
C 型: 盲孔
D 型: 螺纹镗孔
E 型: 螺纹盲孔
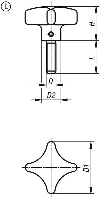
L 型: 带外螺纹
特点:
RoHS
下载此处为收集信息的 PDF:

查找 CAD 数据?请直接在产品列表中查找。
 Datasheet 06156 十字旋钮 类似 DIN 6335,铝制 198 kB

图片(总概述)

十字旋钮 类似 DIN 6335,铝制

十字把手,类似 DIN 6335,铝制,A 型,毛坯件

更多信息

图纸

十字把手,类似 DIN 6335,铝制,A 型,毛坯件

商品选择/筛选

订货号

主体
表面
类型

D1D2HH3CAD配件价格订购
06156-104008经光滑打磨处理A40142614 根据要求
06156-105010经光滑打磨处理A50183420 根据要求
06156-106312经光滑打磨处理A63254225 根据要求
06156-108016经光滑打磨处理A80255230 根据要求

十字把手,类似 DIN 6335,铝制,B 型,贯穿孔

更多信息

图纸

十字把手,类似 DIN 6335,铝制,B 型,贯穿孔

商品选择/筛选

订货号类型

表面

D1D

D2HCAD配件价格订购
06156-205010B经光滑打磨处理50101832 根据要求
06156-206312B经光滑打磨处理63122540 根据要求
06156-204008B经光滑打磨处理4081425 根据要求
06156-208016B经光滑打磨处理80162550 根据要求
06156-2040082B经抛光处理4081425 根据要求
06156-2050102B经抛光处理50101832 根据要求
06156-2063122B经抛光处理63122540 根据要求
06156-2080162B经抛光处理80162550 根据要求

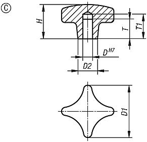
十字把手,类似 DIN 6335,铝制,C 型,盲孔

更多信息

图纸

十字把手,类似 DIN 6335,铝制,C 型,盲孔

商品选择/筛选

订货号类型

表面

D

D1D2HTT1CAD配件价格订购
06156-305010C经光滑打磨处理105018321821 根据要求
06156-306312C经光滑打磨处理126325402225 根据要求
06156-304008C经光滑打磨处理84014251518 根据要求
06156-308016C经光滑打磨处理168025502832 根据要求
06156-3040082C经抛光处理84014251518 根据要求
06156-3050102C经抛光处理105018321821 根据要求
06156-3063122C经抛光处理126325402225 根据要求
06156-3080162C经抛光处理168025502832 根据要求

十字把手,类似 DIN 6335,铝制,D 型,已扩孔螺纹

更多信息

图纸

十字把手,类似 DIN 6335,铝制,D 型,已扩孔螺纹

商品选择/筛选

订货号类型

表面

D

D1D2D6HTCAD配件价格订购
06156-404008D经光滑打磨处理M840148,42515 根据要求
06156-405010D经光滑打磨处理M10501810,53218 根据要求
06156-406312D经光滑打磨处理M126325134022 根据要求
06156-408016D经光滑打磨处理M168025175028 根据要求
06156-4040082D经抛光处理M840148,42515 根据要求
06156-4050102D经抛光处理M10501810,53218 根据要求
06156-4063122D经抛光处理M126325134022 根据要求
06156-4080162D经抛光处理M168025175028 根据要求

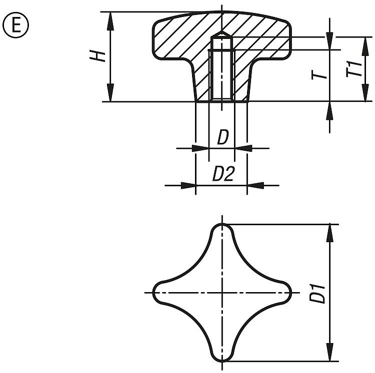
十字把手,类似 DIN 6335,铝制,E 型,螺纹盲孔

更多信息

图纸

十字把手,类似 DIN 6335,铝制,E 型,螺纹盲孔

商品选择/筛选

订货号类型

表面

D

D1D2HTT1CAD配件价格订购
06156-504008E经光滑打磨处理M84014251518 根据要求
06156-505010E经光滑打磨处理M105018321821 根据要求
06156-506312E经光滑打磨处理M126325402225 根据要求
06156-508016E经光滑打磨处理M168025502832 根据要求
06156-5040082E经抛光处理M84014251518 根据要求
06156-5050102E经抛光处理M105018321821 根据要求
06156-5063122E经抛光处理M126325402225 根据要求
06156-5080162E经抛光处理M168025502832 根据要求

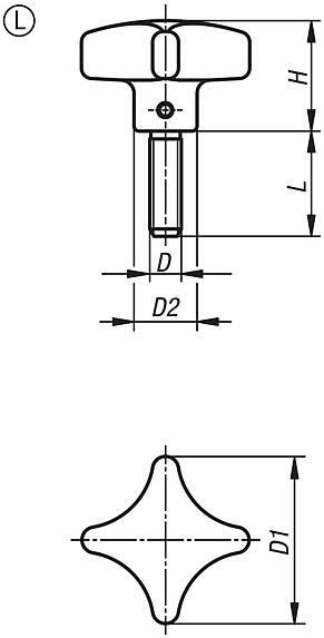
十字把手,类似 DIN 6335,铝制,L 型,带外螺纹

更多信息

图纸

十字把手,类似 DIN 6335,铝制,L 型,带外螺纹

商品选择/筛选

订货号类型主体
表面
D

D1

D2HLCAD配件价格订购
06156-604008X20L经光滑打磨处理M840142520 根据要求
06156-604008X25L经光滑打磨处理M840142525 根据要求
06156-604008X30L经光滑打磨处理M840142530 根据要求
06156-604008X40L经光滑打磨处理M840142540 根据要求
06156-604008X50L经光滑打磨处理M840142550 根据要求
06156-605010X20L经光滑打磨处理M1050183220 根据要求
06156-605010X25L经光滑打磨处理M1050183225 根据要求
06156-605010X30L经光滑打磨处理M1050183230 根据要求
06156-605010X40L经光滑打磨处理M1050183240 根据要求
06156-605010X50L经光滑打磨处理M1050183250 根据要求
06156-606312X20L经光滑打磨处理M1263254020 根据要求
06156-606312X30L经光滑打磨处理M1263254030 根据要求
06156-606312X40L经光滑打磨处理M1263254040 根据要求
06156-606312X50L经光滑打磨处理M1263254050 根据要求
我的 norelemE-Mail密码
购物车
商品数量: 0
总数: 0.00  
点击购物车
欢迎扫描二维码
咨询诺瑞朗官方客服微信
中国
苏ICP备20011289号-1  苏公网安备32058502011222 网页地图 打印 推荐 Top
Copyright © 2025 norelem. 保留所有权利。 电话 +49 71 45/206-44 至 45 · 传真 +49 71 45/206-83