norelem 使用 Cookies 以优化设计和持续改进网页。您通过继续使用网页,同意使用 Cookies。在我们的数据保护声明中可以找到有关 Cookies 主题的详细信息。同意
十字旋钮 DIN 6335,灰口铸铁材质
06160

十字旋钮 DIN 6335,灰口铸铁材质

返回

商品描述/产品说明

查看/筛选所有商品
产品说明材料:

灰口铸铁 GJL 200。
不锈钢螺纹销 1.4305。
不锈钢十字销 1.4310。

规格:经光滑打磨处理,亮色。
螺纹销和十字销为亮色。
图纸提示:
A 型: 毛坯件
B 型: 通孔
C 型: 盲孔
D 型: 螺纹镗孔
E 型: 螺纹盲孔
L 型: 带外螺纹
特点:
RoHS
下载此处为收集信息的 PDF:

查找 CAD 数据?请直接在产品列表中查找。
 Datasheet 06160 十字旋钮 DIN 6335,灰口铸铁材质 253 kB

图片(总概述)

十字旋钮 DIN 6335,灰口铸铁材质

十字把手,DIN 6335,灰口铸铁材质,A 型,毛坯件

更多信息

图纸

十字把手,DIN 6335,灰口铸铁材质,A 型,毛坯件

商品选择/筛选

订货号类型D1

D2HH3CAD配件价格订购
06160-106A32122110 根据要求
06160-108A40142614 根据要求
06160-110A50183420 根据要求
06160-112A63204225 根据要求
06160-116A80255230 根据要求
06160-120A100326538 根据要求

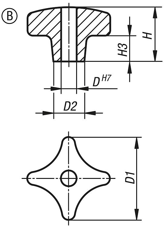
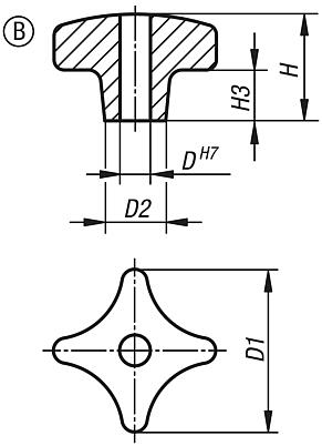
十字把手,类似 DIN 6335,灰口铸铁材质,B 型,贯穿孔

更多信息

图纸

十字把手,类似 DIN 6335,灰口铸铁材质,B 型,贯穿孔

商品选择/筛选

订货号

类型主体
表面
D

D1D2HH3CAD配件价格订购
06160-206B经光滑打磨处理632122010 根据要求
06160-208B经光滑打磨处理840142514 根据要求
06160-210B经光滑打磨处理1050183220 根据要求
06160-212B经光滑打磨处理1263204025 根据要求
06160-216B经光滑打磨处理1680255030 根据要求
06160-220B经光滑打磨处理20100326338 根据要求

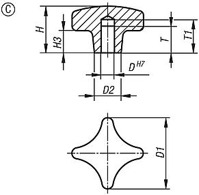
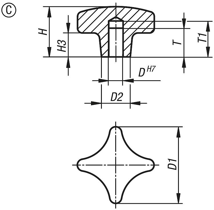
十字把手,DIN 6335,灰口铸铁材质,C 型,盲孔

更多信息

图纸

十字把手,DIN 6335,灰口铸铁材质,C 型,盲孔

商品选择/筛选

订货号类型类型 1D

D1D2HH3TT1CAD配件价格订购
06160-306C经光滑打磨处理6321220101215 根据要求
06160-308C经光滑打磨处理8401425141518 根据要求
06160-310C经光滑打磨处理10501832201821 根据要求
06160-312C经光滑打磨处理12632040252225 根据要求
06160-316C经光滑打磨处理16802550302832 根据要求
06160-320C经光滑打磨处理201003263383640 根据要求

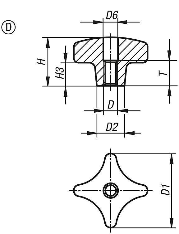
十字把手,DIN 6335,灰口铸铁制材质,D 型,已扩孔螺纹

更多信息

图纸

十字把手,DIN 6335,灰口铸铁制材质,D 型,已扩孔螺纹

商品选择/筛选

订货号类型类型 1D

D1D2D6HH3TCAD配件价格订购
06160-406D经光滑打磨处理M632126,4201010 根据要求
06160-408D经光滑打磨处理M840148,4251413 根据要求
06160-410D经光滑打磨处理M10501810,5322016 根据要求
06160-412D经光滑打磨处理M12632013402520 根据要求
06160-416D经光滑打磨处理M16802517503020 根据要求
06160-420D经光滑打磨处理M201003221633825 根据要求

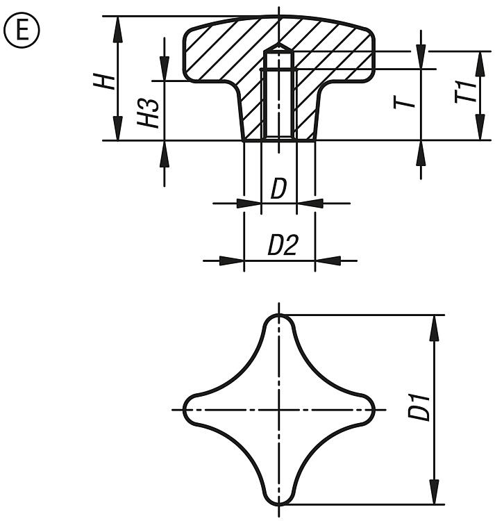
十字把手,DIN 6335,灰口铸铁材质,E 型,螺纹盲孔

更多信息

图纸

十字把手,DIN 6335,灰口铸铁材质,E 型,螺纹盲孔

商品选择/筛选

订货号类型主体
表面
D

D1D2HH3TT1CAD配件价格订购
06160-506E经光滑打磨处理M6321220101215 根据要求
06160-508E经光滑打磨处理M8401425141518 根据要求
06160-510E经光滑打磨处理M10501832201821 根据要求
06160-512E经光滑打磨处理M12632040252225 根据要求
06160-516E经光滑打磨处理M16802550302832 根据要求
06160-520E经光滑打磨处理M201003263383640 根据要求

十字把手,DIN 6335,灰口铸铁材质,L 型,带外螺纹

更多信息

图纸

十字把手,DIN 6335,灰口铸铁材质,L 型,带外螺纹

商品选择/筛选

订货号类型类型 1D

D1D2HLCAD配件价格订购
06160-606X15L经光滑打磨处理M632122015 根据要求
06160-606X20L经光滑打磨处理M632122020 根据要求
06160-606X25L经光滑打磨处理M632122025 根据要求
06160-606X30L经光滑打磨处理M632122030 根据要求
06160-606X40L经光滑打磨处理M632122040 根据要求
06160-606X50L经光滑打磨处理M632122050 根据要求
06160-608X20L经光滑打磨处理M840142520 根据要求
06160-608X25L经光滑打磨处理M840142525 根据要求
06160-608X30L经光滑打磨处理M840142530 根据要求
06160-608X40L经光滑打磨处理M840142540 根据要求
06160-608X50L经光滑打磨处理M840142550 根据要求
06160-610X20L经光滑打磨处理M1050183220 根据要求
06160-610X25L经光滑打磨处理M1050183225 根据要求
06160-610X30L经光滑打磨处理M1050183230 根据要求
06160-610X40L经光滑打磨处理M1050183240 根据要求
06160-610X50L经光滑打磨处理M1050183250 根据要求
06160-612X20L经光滑打磨处理M1263204020 根据要求
06160-612X30L经光滑打磨处理M1263204030 根据要求
06160-612X40L经光滑打磨处理M1263204040 根据要求
06160-612X50L经光滑打磨处理M1263204050 根据要求
我的 norelemE-Mail密码
购物车
商品数量: 0
总数: 0.00  
点击购物车
欢迎扫描二维码
咨询诺瑞朗官方客服微信
中国
苏ICP备20011289号-1  苏公网安备32058502011222 网页地图 打印 推荐 Top
Copyright © 2025 norelem. 保留所有权利。 电话 +49 71 45/206-44 至 45 · 传真 +49 71 45/206-83