norelem 使用 Cookies 以优化设计和持续改进网页。您通过继续使用网页,同意使用 Cookies。在我们的数据保护声明中可以找到有关 Cookies 主题的详细信息。同意
灰口铸铁材质十字旋钮 塑料涂层 DIN 6335
06161

灰口铸铁材质十字旋钮 塑料涂层 DIN 6335

返回

商品描述/产品说明

查看/筛选所有商品
产品说明材料:灰口铸铁 GJL 200。规格:塑料涂层。提示:橙色 RAL 2004,
黑色 RAL 9005 亚光。
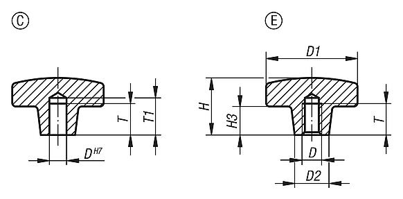
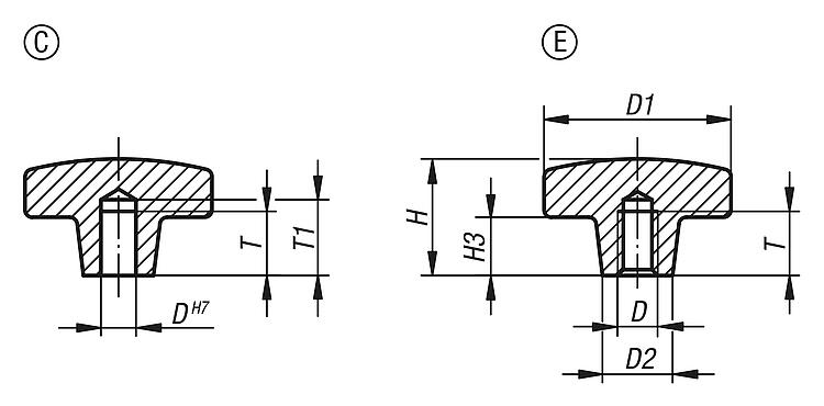
图纸提示:
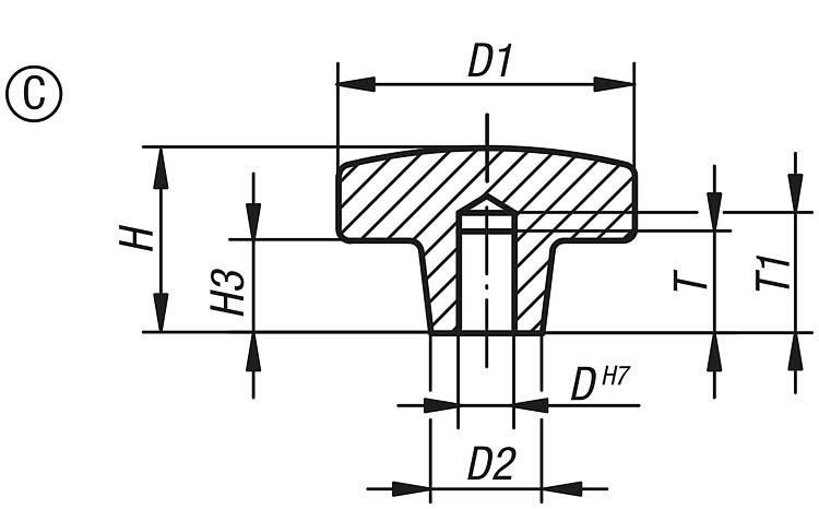
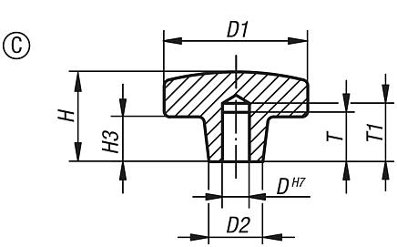
C 型: 盲孔
E 型: 螺纹盲孔
下载此处为收集信息的 PDF:

查找 CAD 数据?请直接在产品列表中查找。
 Datasheet 06161 灰口铸铁材质十字旋钮 塑料涂层 DIN 6335 131 kB

图片(总概述)

灰口铸铁材质十字旋钮 塑料涂层 DIN 6335

灰口铸铁材质十字旋钮 塑料涂层 DIN 6335 ,C 型

更多信息

图纸

灰口铸铁材质十字旋钮 塑料涂层 DIN 6335 ,C 型

商品选择/筛选

订货号类型主体
颜色
D

D1D2HH3TT1CAD配件价格订购
06161-108C橙色8401425131518 根据要求
06161-110C橙色10501832201821 根据要求
06161-112C橙色12632040252225 根据要求
06161-116C橙色16802550302832 根据要求
06161-208C黑色8401425131518 根据要求
06161-210C黑色10501832201821 根据要求
06161-212C黑色12632040252225 根据要求
06161-216C黑色16802550302832 根据要求

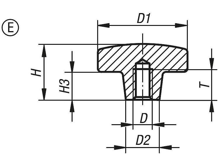
灰口铸铁材质十字旋钮 塑料涂层 DIN 6335 ,E 型

更多信息

图纸

灰口铸铁材质十字旋钮 塑料涂层 DIN 6335 ,E 型

商品选择/筛选

订货号类型主体
颜色
D

D1D2HH3TCAD配件价格订购
06161-308E橙色M84014251315 根据要求
06161-310E橙色M105018322018 根据要求
06161-312E橙色M126320402522 根据要求
06161-316E橙色M168025503028 根据要求
06161-408E黑色M84014251315 根据要求
06161-410E黑色M105018322018 根据要求
06161-412E黑色M126320402522 根据要求
06161-416E黑色M168025503028 根据要求
我的 norelemE-Mail密码
购物车
商品数量: 0
总数: 0.00  
点击购物车
欢迎扫描二维码
咨询诺瑞朗官方客服微信
中国
苏ICP备20011289号-1  苏公网安备32058502011222 网页地图 打印 推荐 Top
Copyright © 2025 norelem. 保留所有权利。 电话 +49 71 45/206-44 至 45 · 传真 +49 71 45/206-83