norelem 使用 Cookies 以优化设计和持续改进网页。您通过继续使用网页,同意使用 Cookies。在我们的数据保护声明中可以找到有关 Cookies 主题的详细信息。同意
手柄球 热塑性塑料 DIN 319,加强型
06247

手柄球 热塑性塑料 DIN 319,加强型

返回

商品描述/产品说明

查看/筛选所有商品
产品说明材料:热塑性塑料,黑色。
钢制衬套。
规格:钢制镀锌。提示:根据 DIN319 标准,由于生产原因,塑料螺纹无法保持金属螺纹的常规公差。根据要求:其他颜色。图纸提示:
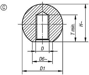
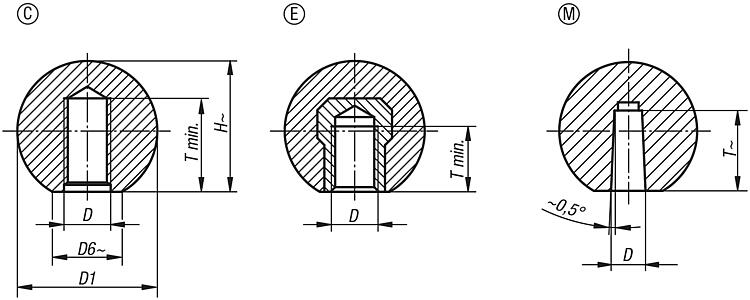
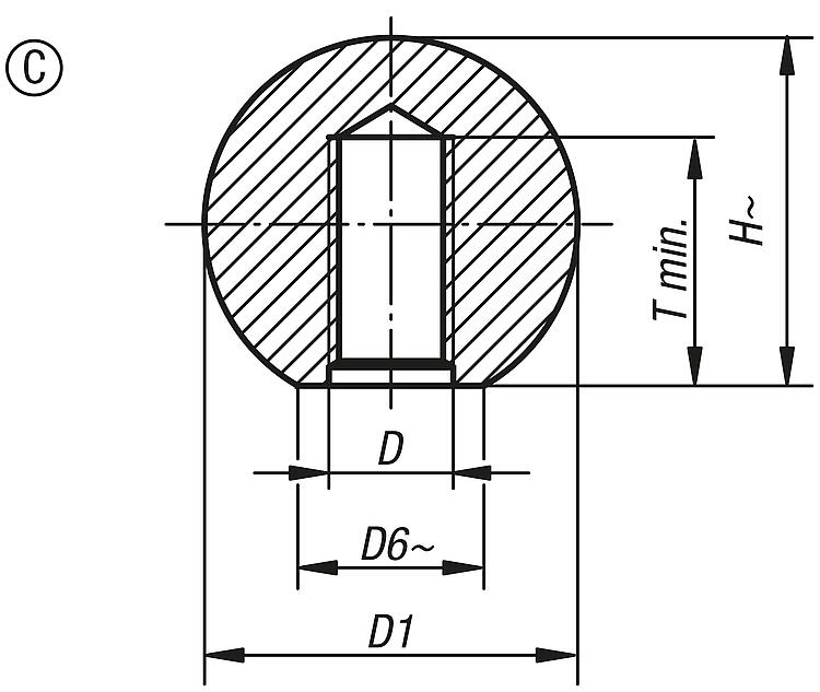
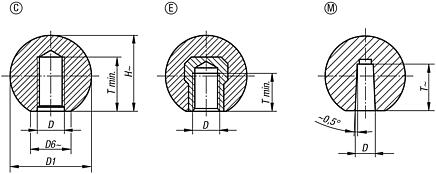
C 型:带塑料螺纹
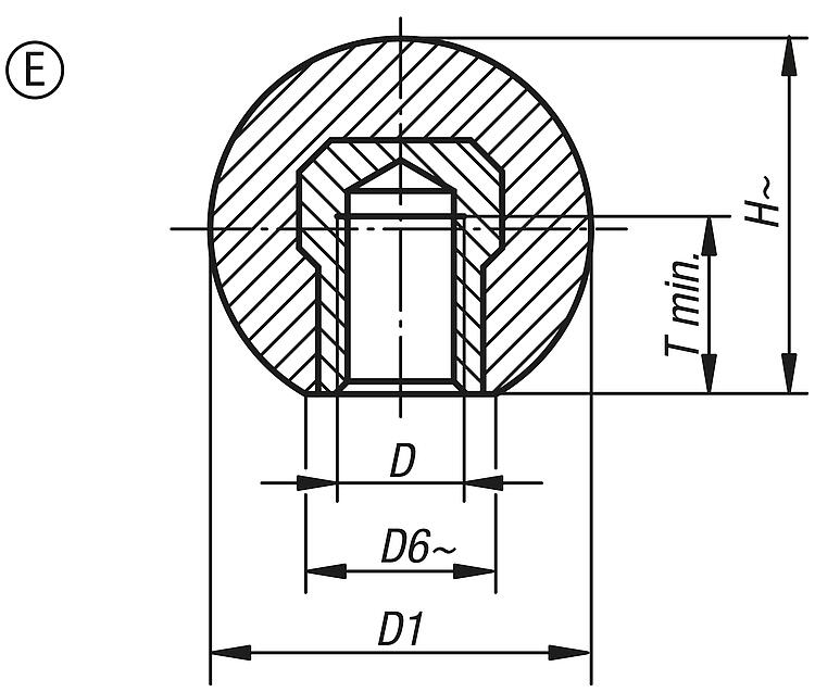
E 型:带螺纹轴套
M 型:带锥形钻孔
特点:
RoHS
下载此处为收集信息的 PDF:

查找 CAD 数据?请直接在产品列表中查找。
 Datasheet 06247 手柄球 热塑性塑料 DIN 319,加强型 208 kB

图片(总概述)

手柄球 热塑性塑料 DIN 319,加强型

热塑性塑料制手柄球,DIN 319,加强型,C 型,带塑料螺纹

更多信息

图纸

热塑性塑料制手柄球,DIN 319,加强型,C 型,带塑料螺纹

商品选择/筛选

订货号类型D

D1D6HTCAD配件价格订购
06247-11604CM4168156 根据要求
06247-11605CM5168157,5 根据要求
06247-12005CM52012187,5 根据要求
06247-12006CM62012189 根据要求
06247-12506CM6251522,59 根据要求
06247-12508CM8251522,512 根据要求
06247-13208CM832182912 根据要求
06247-13210CM1032182915 根据要求
06247-14010CM1040223715 根据要求
06247-14012CM1240223715 根据要求

热塑性塑料制手柄球,DIN 319,加强型,E 型,带螺纹轴套

更多信息

图纸

热塑性塑料制手柄球,DIN 319,加强型,E 型,带螺纹轴套

商品选择/筛选

订货号类型D

D1D6HTCAD配件价格订购
06247-22005EM52012187,5 根据要求
06247-22006EM62012187,5 根据要求
06247-22506EM6251522,59 根据要求
06247-22508EM8251522,59 根据要求
06247-23208EM832182912 根据要求
06247-23210EM1032182912 根据要求

热塑性塑料手柄球,DIN 319,加强型,M 型,带圆锥孔

更多信息

图纸

热塑性塑料手柄球,DIN 319,加强型,M 型,带圆锥孔

商品选择/筛选

订货号类型D

D1D6HTCAD配件价格订购
06247-32005M520121812 根据要求
06247-32506M6251522,515 根据要求
06247-32508M8251522,515 根据要求
06247-33208M832182915 根据要求
06247-33210M1032182915 根据要求
06247-34010M1040223720 根据要求
06247-34012M1240223720 根据要求
我的 norelemE-Mail密码
购物车
商品数量: 0
总数: 0.00  
点击购物车
欢迎扫描二维码
咨询诺瑞朗官方客服微信
中国
苏ICP备20011289号-1  苏公网安备32058502011222 网页地图 打印 推荐 Top
Copyright © 2025 norelem. 保留所有权利。 电话 +49 71 45/206-44 至 45 · 传真 +49 71 45/206-83