norelem 使用 Cookies 以优化设计和持续改进网页。您通过继续使用网页,同意使用 Cookies。在我们的数据保护声明中可以找到有关 Cookies 主题的详细信息。同意
蝶形旋钮 "Miniwing" 抗静电
06652

蝶形旋钮 "Miniwing" 抗静电

返回

商品描述/产品说明

查看/筛选所有商品
产品说明材料:热塑性塑料,石墨黑。
黄铜材质的衬套和强度 5.8 级的钢制螺栓。
规格:经蓝色钝化处理的螺纹销。应用:电敏感或静电敏感元件和装置(ESD 敏感元件)可能会由于周围的静电放电现象 (electrostatic discharge = ESD) 而受损,甚至彻底损坏。
静电放电可能源于人员操作或 ESD 敏感元件的处理过程(例如:加工、装配、运输、仓储等)。
为了避免出现静电放电,在电子环境中使用导电物件,应符合 DIN EN 61340-5-1 标准——“敏感元件的静电防护”。
该产品根据 DIN EN 61340-5-1 标准的规定,可用于 ESD 应用或静电保护区 (EPA)。
安全:此类 ESD 产品同样适用于易爆区域内的装置、组件和防护系统。
使用 ESD 产品可避免出现静电火花放电,防止气体和粉尘燃烧可能导致的密闭环境爆炸。
制造商和操作者应严格按照 ATEX 防爆规范使用,保护易爆区域内工作人员的安全。

目标群体:
必须为满足 ATEX 防爆产品要求 2014/34/EU 的装备制造商。
必须为满足 ATEX 防爆操作要求 1999/92/EC 的操作者。
特点:
下载此处为收集信息的 PDF:

查找 CAD 数据?请直接在产品列表中查找。
 Datasheet 06652 蝶形旋钮 "Miniwing" 抗静电 255 kB
 技术说明 ESD 379 kB

图片(总概述)

蝶形旋钮 "Miniwing" 抗静电

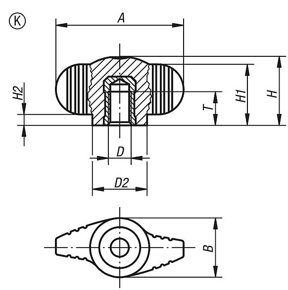
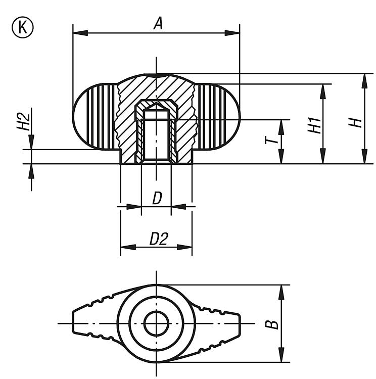
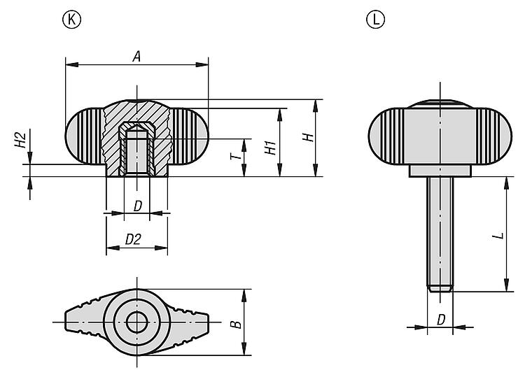
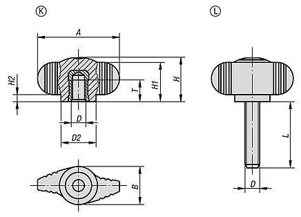
蝶形旋钮 "Miniwing" 抗静电,内螺纹

更多信息

图纸

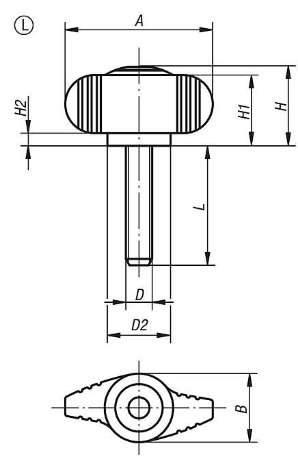
蝶形旋钮 "Miniwing" 抗静电,内螺纹

商品选择/筛选

订货号

ABD

D2HH1H2TCAD配件价格订购
06652-11006242813M6121513,32,38 根据要求

蝶形旋钮 "Miniwing" 抗静电,外螺纹

更多信息

图纸

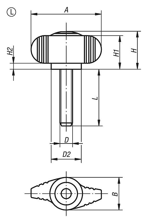
蝶形旋钮 "Miniwing" 抗静电,外螺纹

商品选择/筛选

订货号

ABD

D2HH1H2LCAD配件价格订购
06652-1100624X152813M6121513,32,315 根据要求
我的 norelemE-Mail密码
购物车
商品数量: 0
总数: 0.00  
点击购物车
欢迎扫描二维码
咨询诺瑞朗官方客服微信
中国
苏ICP备20011289号-1  苏公网安备32058502011222 网页地图 打印 推荐 Top
Copyright © 2025 norelem. 保留所有权利。 电话 +49 71 45/206-44 至 45 · 传真 +49 71 45/206-83