norelem 使用 Cookies 以优化设计和持续改进网页。您通过继续使用网页,同意使用 Cookies。在我们的数据保护声明中可以找到有关 Cookies 主题的详细信息。同意
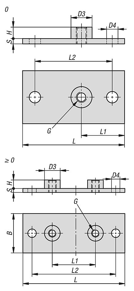
长款焊接板,适用于 DIN 3015 第 1 部分的轻型系列夹钳
07840-11

长款焊接板,适用于 DIN 3015 第 1 部分的轻型系列夹钳

返回

商品描述/产品说明

产品说明材料:钢制。规格:磷化处理或锌镍涂层。提示:长款焊接板,适用于 DIN 3015 第 1 部分的轻型系列夹钳。

这些焊接板可进行焊接或拧紧。
特点:
RoHS
下载此处为收集信息的 PDF:

查找 CAD 数据?请直接在产品列表中查找。
 Datasheet 07840-11 长款焊接板,适用于 DIN 3015 第 1 部分的轻型系列夹钳 223 kB

图纸

长款焊接板,适用于 DIN 3015 第 1 部分的轻型系列夹钳

商品选择/筛选

订货号尺寸主体
表面
B

D3D4SGHL = 长度L1L2适用于
DIN 3015-1
轻型系列
适用于
DIN 3015-2
重型系列
适用于
DIN 3015-3
双夹持件
CAD配件价格订购
07840-11-006110磷化30126,53M66,55824,544尺寸 0-- 根据要求
07840-11-006130锌镍涂层30126,53M66,55824,544尺寸 0-- 根据要求
07840-11-106111磷化30126,53M66,5642050尺寸 1-- 根据要求
07840-11-106131锌镍涂层30126,53M66,5642050尺寸 1-- 根据要求
07840-11-206112磷化30126,53M66,5702656尺寸 2-- 根据要求
07840-11-206132锌镍涂层30126,53M66,5702656尺寸 2-- 根据要求
07840-11-306113磷化30126,53M66,5783364尺寸 3-- 根据要求
07840-11-306133锌镍涂层30126,53M66,5783364尺寸 3-- 根据要求
07840-11-406114磷化30126,53M66,5874073尺寸 4-- 根据要求
07840-11-406134锌镍涂层30126,53M66,5874073尺寸 4-- 根据要求
07840-11-506115磷化30126,53M66,51005286尺寸 5-- 根据要求
07840-11-506135锌镍涂层30126,53M66,51005286尺寸 5-- 根据要求
07840-11-606116磷化30126,53M66,511566100尺寸 6-- 根据要求
07840-11-606136锌镍涂层30126,53M66,511566100尺寸 6-- 根据要求
07840-11-706117磷化30126,55M66,515094136尺寸 7-- 根据要求
07840-11-706137锌镍涂层30126,55M66,515094136尺寸 7-- 根据要求
我的 norelemE-Mail密码
购物车
商品数量: 0
总数: 0.00  
点击购物车
欢迎扫描二维码
咨询诺瑞朗官方客服微信
中国
苏ICP备20011289号-1  苏公网安备32058502011222 网页地图 打印 推荐 Top
Copyright © 2025 norelem. 保留所有权利。 电话 +49 71 45/206-44 至 45 · 传真 +49 71 45/206-83