norelem 使用 Cookies 以优化设计和持续改进网页。您通过继续使用网页,同意使用 Cookies。在我们的数据保护声明中可以找到有关 Cookies 主题的详细信息。同意

商品描述/产品说明

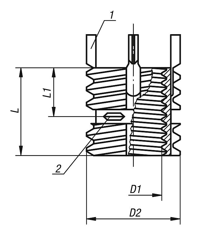
产品说明材料:不锈钢。规格:钝化。提示:螺套用于修复并再次利用受损、烂牙以及咬死的螺孔。借此修复贵重的部件。
螺套适用于多种材料,包括轻金属合金及铸件。M6以下为2个锁销,超过M6的螺套带4个锁销。
公差:
公差等级依照不同螺纹,例如螺母螺纹6H、螺柱螺纹6g,其它尺寸±0.25 mm。

详细技术参数参见螺套操作说明书。
优点:- 安装简易便捷。
- 通过锁销固定,避免由于由于受力或振动导致的扭矩。
- 使用专用安装工具安装,不需要其它工具。
图纸提示:
1) 止动楔块
2) 内螺纹自锁件
特点:
不锈钢RoHS
下载此处为收集信息的 PDF:

查找 CAD 数据?请直接在产品列表中查找。
 Datasheet 07663 螺套 带内螺纹,自锁型 266 kB
 螺套操作说明书 212 kB

图纸

螺套 带内螺纹,自锁型

商品选择/筛选

订货号D1
内螺纹
D2
外螺纹
L1
长度
L
长度
安装
钻孔 Ø
安装
定位孔 Ø
+0.25
安装孔
丝攻规格
安装孔
最小
螺纹深度
取出
钻孔 Ø
取出
钻孔深度
安装工具订货号CAD配件价格订购
07663-105M5M8486,98,3M89,55,5407660-805  根据要求
07663-106M6M10x1,255108,810,3M10x1,2511,57,54,807660-806  根据要求
07663-108M8M12x1,2561210,812,3M12x1,2513,59,54,807660-808  根据要求
07663-110M10M14x1,571412,814,3M14x1,515,511,54,807660-810  根据要求
07663-112M12M16x1,581614,816,3M16x1,517,513,54,807660-812  根据要求
我的 norelemE-Mail密码
购物车
商品数量: 0
总数: 0.00  
点击购物车
欢迎扫描二维码
咨询诺瑞朗官方客服微信
中国
苏ICP备20011289号-1  苏公网安备32058502011222 网页地图 打印 推荐 Top
Copyright © 2025 norelem. 保留所有权利。 电话 +49 71 45/206-44 至 45 · 传真 +49 71 45/206-83